h1_key

TI(德州仪器) TL7709A
德州仪器 (TI) 全系列产品在线购买
  • TI(德州仪器) TL7709A
  • TI(德州仪器) TL7709A
  • TI(德州仪器) TL7709A
  • TI(德州仪器) TL7709A
  • TI(德州仪器) TL7709A
  • TI(德州仪器) TL7709A
立即查看
您当前的位置: 首页 > 电源管理 > 监控器和复位 IC > TL7709A
TL7709A

TL7709A

正在供货

适用于 9V 系统的单电源监控器,具有可编程延迟时间

产品详情
  • 说明
  • 特性
  • 参数
  • 封装 | 引脚 | 尺寸

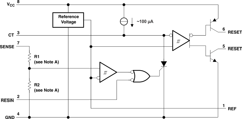
The TL77xxA family of integrated-circuit supply-voltage supervisors is designed specifically for use as reset controllers in microcomputer and microprocessor systems. The supply-voltage supervisor monitors the supply for undervoltage conditions at the SENSE input. During power up, the RESET output becomes active (low) when VCC attains a value approaching 3.6 V. At this point (assuming that SENSE is above VIT+), the delay timer function activates a time delay, after which outputs RESET and RESET go inactive (high and low, respectively). When an undervoltage condition occurs during normal operation, RESET and RESET go active.

  • Power-On Reset Generator
  • Automatic Reset Generation After Voltage Drop
  • Wide Supply-Voltage Range
  • Precision Voltage Sensor
  • Temperature-Compensated Voltage Reference
  • Externally Adjustable Pulse Duration
Number of supplies monitored1
Threshold voltage 1 (typ) (V)adjustable
FeaturesComplimentary output, Manual reset capable, Undervoltage monitor only, Wide input voltage
Reset threshold accuracy (%)1.3, 2
Iq (typ) (mA)1.8
Output driver type/reset outputActive-high, Active-low, Open-drain
Supply voltage (min) (V)3.5
Supply voltage (max) (V)18
RatingCatalog
Watchdog timer WDI (s)None
Operating temperature range (°C)0 to 70
PDIP (P)892.5083 mm² 9.81 x 9.43
SOIC (D)829.4 mm² 4.9 x 6
产品购买
  • 商品型号
  • 封装
  • 工作温度
  • 包装
  • 价格
  • 现货库存
  • 操作
10s
温馨提示:
订单商品问题请移至我的售后服务提交售后申请,其他需投诉问题可移至我的投诉提交,我们将在第一时间给您答复
返回顶部