h1_key

TI(德州仪器) LM338
德州仪器 (TI) 全系列产品在线购买
  • TI(德州仪器) LM338
  • TI(德州仪器) LM338
  • TI(德州仪器) LM338
  • TI(德州仪器) LM338
  • TI(德州仪器) LM338
  • TI(德州仪器) LM338
立即查看
您当前的位置: 首页 > 电源管理 > 线性和低压降 (LDO) 稳压器 > LM338
LM338

LM338

正在供货

5A、40V、低 IQ、可调节线性稳压器

产品详情
  • 说明
  • 特性
  • 参数
  • 封装 | 引脚 | 尺寸

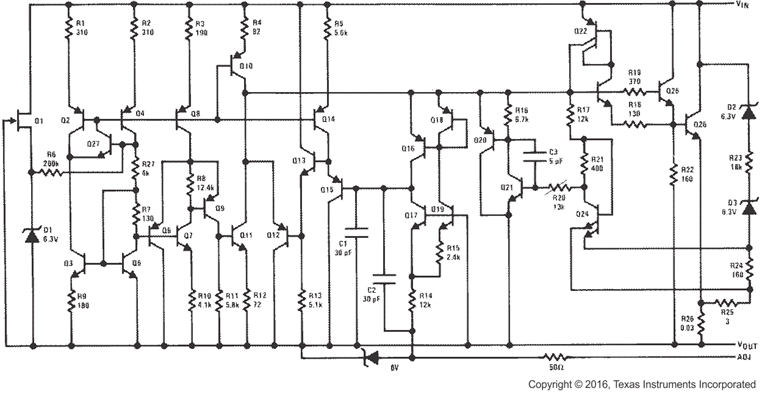
The LM138 series of adjustable 3-terminal positive voltage regulators is capable of supplying in excess of 5 A over a 1.2-V to 32-V output range. They are exceptionally easy to use and require only 2 resistors to set the output voltage. Careful circuit design has resulted in outstanding load and line regulation, comparable to many commercial power supplies. The LM138 family is supplied in a standard 3-lead transistor package.

A unique feature of the LM138 family is time-dependent current limiting. The current limit circuitry allows peak currents of up to 12 A to be drawn from the regulator for short periods of time. This allows the LM138 to be used with heavy transient loads and speeds start-up under full-load conditions. Under sustained loading conditions, the current limit decreases to a safe value protecting the regulator. Also included on the chip are thermal overload protection and safe area protection for the power transistor. Overload protection remains functional even if the adjustment (ADJ) pin is accidentally disconnected.

Normally, no capacitors are needed unless the device is situated more than 6 inches from the input filter capacitors in which case an input bypass is needed. An output capacitor can be added to improve transient response, while bypassing the adjustment pin increases the ripple rejection of the regulator.

Besides replacing fixed regulators or discrete designs, the LM138 is useful in a wide variety of other applications. Because the regulator is floating and receives only the input-to-output differential voltage, supplies of several hundred volts can be regulated as long as the maximum input to output differential is not exceeded; do not short-circuit output to ground. The part numbers in the LM138 series which have a suffix are packaged in a standard steel TO-CAN package, while those with a suffix are packaged in a TO-220 plastic package. The LM138 is rated for TJ = –55°C to 150°C, and the LM338 is rated for TJ = 0°C to 125°C.

  • Specified 7-A Peak Output Current
  • Specified 5-A Output Current
  • Adjustable Output Down to 1.2 V
  • Specified Thermal Regulation
  • Current Limit Constant With Temperature
  • P + Product Enhancement Tested
  • Output is Short-Circuit Protected
Output optionsAdjustable Output
Iout (max) (A)5
Vin (max) (V)40
Vin (min) (V)4.2
Vout (max) (V)32
Vout (min) (V)1.24
Noise (µVrms)37
Iq (typ) (mA)0.045
Thermal resistance θJA (°C/W)23
RatingCatalog
Load capacitance (min) (µF)0
Regulated outputs (#)1
Accuracy (%)2.4
PSRR at 100 KHz (dB)10
Dropout voltage (Vdo) (typ) (mV)2700
Operating temperature range (°C)0 to 125
TO-220 (NDE)346.5328 mm² 10.16 x 4.58
产品购买
  • 商品型号
  • 封装
  • 工作温度
  • 包装
  • 价格
  • 现货库存
  • 操作
10s
温馨提示:
订单商品问题请移至我的售后服务提交售后申请,其他需投诉问题可移至我的投诉提交,我们将在第一时间给您答复
返回顶部