h1_key

TI(德州仪器) LM317HV
德州仪器 (TI) 全系列产品在线购买
  • TI(德州仪器) LM317HV
  • TI(德州仪器) LM317HV
  • TI(德州仪器) LM317HV
  • TI(德州仪器) LM317HV
  • TI(德州仪器) LM317HV
  • TI(德州仪器) LM317HV
立即查看
您当前的位置: 首页 > 电源管理 > 线性和低压降 (LDO) 稳压器 > LM317HV
LM317HV

LM317HV

正在供货

1.5A、60V、可调节线性稳压器

产品详情
  • 说明
  • 特性
  • 参数
  • 封装 | 引脚 | 尺寸

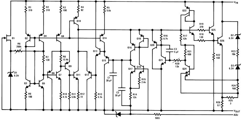
The LMx17HV is an adjustable 3-terminal positive voltage regulator capable of supplying 1.5 A or more currents over a 1.25-V to 57-V output voltage range. It requires only two external resistors to set the output voltage. The LMx17HV is packaged in standard transistor packages that are easily mounted and handled.

The LMx17HV offers overload protection like current limit, thermal overload protection and safe area protection, which make the device blowout proof. The overload protection circuitry remains fully functional even if the adjustment terminal is disconnected.

Typically, no capacitors are needed unless the device is situated more than 6 inches from the input filter capacitors, in which case an input bypass is needed. An optional output capacitor can be added to improve transient response. The adjustment terminal can be bypassed to achieve very high ripple rejection ratios which are difficult to achieve with standard 3-terminal regulators.

Since the regulator is floating and sees only the input-to-output differential voltage, supplies of several hundred volts can be regulated as long as the maximum input to output differential is not exceeded, or in other words, do not short the output to ground.

By connecting a fixed resistor between the adjustment and output, the LMx17HV can also be used as a precision current regulator. Supplies with electronic shutdown can be achieved by clamping the adjustment terminal to ground, which programs the output to 1.25 V where most loads draw little current.

  • Up to 60 V Input to Output Differential
  • 1.5-A Output Current
  • Line Regulation 0.01%/V (Typical)
  • Load Regulation 0.1% (Typical)
  • 80-dB Ripple Rejection (Typical)
  • Internal Short-Circuit Current Limiting Protection
  • Thermal Overload Protection
  • –55 to 150°C Operating Temperature Range
    (LM117HV)
  • 0 to 125°C Operating Temperature Range
    (LM317HV)
Output optionsAdjustable Output
Iout (max) (A)1.5
Vin (max) (V)60
Vin (min) (V)4.2
Vout (max) (V)57
Vout (min) (V)1.25
Noise (µVrms)1710
Iq (typ) (mA)0.05
Thermal resistance θJA (°C/W)23
RatingCatalog
Load capacitance (min) (µF)0
Regulated outputs (#)1
Accuracy (%)5
PSRR at 100 KHz (dB)40
Dropout voltage (Vdo) (typ) (mV)2250
Operating temperature range (°C)0 to 125
TO-220 (NDE)346.5328 mm² 10.16 x 4.58
产品购买
  • 商品型号
  • 封装
  • 工作温度
  • 包装
  • 价格
  • 现货库存
  • 操作
10s
温馨提示:
订单商品问题请移至我的售后服务提交售后申请,其他需投诉问题可移至我的投诉提交,我们将在第一时间给您答复
返回顶部