h1_key

TI(德州仪器) LM323-N
德州仪器 (TI) 全系列产品在线购买
  • TI(德州仪器) LM323-N
  • TI(德州仪器) LM323-N
  • TI(德州仪器) LM323-N
  • TI(德州仪器) LM323-N
  • TI(德州仪器) LM323-N
  • TI(德州仪器) LM323-N
立即查看
您当前的位置: 首页 > 电源管理 > 线性和低压降 (LDO) 稳压器 > LM323-N
LM323-N

LM323-N

正在供货

3A/5V 固定输出线性稳压器

产品详情
  • 说明
  • 特性
  • 参数
  • 封装 | 引脚 | 尺寸

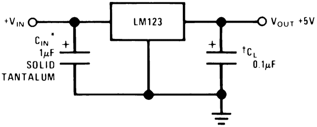
The LM123 is a three-terminal positive regulator with a preset 5V output and a load driving capability of 3 amps. New circuit design and processing techniques are used to provide the high output current without sacrificing the regulation characteristics of lower current devices.

The LM323A offers improved precision over the standard LM323. Parameters with tightened specifications include output voltage tolerance, line regulation, and load regulation.

The 3 amp regulator is virtually blowout proof. Current limiting, power limiting, and thermal shutdown provide the same high level of reliability obtained with these techniques in the LM109 1 amp regulator.

No external components are required for operation of the LM123. If the device is more than 4 inches from the filter capacitor, however, a 1 µF solid tantalum capacitor should be used on the input. A 0.1 µF or larger capacitor may be used on the output to reduce load transient spikes created by fast switching digital logic, or to swamp out stray load capacitance.

An overall worst case specification for the combined effects of input voltage, load currents, ambient temperature, and power dissipation ensure that the LM123 will perform satisfactorily as a system element.

For applications requiring other voltages, see LM150 series adjustable regulator data sheet.

Operation is guaranteed over the junction temperature range -55°C to +150°C for LM123, -40°C to +125°C for LM323A, and 0°C to +125°C for LM323. A hermetic TO-3 package is used for high reliability and low thermal resistance.


  • Guaranteed 1% initial accuracy (A version)
  • 3 amp output current
  • Internal current and thermal limiting
  • 0.01 Ohm typical output impedance
  • 7.5V minimum input voltage
  • 30W power dissipation
  • P+ Product Enhancement tested

Output optionsFixed Output
Iout (max) (A)3
Vin (max) (V)20
Vin (min) (V)7.5
Vout (max) (V)5
Vout (min) (V)5
Fixed output options (V)5
Noise (µVrms)40
Iq (typ) (mA)12
Thermal resistance θJA (°C/W)35
RatingMilitary
Load capacitance (min) (µF)0.1
Regulated outputs (#)1
Accuracy (%)2
PSRR at 100 KHz (dB)55
Dropout voltage (Vdo) (typ) (mV)1900
Operating temperature range (°C)0 to 125
TO-CAN (NDS)2969.2166 mm² 38.94 x 24.89
产品购买
  • 商品型号
  • 封装
  • 工作温度
  • 包装
  • 价格
  • 现货库存
  • 操作
10s
温馨提示:
订单商品问题请移至我的售后服务提交售后申请,其他需投诉问题可移至我的投诉提交,我们将在第一时间给您答复
返回顶部