h1_key

TI(德州仪器) LM3914
德州仪器 (TI) 全系列产品在线购买
  • TI(德州仪器) LM3914
  • TI(德州仪器) LM3914
  • TI(德州仪器) LM3914
  • TI(德州仪器) LM3914
  • TI(德州仪器) LM3914
  • TI(德州仪器) LM3914
立即查看
您当前的位置: 首页 > 电源管理 > LED 驱动器 > RGB LED 驱动器 > LM3914
LM3914

LM3914

正在供货

Dot/Bar 显示驱动器

产品详情
  • 说明
  • 特性
  • 参数
  • 封装 | 引脚 | 尺寸

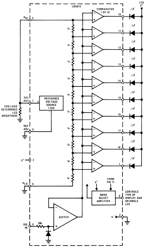
The LM3914 is a monolithic integrated circuit that senses analog voltage levels and drives 10 LEDs, providing a linear analog display. A single pin changes the display from a moving dot to a bar graph. Current drive to the LEDs is regulated and programmable, eliminating the need for resistors. This feature is one that allows operation of the whole system from less than 3V.

The circuit contains its own adjustable reference and accurate 10-step voltage divider. The low-bias-current input buffer accepts signals down to ground, or V, yet needs no protection against inputs of 35V above or below ground. The buffer drives 10 individual comparators referenced to the precision divider. Indication non-linearity can thus be held typically to ½%, even over a wide temperature range.

Versatility was designed into the LM3914 so that controller, visual alarm, and expanded scale functions are easily added on to the display system. The circuit can drive LEDs of many colors, or low-current incandescent lamps. Many LM3914s can be “chained” to form displays of 20 to over 100 segments. Both ends of the voltage divider are externally available so that 2 drivers can be made into a zero-center meter.

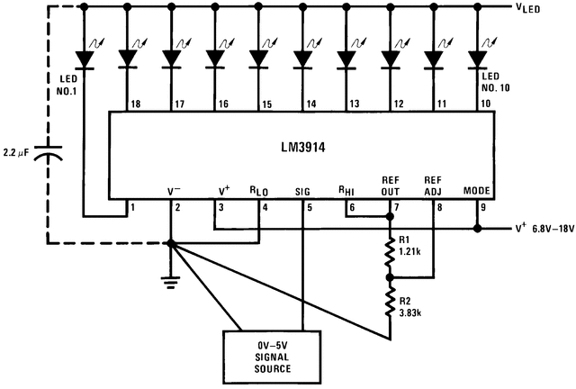
The LM3914 is very easy to apply as an analog meter circuit. A 1.2V full-scale meter requires only 1 resistor and a single 3V to 15V supply in addition to the 10 display LEDs. If the 1 resistor is a pot, it becomes the LED brightness control. The simplified block diagram illustrates this extremely simple external circuitry.

When in the dot mode, there is a small amount of overlap or “fade” (about 1 mV) between segments. This assures that at no time will all LEDs be “OFF”, and thus any ambiguous display is avoided. Various novel displays are possible.

Much of the display flexibility derives from the fact that all outputs are individual, DC regulated currents. Various effects can be achieved by modulating these currents. The individual outputs can drive a transistor as well as a LED at the same time, so controller functions including “staging” control can be performed. The LM3914 can also act as a programmer, or sequencer.

The LM3914 is rated for operation from 0°C to +70°C. The LM3914N-1 is available in an 18-lead PDIP (NFK) package.

The following typical application illustrates adjusting of the reference to a desired value, and proper grounding for accurate operation, and avoiding oscillations.

  • Drives LEDs, LCDs or Vacuum Fluorescents
  • Bar or Dot Display Mode Externally Selectable by User
  • Expandable to Displays of 100 Steps
  • Internal Voltage Reference from 1.2V to 12V
  • Operates with Single Supply of Less than 3V
  • Inputs Operate Down to Ground
  • Output Current Programmable from 2 mA to 30 mA
  • No Multiplex Switching or Interaction Between Outputs
  • Input Withstands ±35V without Damage or False Outputs
  • LED Driver Outputs are Current Regulated, Open-collectors
  • Outputs can Interface with TTL or CMOS Logic
  • The Internal 10-step Divider is Floating and can be Referenced to a Wide Range of Voltages

All trademarks are the property of their respective owners.

Number of channels10
LED current per channel (mA)10
Vin (min) (V)3
Vin (max) (V)15
Shutdown current (ISD) (typ) (µA)2.4
Operating temperature range (°C)0 to 70
RatingCatalog
PLCC (FN)2098.01 mm² 9.9 x 9.9
产品购买
  • 商品型号
  • 封装
  • 工作温度
  • 包装
  • 价格
  • 现货库存
  • 操作
10s
温馨提示:
订单商品问题请移至我的售后服务提交售后申请,其他需投诉问题可移至我的投诉提交,我们将在第一时间给您答复
返回顶部