h1_key

TI(德州仪器) AFE7952
德州仪器 (TI) 全系列产品在线购买
  • TI(德州仪器) AFE7952
  • TI(德州仪器) AFE7952
  • TI(德州仪器) AFE7952
  • TI(德州仪器) AFE7952
  • TI(德州仪器) AFE7952
  • TI(德州仪器) AFE7952
立即查看
您当前的位置: 首页 > 射频与微波 > 宽带收发器、接收器、发射器 > 射频采样收发器 > AFE7952
AFE7952

AFE7952

正在供货

4 发送、4 接收、2 反馈、高达 12GHz、支持高达 2400MHz IBW 的射频采样收发器

产品详情
  • 说明
  • 特性
  • 参数
  • 封装 | 引脚 | 尺寸

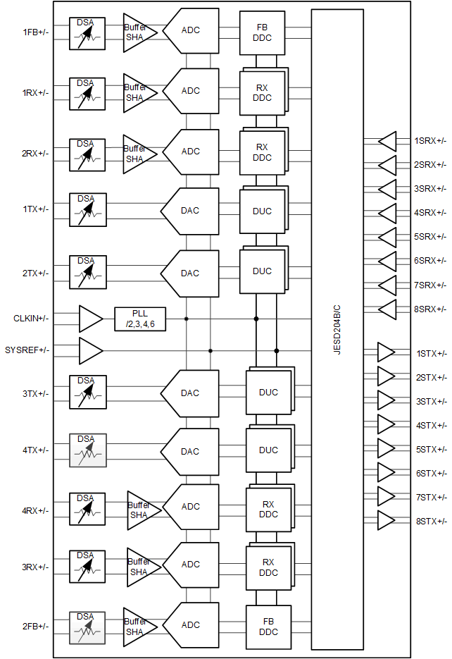
高性能、宽带宽、多通道 收发器,集成了四个射频采样发送器链四个射频采样接收器链和两个射频采样数字化辅助链(反馈路径)。发送器链和接收器链的高动态范围使器件能够从无线基站生成和接收 3G、4G 和 5G 信号,而 的宽带宽功能专为多频带 4G 和 5G 基站而设计。

每个接收器链均包含一个 25dB 范围的数字步进衰减器 (DSA),后跟一个 3GSPS 模数转换器 (ADC)。每个接收器通道都有一个模拟峰值功率检测器和各种数字功率检测器,用于支持外部或内部自主自动增益控制器,另外还具有射频过载检测器,用于提供器件可靠性保护。单通道 或双通道数字下变频器 (DDC) 可提供高达 600MHz 的组合信号带宽(双通道 DDC 模式)或 1200MHz 的组合信号带宽(单通道 DDC 模式)。在 TDD 模式下,接收器通道经过配置可在流量接收器 (TDD RX) 和宽带反馈接收器 (TDD FB) 间动态切换,能够重复使用同一模拟输入来实现两种用途。

每个发送器链都包含一个单通道 或双通道数字上变频器 (DUC),支持高达 2400MHz(对于 2TX)或 1200MHz(对于 4TX)的组合信号带宽。DUC 的输出驱动 12GSPS DAC(数模转换器),通过混合模式输出选项增强在第二或第三奈奎斯特区域的运行。DAC 输出包括一个具有 40dB 范围以及 1dB 模拟和 0.125dB 数字步进的可变增益放大器 (TX DSA)。

反馈路径包括一个驱动 3GSPS 射频采样 ADC 的 25dB 范围 DSA,后跟一个带宽高达 1200MHz 的 DDC。

  • 四通道射频采样 12 GSPS 发送 DAC
  • 四通道射频采样 3 GSPS 接收 ADC
  • 双通道射频采样 3GSPS 反馈 ADC
  • 最大射频信号带宽:
    • TX:2TX 为 2400MHz,4TX 为 1200MHz
    • FB:1200 MHz
    • RX:1200MHz(无 FB);600MHz(带 FB)
  • 射频频率范围:高达 12GHz
  • 数字步进衰减器 (DSA):
    • TX:40dB 范围、1dB 模拟和 0.125dB 数字步进
    • RX:25 dB 范围,0.5 dB 步进
  • 用于 TX 和 RX 的双频带 DUC/DDC
  • 用于快速频率开关的双通道 NCO
  • 通过在 TX 和 RX 之间快速切换来支持 TDD 操作
  • 用于生成 DAC/ADC 时钟的内部 PLL/VCO
  • DAC 或 ADC 速率下的可选外部 CLK
  • 串行器/解串器数据接口:
    • 符合 JESD204B 和 JESD204C 标准
    • 8 个高达 29.5Gbps 的串行器/解串器收发器
    • 8b/10b 和 64b/66b 编码
    • 12 位、16 位、24 位和 32 位分辨率
    • 子类 1 多器件同步
  • 封装:17mm × 17mm FCBGA,间距 0.8 mm
ApplicationsWireless infrastructure
Number of TXs and RXs4 TX, 4 RX
Number of DUCs per TX2
Number of DDCs per RX2
RF frequency (max) (MHz)12000
RF frequency (min) (MHz)0
Operating temperature range (°C)-40 to 85
RatingCatalog
FCBGA (ABJ)400289 mm² 17 x 17
产品购买
  • 商品型号
  • 封装
  • 工作温度
  • 包装
  • 价格
  • 现货库存
  • 操作

很抱歉,暂时无法提供与“AFE7952”系列相匹配的产品,您可以联系专属客服快速找货或在现货搜索框中重新搜索。

10s
温馨提示:
订单商品问题请移至我的售后服务提交售后申请,其他需投诉问题可移至我的投诉提交,我们将在第一时间给您答复
返回顶部