h1_key

TI(德州仪器) AWR1243
德州仪器 (TI) 全系列产品在线购买
  • TI(德州仪器) AWR1243
  • TI(德州仪器) AWR1243
  • TI(德州仪器) AWR1243
  • TI(德州仪器) AWR1243
  • TI(德州仪器) AWR1243
  • TI(德州仪器) AWR1243
立即查看
您当前的位置: 首页 > 传感器 > 毫米波雷达传感器 > 汽车毫米波雷达传感器 > AWR1243
AWR1243

AWR1243

正在供货

76GHz 至 81GHz 高性能汽车类 MMIC

产品详情
  • 说明
  • 特性
  • 参数
  • 封装 | 引脚 | 尺寸

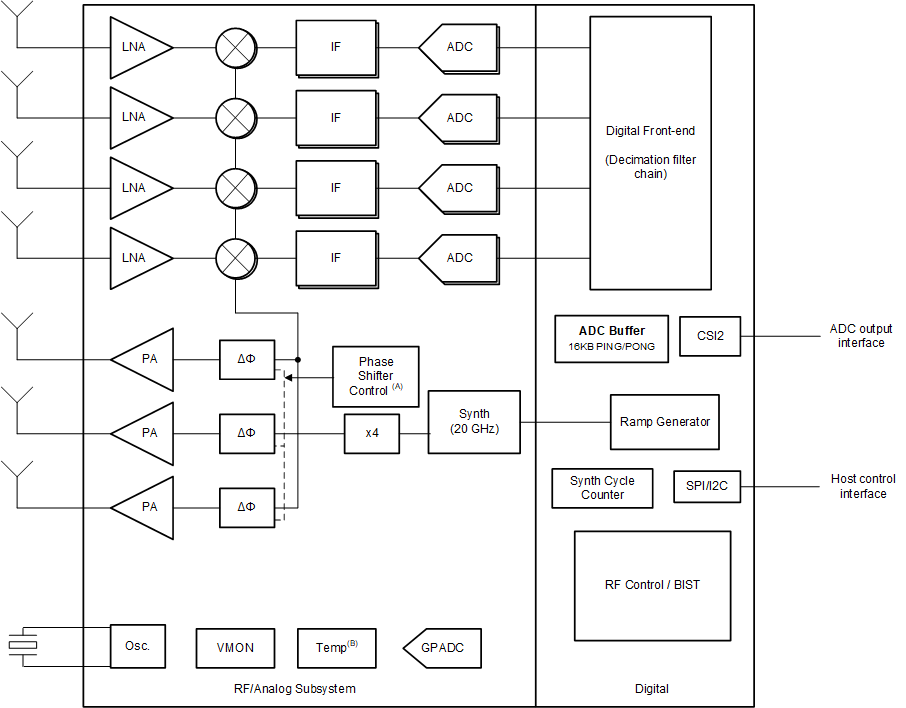
AWR1243 器件是一款能够在 76 至 81GHz 频带内运行的集成式单芯片 FMCW 收发器。该器件在极小的封装中实现了出色的集成度。AWR1243 是适用于汽车领域中的低功耗、自监控、超精确雷达系统的理想解决方案。

AWR1243 器件是一种自包含 FMCW 收发器单芯片解决方案,能够简化 76 至 81GHz 频带中的汽车雷达传感器实施。它基于 TI 的低功耗 45nm RFCMOS 工艺构建,从而实现了一个具有内置 PLL 和 ADC 转换器的单片实施 3TX、4RX 系统。简单编程模型更改可支持各种传感器实施(近距离、中距离和远距离),并且能够进行动态重新配置,从而实现多模式传感器。此外,该器件作为完整的平台解决方案进行提供,其中包括 TI 参考设计、软件驱动程序、示例配置、API 指南以及用户文档。

  • FMCW 收发器
    • 集成 PLL、发送器、接收器、基带和 ADC
    • 76GHz 至 81GHz 的覆盖范围,具有 4GHz 的可用带宽
    • 四个接收通道
    • 三个发送通道(可以同时使用两个通道)
    • 基于分数 N PLL 的超精确线性调频脉冲引擎
    • TX 功率:12dBm
    • RX 噪声系数:
      • 14dB(76 至 77GHz)
      • 15dB(77 至 81GHz)
    • 1MHz 时的相位噪声:
      • –95dBc/Hz(76 至 77GHz)
      • –93dBc/Hz(77 至 81GHz)
  • 内置校准和自检
    • 内置固件 (ROM)
    • 针对工艺和温度进行自校准的系统
  • 主机接口
    • 通过 SPI 与外部处理器进行控制连接
    • 通过 MIPI D-PHY 和 CSI2 V1.1 与外部处理器进行数据连接
    • 用于故障报告的中断
  • 符合功能安全标准
    • 专为功能安全应用开发
    • 文档有助于使 ISO 26262 功能安全系统设计满足 ASIL-D 级要求
    • 硬件完整性高达 ASIL-B 级
    • 安全相关认证
      • 经 TUV SUD 进行 ISO 26262 认证达到 ASIL B 级
  • 符合 AEC-Q100 标准
  • 器件高级特性
    • 嵌入式自监控,无需使用主机处理器
    • 复基带架构
    • 嵌入式干扰检测功能
  • 电源管理
    • 内置 LDO 网络,可增强 PSRR
    • I/O 支持双电压 3.3V/1.8V
  • 时钟源
    • 支持外部驱动、频率为 40MHz 的时钟(方波/正弦波)
    • 支持 40MHz 晶体与负载电容器相连接
  • 轻松的硬件设计
    • 0.65mm 间距、161 引脚 10.4mm × 10.4mm 覆晶 BGA 封装,可实现轻松组装和低成本 PCB 设计
    • 小尺寸解决方案
  • 运行条件
    • 结温范围:–40°C 至 125°C
Frequency range76 - 81 GHz
Number of receivers4
Number of transmitters3
ADC sampling rate (max) (Msps)37.5
Interface typeMIPI-CSI2, SPI, UART
RatingAutomotive
Operating temperature range (°C)-40 to 125
TI functional safety categoryFunctional Safety-Compliant
Power supply solutionLP87524B-Q1, LP87524J-Q1, LP87524P-Q1, LP87745-Q1
FCCSP (ABL)161108.16 mm² 10.4 x 10.4
产品购买
  • 商品型号
  • 封装
  • 工作温度
  • 包装
  • 价格
  • 现货库存
  • 操作
10s
温馨提示:
订单商品问题请移至我的售后服务提交售后申请,其他需投诉问题可移至我的投诉提交,我们将在第一时间给您答复
返回顶部