h1_key

TI(德州仪器) ADS58J64
德州仪器 (TI) 全系列产品在线购买
  • TI(德州仪器) ADS58J64
  • TI(德州仪器) ADS58J64
  • TI(德州仪器) ADS58J64
  • TI(德州仪器) ADS58J64
  • TI(德州仪器) ADS58J64
  • TI(德州仪器) ADS58J64
立即查看
您当前的位置: 首页 > 射频与微波 > 宽带收发器、接收器、发射器 > 接收器 > ADS58J64
ADS58J64

ADS58J64

正在供货

四通道、14 位、1GSPS 电信接收器和反馈 IC

产品详情
  • 说明
  • 特性
  • 参数
  • 封装 | 引脚 | 尺寸

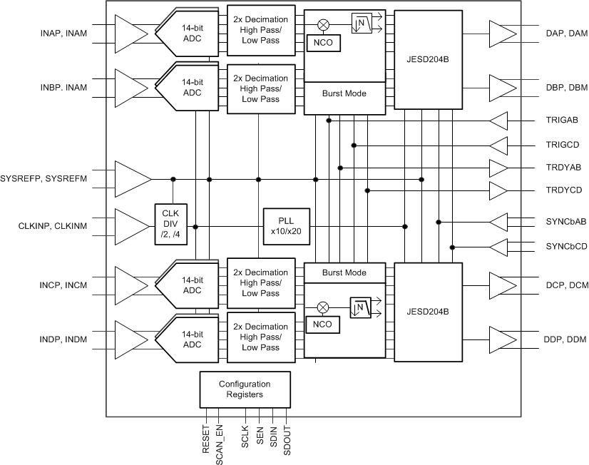
ADS58J64 是一款低功耗、高带宽、14 位、1GSPS、四通道电信接收器。ADS58J64 支持 JESD204B 串行接口,每个通道上具有 1 条信道,数据传输速率高达 10Gbps。经缓冲的模拟输入可在较宽频率范围内提供统一输入阻抗,并最大程度地降低采样和保持毛刺脉冲能量。ADS58J64 以超低功耗在宽输入频率范围内提供出色的无杂散动态范围 (SFDR)。数字信号处理模块包含复混频器,后接低通滤波器。低通滤波器具有 2 倍抽取率和 4 倍抽取率两个选项,支持高达 200MHz 的接收器带宽。此外,ADS58J64 在突发模式下还支持 14 位、500MSPS 输出,因此适用于数字预失真 (DPD) 观测接收器。

JESD204B 接口减少了接口线路数,从而提升系统集成度。内部锁相环 (PLL) 会将传入的模数转换器 (ADC) 采样时钟加倍,以获得串行化各通道的 14 位数据时使用的位时钟。

  • 四通道
  • 14 位分辨率
  • 最大采样率:1GSPS
  • 最大输出采样率:500MSPS
  • 具有高阻抗输入的模拟输入缓冲器
  • 3dB 输入带宽:1GHz
  • 输出选项:
    • Rx:低通滤波器具有 2 倍抽取率和 4 倍抽取率两个选项
    • 支持 200MHz 复带宽或 100MHz 实带宽
    • DPD FB:2 倍抽取率,14 位突发模式输出
  • 1.1 VPP 差分满量程输入
  • JESD204B 接口:
    • 支持子类 1
    • 每个 ADC 一条信道,速率高达 10Gsps
    • 专用于通道对的 SYNC 引脚
  • 支持多芯片同步
  • 72 引脚超薄型四方扁平无引线 (VQFN) 封装 (10mm × 10mm)
  • 功率耗散:625 mW/通道
  • 频谱性能 (突发模式,高分辨率):
    • fIN = 190MHz 中频 (IF)(–1dBFS 时):
      • SNR:69dBFS
      • NSD:-153dBFS/Hz
      • SFDR:86dBc(HD2,HD3), 95dBFS(非 HD2,HD3)
    • fIN = 370 MHz IF(–3dBFS 时):
      • SNR:68.5dBFS
      • NSD:-152.5dBFS/Hz
      • SFDR:80dBc(HD2,HD3), 86dBFS(非 HD2,HD3)
Number of input channels4
Resolution (Bits)14
Sample rate (max) (Msps)1000
FeaturesDecimating Filter, Differential Inputs, High Dynamic Range, Nap Mode, Out of Range Indicator, Power Down
Analog input BW (MHz)1000
SFDR (typ) (dB)88
SNR (typ) (dB)69.6
Power consumption (typ) (mW)2500
Operating temperature range (°C)-40 to 85
RatingCatalog
VQFN (RRH)72100 mm² 10 x 10
VQFNP (RMP)72100 mm² 10 x 10
产品购买
  • 商品型号
  • 封装
  • 工作温度
  • 包装
  • 价格
  • 现货库存
  • 操作
10s
温馨提示:
订单商品问题请移至我的售后服务提交售后申请,其他需投诉问题可移至我的投诉提交,我们将在第一时间给您答复
返回顶部