h1_key

TI(德州仪器) TRF370417
德州仪器 (TI) 全系列产品在线购买
  • TI(德州仪器) TRF370417
  • TI(德州仪器) TRF370417
  • TI(德州仪器) TRF370417
  • TI(德州仪器) TRF370417
  • TI(德州仪器) TRF370417
  • TI(德州仪器) TRF370417
立即查看
您当前的位置: 首页 > 射频与微波 > 混频器和调制器 > IQ 调制器 > TRF370417
TRF370417

TRF370417

正在供货

50MHz 至 6.0GHz 正交调制器,1.7V 共模电压

产品详情
  • 说明
  • 特性
  • 参数
  • 封装 | 引脚 | 尺寸

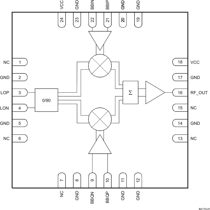
The TRF370417 is a low-noise direct quadrature modulator, capable of converting complex modulated signals from baseband or IF directly up to RF. The TRF370417 is a high-performance, superior-linearity device that operates at RF frequencies of 50 MHz through 6 GHz. The modulator is implemented as a double-balanced mixer. The RF output block consists of a differential to single-ended converter and an RF amplifier capable of driving a single-ended 50-Ω load without any need of external components. The TRF370417 requires a 1.7-V common-mode voltage for optimum linearity performance.

  • 76-dBc Single-Carrier WCDMA ACPR at –8 dBm
    Channel Power
  • Low Noise Floor: –l162.3 dBm/Hz at 2140 MHz
  • OIP3 of 26.5 dBm at 2140 MHz
  • P1dB of 12 dBm at 2140 MHz
  • Carrier Feedthrough of –38 dBm at 2140 MHz
  • Side-Band Suppression of –50 dBc at 2140 MHz
  • Single Supply: 4.5-V–5.5-V Operation
  • Silicon Germanium Technology
  • 1.7-V CM at I, Q Baseband Inputs
Frequency (min) (MHz)50
Frequency (max) (MHz)6000
I/Q input common-mode voltage (typ) (V)1.7
PLL/VCONo
P1dB (typ) (dBm)12
OIP3 (typ) (dBm)26.5
Noise floor (typ) (dBm/Hz)-162
Unadjusted carrier suppression (typ) (dBm)-38
Unadjusted sideband suppression (typ) (dBc)-50
RatingCatalog
Operating temperature range (°C)-40 to 85
VQFN (RGE)2416 mm² 4 x 4
产品购买
  • 商品型号
  • 封装
  • 工作温度
  • 包装
  • 价格
  • 现货库存
  • 操作
10s
温馨提示:
订单商品问题请移至我的售后服务提交售后申请,其他需投诉问题可移至我的投诉提交,我们将在第一时间给您答复
返回顶部