h1_key

TI(德州仪器) LMH2110
德州仪器 (TI) 全系列产品在线购买
  • TI(德州仪器) LMH2110
  • TI(德州仪器) LMH2110
  • TI(德州仪器) LMH2110
  • TI(德州仪器) LMH2110
  • TI(德州仪器) LMH2110
  • TI(德州仪器) LMH2110
立即查看
您当前的位置: 首页 > 射频与微波 > 射频功率检测器 > LMH2110
LMH2110

LMH2110

正在供货

具有 45dB 动态范围的 8GHz 对数 RMS 功率检测器

产品详情
  • 说明
  • 特性
  • 参数
  • 封装 | 引脚 | 尺寸

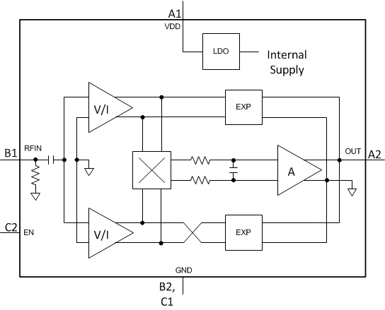
The LMH2110 is a 45-dB Logarithmic RMS power detector particularly suited for accurate power measurement of modulated RF signals that exhibit large peak-to-average ratios; that is, large variations of the signal envelope. Such signals are encountered in W-CDMA and LTE cell phones. The RMS measurement topology inherently ensures a modulation insensitive measurement.

The device has an RF frequency range from 50 MHz to 8 GHz. It provides an accurate, temperature and supply insensitive output voltage that relates linearly to the RF input power in dBm. The LMH2110 device has excellent conformance to a logarithmic response, enabling easy integration by using slope and intercept only, reducing calibration effort significantly. The device operates with a single supply from 2.7 V to 5 V. The LMH2110 has an RF power detection range from –40 dBm to 5 dBm and is ideally suited for use in combination with a directional coupler. Alternatively, a resistive divider can be used.

The device is active for EN = High; otherwise, it is in a low power-consumption shutdown mode. To save power and prevent discharge of an external filter capacitance, the output (OUT) is high-impedance during shutdown.

  • Wide Supply Range from 2.7 V to 5 V
  • Logarithmic Root Mean Square Response
  • 45-dB Linear-in-dB Power Detection Range
  • Multi-Band Operation from 50 MHz to 8 GHz
  • LOG Conformance Better than ±0.5 dB
  • Highly Temperature Insensitive, ±0.25 dB
  • Modulation Independent Response, 0.08 dB
  • Minimal Slope and Intercept Variation
  • Shutdown Functionality
  • Tiny 6-Bump DSBGA Package
Frequency (min) (MHz)50
Frequency (max) (MHz)8000
TypeRMS
Supply voltage (min) (V)2.7
Supply voltage (max) (V)5
Supply current (µA)4800
Number of channels1
Dynamic range (typ) (dB)45
Operating temperature range (°C)-40 to 85
RatingCatalog
DSBGA (YFQ)61.4000000000000001 mm² 1.4000000000000001 x 1
产品购买
  • 商品型号
  • 封装
  • 工作温度
  • 包装
  • 价格
  • 现货库存
  • 操作
10s
温馨提示:
订单商品问题请移至我的售后服务提交售后申请,其他需投诉问题可移至我的投诉提交,我们将在第一时间给您答复
返回顶部