h1_key

TI(德州仪器) LMH2100
德州仪器 (TI) 全系列产品在线购买
  • TI(德州仪器) LMH2100
  • TI(德州仪器) LMH2100
  • TI(德州仪器) LMH2100
  • TI(德州仪器) LMH2100
  • TI(德州仪器) LMH2100
  • TI(德州仪器) LMH2100
立即查看
您当前的位置: 首页 > 射频与微波 > 射频功率检测器 > LMH2100
LMH2100

LMH2100

正在供货

用于 CDMA 和 WCDMA 的 50MHz 至 4GHz 40dB 对数功率检测器

产品详情
  • 说明
  • 特性
  • 参数
  • 封装 | 引脚 | 尺寸

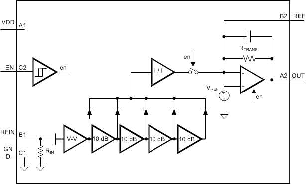
The LMH2100 is a 40-dB RF power detector intended for use in CDMA and WCDMA applications. The device has an RF frequency range from 50 MHz to
4 GHz. It provides an accurate temperature and supply compensated output voltage that relates linearly to the RF input power in dBm. The circuit operates with a single supply from 2.7 V to 3.3 V.

The LMH2100 has an RF power detection range from −45 dBm to −5 dBm, and is ideally suited for direct use in combination with a 30-dB directional coupler. Additional low-pass filtering of the output signal can be realized by means of an external resistor and capacitor. shows a detector with an additional output low pass filter. The filter frequency is set with RS and CS.

shows a detector with an additional feedback low pass filter. Resistor RP is optional and will lower the Trans impedance gain (RTRANS). The filter frequency is set with CP//CTRANS and RP//RTRANS.

The device is active for Enable = High; otherwise it is in a low power-consumption shutdown mode. To save power and prevent discharge of an external filter capacitance, the output (OUT) is high-impedance during shutdown.

For all available packages, see the orderable addendum at the end of the data sheet.

  • Supply Voltage: 2.7 V to 3.3 V
  • Output Voltage: 0.3 V to 2 V
  • 40-dB Linear in dB Power Detection Range
  • Shutdown
  • Multi-Band Operation from 50 MHz to 4 GHz
  • 0.5-dB Accurate Temperature Compensation
  • External Configurable Output Filter Bandwidth
  • 0.4-mm Pitch DSBGA Package
Frequency (min) (MHz)50
Frequency (max) (MHz)4000
TypeLogarithmic
Supply voltage (min) (V)2.7
Supply voltage (max) (V)3.3
Supply current (µA)7100
Number of channels1
Dynamic range (typ) (dB)40
Operating temperature range (°C)-40 to 85
RatingCatalog
DSBGA (YFQ)61.4000000000000001 mm² 1.4000000000000001 x 1
产品购买
  • 商品型号
  • 封装
  • 工作温度
  • 包装
  • 价格
  • 现货库存
  • 操作
10s
温馨提示:
订单商品问题请移至我的售后服务提交售后申请,其他需投诉问题可移至我的投诉提交,我们将在第一时间给您答复
返回顶部