h1_key

TI(德州仪器) TRF370333
德州仪器 (TI) 全系列产品在线购买
  • TI(德州仪器) TRF370333
  • TI(德州仪器) TRF370333
  • TI(德州仪器) TRF370333
  • TI(德州仪器) TRF370333
  • TI(德州仪器) TRF370333
  • TI(德州仪器) TRF370333
立即查看
您当前的位置: 首页 > 射频与微波 > 混频器和调制器 > IQ 调制器 > TRF370333
TRF370333

TRF370333

正在供货

350MHz 至 4.0GHz 正交调制器,3.3V 共模电压

产品详情
  • 说明
  • 特性
  • 参数
  • 封装 | 引脚 | 尺寸

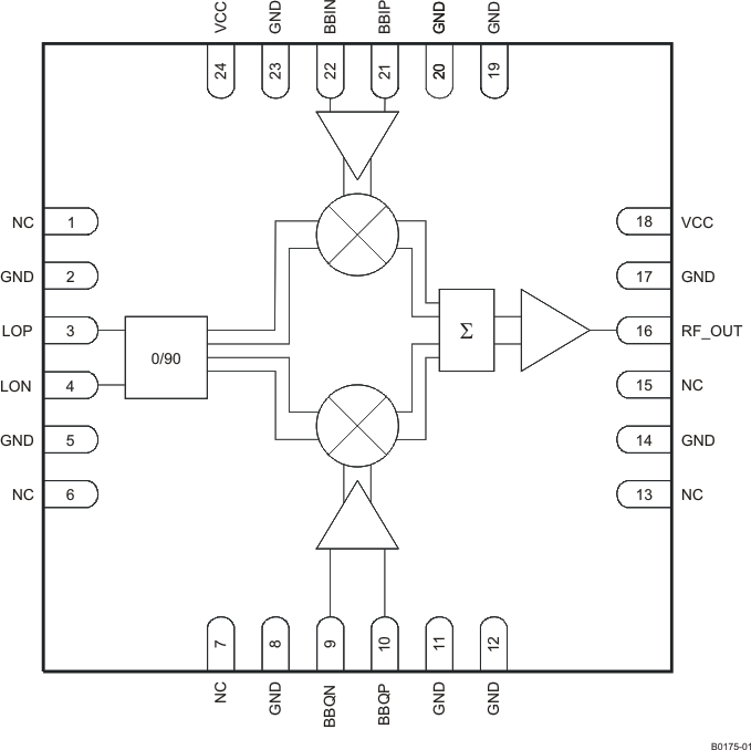
The TRF370315 and TRF370333 are low-noise direct quadrature modulators, capable of converting complex modulated signals from baseband or IF directly up to RF. The TRF370315 and TRF370333 are ideal for high-performance direct RF modulation from 350 MHz up to 4 GHz. These modulators are implemented as a double-balanced mixer. The RF output block consists of a differential to single-ended converter and an RF amplifier capable of driving a single-ended 50-Ω load without any need of external components. The TRF370333 and TRF370315 devices have different common-mode voltage ratings at the I/Q baseband inputs. The TRF370315 requires a 1.5-V common-mode voltage, and the TRF370333 requires a 3.3-V common-mode voltage.

  • 75-dBc Single-Carrier WCDMA ACPR at –11-dBm Channel Power
  • Low Noise Floor: –163 dBm/Hz
  • OIP3 of 23 dBm
  • P1dB of 9 dBm
  • Unadjusted Carrier Feedthrough of –40 dBm
  • Unadjusted Side-Band Suppression of –40 dBc
  • Single Supply: 4.5 V–5.5 V Operation
  • Silicon Germanium Technology
  • TRF370333 With 3.3-V CM at I, Q Baseband Inputs
  • TRF370315 With 1.5-V CM at I, Q Baseband Inputs
  • APPLICATIONS
    • Cellular Base Transceiver Station Transmit Channel
    • CDMA: IS95, UMTS, CDMA2000, TD-SCDMA
    • TDMA: GSM, IS-136, EDGE/UWC-136
    • Wireless Local Loop
    • Wireless MAN Wideband Transceivers

All other trademarks are the property of their respective owners

Frequency (min) (MHz)350
Frequency (max) (MHz)4000
I/Q input common-mode voltage (typ) (V)3.3
PLL/VCONo
P1dB (typ) (dBm)9
OIP3 (typ) (dBm)23
Noise floor (typ) (dBm/Hz)-163
Unadjusted carrier suppression (typ) (dBm)-40
Unadjusted sideband suppression (typ) (dBc)-40
RatingCatalog
Operating temperature range (°C)-40 to 85
VQFN (RGE)2416 mm² 4 x 4
产品购买
  • 商品型号
  • 封装
  • 工作温度
  • 包装
  • 价格
  • 现货库存
  • 操作
10s
温馨提示:
订单商品问题请移至我的售后服务提交售后申请,其他需投诉问题可移至我的投诉提交,我们将在第一时间给您答复
返回顶部