h1_key

TI(德州仪器) LMV226
德州仪器 (TI) 全系列产品在线购买
  • TI(德州仪器) LMV226
  • TI(德州仪器) LMV226
  • TI(德州仪器) LMV226
  • TI(德州仪器) LMV226
  • TI(德州仪器) LMV226
  • TI(德州仪器) LMV226
立即查看
您当前的位置: 首页 > 射频与微波 > 射频功率检测器 > LMV226
LMV226

LMV226

正在供货

采用微型 SMD 封装的射频功率检测器,用于 CDMA 和 WCDMA

产品详情
  • 说明
  • 特性
  • 参数
  • 封装 | 引脚 | 尺寸

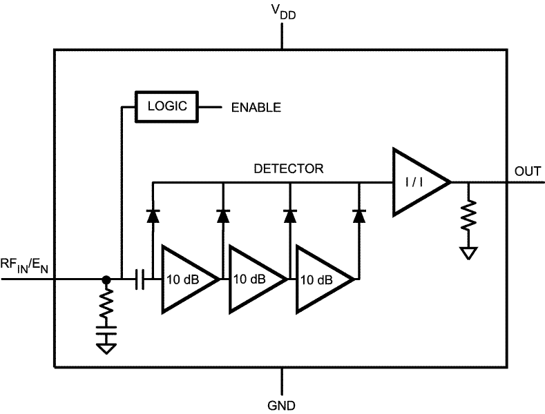
The LMV225/LMV226/LMV228 are 30 dB RF power detectors intended for use in CDMA and WCDMA applications. The device has an RF frequency range from 450 MHz to 2 GHz. It provides an accurate temperature and supply compensated output voltage that relates linearly to the RF input power in dBm. The circuit operates with a single supply from 2.7V to 5.5V. The LMV225/LMV226/LMV228 have an integrated filter for low-ripple average power detection of CDMA signals with 30 dB dynamic range. Additional filtering can be applied using a single external capacitor.

The LMV225 has an RF power detection range from –30 dBm to 0 dBm and is ideally suited for direct use in combination with resistive taps. The LMV226/LMV228 have a detection range from –15 dBm to 15 dBm and are intended for use in combination with a directional coupler. The LMV226 is equipped with a buffered output which makes it suitable for GSM, EDGE, GPRS and TDMA applications.

The device is active for Enable = HI, otherwise it is in a low power consumption shutdown mode. During shutdown the output will be LOW. The output voltage ranges from 0.2V to 2V and can be scaled down to meet ADC input range requirements.

The LMV225/LMV226/LMV228 power detectors are offered in the thin 1.0 mm x 1.0 mm x 0.6 mm DSBGA package and the ultra thin 1.0 mm x 1.0 mm x 0.35 mm DSBGA package. The LMV225 and the LMV228 are also offered in the 2.2 mm x 2.5 mm x 0.8 mm WSON package.

  • 30 dB Linear in dB Power Detection Range
  • Output Voltage Range 0.2 to 2V
  • Logic Low Shutdown
  • Multi-Band Operation from 450 MHz to 2000 MHz
  • Accurate Temperature Compensation
  • Packages:
    • DSBGA Thin 1.0 mm x 1.0 mm x 0.6 mm
    • DSBGA Ultra Thin 1.0 mm x 1.0 mm x 0.35 mm
    • WSON 2.2 mm x 2.5 mm x 0.8 mm(LMV225 and LMV228)

All trademarks are the property of their respective owners.

Frequency (min) (MHz)450
Frequency (max) (MHz)2000
TypeLogarithmic
Supply voltage (min) (V)2.7
Supply voltage (max) (V)5
Supply current (µA)4900
Number of channels1
Dynamic range (typ) (dB)30
Operating temperature range (°C)-40 to 85
RatingCatalog
DSBGA (YPD)41.5625 mm² 1.25 x 1.25
DSBGA (YZR)41.5625 mm² 1.25 x 1.25
产品购买
  • 商品型号
  • 封装
  • 工作温度
  • 包装
  • 价格
  • 现货库存
  • 操作
10s
温馨提示:
订单商品问题请移至我的售后服务提交售后申请,其他需投诉问题可移至我的投诉提交,我们将在第一时间给您答复
返回顶部