h1_key

TI(德州仪器) TMAG5124-Q1
德州仪器 (TI) 全系列产品在线购买
  • TI(德州仪器) TMAG5124-Q1
  • TI(德州仪器) TMAG5124-Q1
  • TI(德州仪器) TMAG5124-Q1
  • TI(德州仪器) TMAG5124-Q1
  • TI(德州仪器) TMAG5124-Q1
  • TI(德州仪器) TMAG5124-Q1
立即查看
您当前的位置: 首页 > 传感器 > 磁传感器 > 霍尔效应锁存器和开关 > TMAG5124-Q1
TMAG5124-Q1

TMAG5124-Q1

正在供货

汽车类 2 线高压(高达 38V)、高精度开关

产品详情
  • 说明
  • 特性
  • 参数
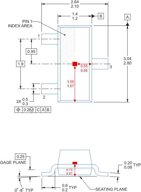
  • 封装 | 引脚 | 尺寸

TMAG5124 -Q1 器件是高精度霍尔效应传感器,可提供双线制接口,可用于 汽车设计。

TMAG5124 -Q1 集成了可在两个级别之间切换的电流源,具体取决于施加给器件的磁场值。较高值为固定值,较低值可从两个范围之间选择。此类接口支持传感器与控制器之间的稳定通信,可进行远距离传输,有助于检测断开连接的情况,可将接线数量限于两条。

该器件采用 3 引脚 SOT-23 封装。虽然封装上有 3 个引脚,但该器件只需要 VCC 和 GND 引脚即可运行。可从这两个引脚分别测量电流,实现高侧或低侧配置。

不同的产品型号可选择不同的磁性灵敏度水平,以满足应用的具体要求。

TMAG5124 -Q1 的宽工作电压范围和反极性保护适用于各种 汽车应用。

  • 具有符合 AEC-Q100 标准的下列特性:
    • 器件温度等级 0:-40°C 至 150°C 环境工作温度范围
  • 带双线制接口的霍尔效应开关
  • 低级电流输出选项:
    • TMAG5124A/B/C/D -Q1:3.5mA
    • TMAG5124E/F/G/H -Q1:6mA
  • 磁性灵敏度:
    • TMAG5124A/E -Q1:4mT(典型值)
    • TMAG5124B/F -Q1:6mT(典型值)
    • TMAG5124C/G -Q1:10mT(典型值)
    • TMAG5124D/H -Q1:15mT(典型值)
  • 快速感应带宽:40kHz
  • 支持宽电压范围
    • 工作 V CC 范围:2.7 V 至 38 V
    • 无需外部稳压器
  • 保护特性:
    • 支持高达 40 V 的负载突降
    • 反极性保护
  • SOT-23 封装选项
TypeUnipolar switch
Operate point (typ) (mT)4, 6, 10, 15
Operate point (max) (mT)5, 7, 11, 16.1
Release point (min) (mT)1, 3, 6.8, 11.4
Supply current (µA)3500, 6000
Bandwidth (kHz)40
Supply voltage (min) (V)2.5
Supply voltage (max) (V)38
RatingCatalog
Operating temperature range (°C)-40 to 150
OutputCurrent
SOT-23 (DBZ)36.9204 mm² 2.92 x 2.37
产品购买
  • 商品型号
  • 封装
  • 工作温度
  • 包装
  • 价格
  • 现货库存
  • 操作
10s
温馨提示:
订单商品问题请移至我的售后服务提交售后申请,其他需投诉问题可移至我的投诉提交,我们将在第一时间给您答复
返回顶部