h1_key

TI(德州仪器) TUSS4470
德州仪器 (TI) 全系列产品在线购买
  • TI(德州仪器) TUSS4470
  • TI(德州仪器) TUSS4470
  • TI(德州仪器) TUSS4470
  • TI(德州仪器) TUSS4470
  • TI(德州仪器) TUSS4470
  • TI(德州仪器) TUSS4470
立即查看
您当前的位置: 首页 > 传感器 > 专用传感器 > 超声波传感器 AFE > TUSS4470
TUSS4470

TUSS4470

正在供货

具有对数放大器的直接驱动超声波传感器 IC

产品详情
  • 说明
  • 特性
  • 参数
  • 封装 | 引脚 | 尺寸

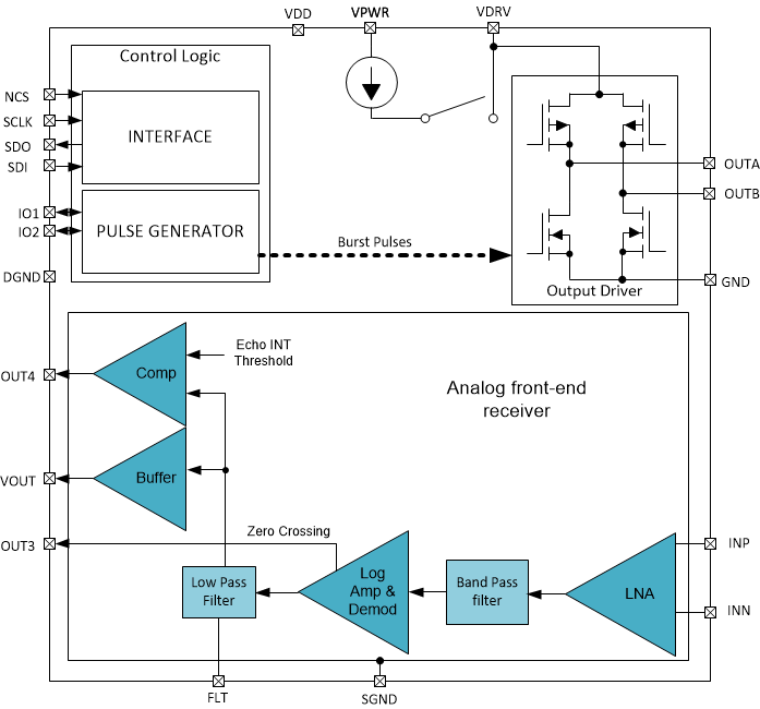
TUSS4470 是一款高度集成的 直接驱动模拟前端,适用于工业超声波应用。 传感器驱动级是内部 H 桥,可配置为在直接驱动模式下驱动传感器,从而在传感器上实现最大电压。内部 H 桥也可以配置为外部 FET 的前置驱动器,从而为较大的传感器提供更高的电流和电压驱动。

接收信号路径包括低噪声线性放大器、带通滤波器,后跟对数增益放大器,可根据输入决定放大。对数放大器具有很高的灵敏度,可捕捉弱回波信号,并在整个反射回波范围内提供出色的输入动态范围。

驱动器可以直接通过微控制器进行控制,以对突发信号进行完全定制,或者可以通过 SPI 并借助可定制的脉冲长度进行编程。 TUSS4470 可以支持单个传感器发送和接收突发信号,或者可以设置两个传感器来拆分发送和接收功能。

  • 集成式驱动器, 用于直接驱动传感器和接收器级,具有用于超声波应用的模拟输出
  • 86dB 输入动态范围模拟前端
    • 一级低噪声放大器,增益可调为 10、12.5、15 和 20V/V
    • 40KHz 至 500KHz 的可配置带通滤波器
    • 宽带对数放大器
  • 支持的传感器频率(由外部时钟控制)
    • 40KHz 至 1MHz
    • 前置驱动器模式:40KHz 至 440KHz
  • 适用于低功耗应用
    • 待机模式:1.7mA(典型值)
    • 睡眠模式:220µA(典型值)
  • 可配置软启动驱动级:
    • 使用内部 H 桥进行传感器激励的直接驱动
    • 用于使用内部 H 桥驱动外部场效应晶体管 (FET) 以实现更高电流驱动的前置驱动器配置
    • 使用 IO1 和 IO2 引脚实现的可配置突发模式
  • 输出:
    • VOUT 上已解调回波包络的电压输出
    • OUT3 引脚上的输入信号过零比较器输出
    • OUT4 引脚上的可编程 VOUT 阈值交叉
  • 串行外设接口 (SPI),可通过微控制器 (MCU) 进行配置
TypeAnalog front-end (AFE)
FeaturesDirect drive
Gain (min) (dB)19
Gain (max) (dB)113
Number of input channels1
Supply voltage (min) (V)5
Supply voltage (max) (V)36
Operating temperature range (°C)-25 to 105
Interface typeSPI
RatingCatalog
WQFN (RTJ)2016 mm² 4 x 4
产品购买
  • 商品型号
  • 封装
  • 工作温度
  • 包装
  • 价格
  • 现货库存
  • 操作
10s
温馨提示:
订单商品问题请移至我的售后服务提交售后申请,其他需投诉问题可移至我的投诉提交,我们将在第一时间给您答复
返回顶部