h1_key

TI(德州仪器) DRV5021-Q1
德州仪器 (TI) 全系列产品在线购买
  • TI(德州仪器) DRV5021-Q1
  • TI(德州仪器) DRV5021-Q1
  • TI(德州仪器) DRV5021-Q1
  • TI(德州仪器) DRV5021-Q1
  • TI(德州仪器) DRV5021-Q1
  • TI(德州仪器) DRV5021-Q1
立即查看
您当前的位置: 首页 > 传感器 > 磁传感器 > 霍尔效应锁存器和开关 > DRV5021-Q1
DRV5021-Q1

DRV5021-Q1

正在供货

汽车类 2.5V 至 5.5V 霍尔效应单极开关

产品详情
  • 说明
  • 特性
  • 参数
  • 封装 | 引脚 | 尺寸

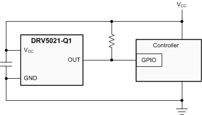
DRV5021-Q1 是一款低电压数字开关霍尔效应传感器,适用于高速汽车 应用。该器件由 2.5V 至 5.5V 的电源供电,可以检测磁通量密度并根据预定义的磁性阈值提供数字输出。

该器件会检测垂直于封装面的磁场。当施加的磁通量密度超过磁运行点 BOP 阈值时,器件的漏极开路输出将驱动低电压。当磁通量密度降至磁释放点 (BRP) 阈值时,输出会变为高阻抗。BOP 和 BRP 的分离所产生的滞后有助于防止输入噪声引起的输出误差。这种配置使得系统设计能够更加稳健地抵抗噪声干扰。

该器件可在 –40°C 至 +150°C 的宽环境温度范围内保持稳定的优异性能。

 

 

 

 

 

 

  • 适用于汽车电子 应用
  • 下列性能符合 AEC-Q100 标准:
    • 器件温度等级 0:–40°C 至 150°C 环境工作温度范围
    • 器件 HBM ESD 分类等级 3A
    • 器件 CDM ESD 分类等级 C6
  • 数字单极开关霍尔传感器
  • 2.5V 至 5.5V 工作 VCC 范围
  • 磁性灵敏度选项 (BOP,BRP):
    • DRV5021A1-Q1:2.9mT、1.8mT
    • DRV5021A2-Q1:9.2mT、7.0mT
    • DRV5021A3-Q1:17.9mT、14.1mT
  • 30kHz 高速感应带宽
  • 漏极开路输出电流高达 20mA
  • 经过优化的低电压架构
  • 具有集成迟滞特性,可增强抗噪能力
  • 标准行业封装:
    • 表面贴装 SOT-23
TypeUnipolar switch
Operate point (typ) (mT)2.9, 9.2, 17.9
Operate point (max) (mT)4.7, 14, 25.4
Release point (min) (mT)0.1, 2.7, 5.1
Supply current (µA)2300
Bandwidth (kHz)30
Supply voltage (min) (V)2.5
Supply voltage (max) (V)5.5
RatingCatalog
Operating temperature range (°C)-40 to 150
OutputOpen drain
SOT-23 (DBZ)36.9204 mm² 2.92 x 2.37
产品购买
  • 商品型号
  • 封装
  • 工作温度
  • 包装
  • 价格
  • 现货库存
  • 操作
10s
温馨提示:
订单商品问题请移至我的售后服务提交售后申请,其他需投诉问题可移至我的投诉提交,我们将在第一时间给您答复
返回顶部