h1_key

TI(德州仪器) PGA305
德州仪器 (TI) 全系列产品在线购买
  • TI(德州仪器) PGA305
  • TI(德州仪器) PGA305
  • TI(德州仪器) PGA305
  • TI(德州仪器) PGA305
  • TI(德州仪器) PGA305
  • TI(德州仪器) PGA305
立即查看
您当前的位置: 首页 > 传感器 > 专用传感器 > 信号调节器 > PGA305
PGA305

PGA305

正在供货

具有数字和模拟输出的电阻式传感信号调理器

产品详情
  • 说明
  • 特性
  • 参数
  • 封装 | 引脚 | 尺寸

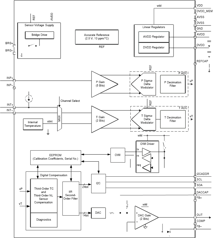
PGA305 器件提供了一个适用于压阻式和应力计式压感元件的接口。该器件是一套完整的片上系统 (SoC) 解决方案,具有可编程模拟前端 (AFE)、ADC 和数字信号处理功能,可直接连接传感元件。此外,PGA305 器件还集成了稳压器和振荡器,最大程度地减少了外部组件数。PGA305 器件可以采用三阶温度和非线性补偿来实现高精度。该器件还可以使用集成 I2C 接口或单线制串行接口 (OWI) 来实现外部通信并简化系统校准流程。集成 DAC 支持绝对电压、比例电压以及 4mA 至 20mA 的电流回路输出。

  • 模拟 特性
    • 适用于阻性桥式传感器的模拟前端
    • 传感器灵敏度可调节范围:1mV/V 至 135mV/V
    • 片上温度传感器
    • 可编程增益
    • 适用于信号通道的 24 位 Σ-Δ 模数转换器
    • 适用于温度通道的 24 位 Σ-Δ 模数转换器
    • 14 位输出数模转换器 (DAC)
  • 数字 特性
    • 整个温度范围内的 FSO 精度 < 0.1%
    • 系统响应时间 < 220µs
    • 三阶偏移、增益和非线性温度补偿
    • 诊断功能
    • 集成 EEPROM 用于存储器件操作、校准数据和用户数据
  • 外设 特性
    • 可通过 I2C 接口实现数据读取和器件配置
    • 单线接口,可通过电源引脚进行通信,无需额外使用线路
    • 4mA 至 20mA 电流回路接口
    • 比例电压输出和绝对电压输出
    • 电源管理控制
    • 模拟低压检测
  • 通用 特性
    • 工业温度范围:–40°C 至 150°C
    • 电源:
      • 片上电源管理,支持 3.3V 至 30V 的宽电源电压范围
      • 集成反向保护电路
Number of input channels2
Operating temperature range (°C)-40 to 150
Vs (min) (V)3.3
Vs (max) (V)30
Interface type4-20mA, I2C, OWI, Ratiometric analog voltage
Resolution (Bits)24
RatingMilitary
VQFN (RHH)3636 mm² 6 x 6
产品购买
  • 商品型号
  • 封装
  • 工作温度
  • 包装
  • 价格
  • 现货库存
  • 操作
10s
温馨提示:
订单商品问题请移至我的售后服务提交售后申请,其他需投诉问题可移至我的投诉提交,我们将在第一时间给您答复
返回顶部