h1_key

TI(德州仪器) LMT70A
德州仪器 (TI) 全系列产品在线购买
  • TI(德州仪器) LMT70A
  • TI(德州仪器) LMT70A
  • TI(德州仪器) LMT70A
  • TI(德州仪器) LMT70A
  • TI(德州仪器) LMT70A
  • TI(德州仪器) LMT70A
立即查看
您当前的位置: 首页 > 传感器 > 温度传感器和控制 IC > 模拟温度传感器 > LMT70A
LMT70A

LMT70A

正在供货

±0.1°C 匹配精度精密模拟温度传感器

产品详情
  • 说明
  • 特性
  • 参数
  • 封装 | 引脚 | 尺寸

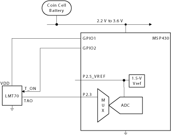
LMT70 是一款带有输出使能引脚的超小型、高精度、低功耗互补金属氧化物半导体 (CMOS) 模拟温度传感器。 LMT70 几乎适用于所有高精度、低功耗的经济高效型温度感测应用,例如物联网 (IoT) 传感器节点、医疗温度计、高精度仪器仪表和电池供电设备。 LMT70 也是 RTD 和高精度 NTC/PTC 热敏电阻的理想替代产品。

多个 LMT70 可利用输出使能引脚来共用一个模数转换器 (ADC) 通道,从而简化 ADC 校准过程并降低精密温度感测系统的总成本。 LMT70 还具有一个线性低阻抗输出,支持与现成的微控制器 (MCU)/ADC 无缝连接。 LMT70 的热耗散低于 36µW,这种超低自发热特性支持其在宽温度范围内保持高精度。

LMT70A 具有出色的温度匹配性能,同一卷带中取出的相邻两个 LMT70A 的温度最多相差 0.1°C。 因此,对于需要计算热量传递的能量计量应用而言,LMT70A 是一套理想的解决方案。

  • 精度:
    • 20°C 至 42°C 范围内为 ±0.05°C(典型值) 或 ±0.13°C(最大值)
    • -20°C 至 90°C 范围内为 ±0.2°C(最大值)
    • 90°C 至 110°C 范围内为 ±0.23°C(最大值)
    • -55°C 至 150°C 范围内为 ±0.36°C(最大值)
  • 宽温度范围:−55°C 至 150°C
  • 卷带包装中相邻两个 LMT70A 的温度匹配:30°C 时为 0.1°C(最大值)
  • 带有输出使能引脚的超线性模拟温度传感器
  • 负温度系数 (NTC) 输出斜率:-5.19mV/°C
  • RDS on < 80Ω 时输出开启/关闭开关
  • 宽电源范围:2.0V 至 5.5V
  • 低电源电流:9.2µA(典型值)12µA(最大值)
  • 超小型 0.88mm x 0.88mm 4 凸点 WLCSP (DSBGA) 封装

应用

  • 物联网 (IoT) 传感器节点
  • 工业电阻式温度检测器 (RTD)(AA 类)或精密 NTC/正温度系数 (PTC) 热敏电阻的替代产品
  • 医疗/健身设备
  • 医疗温度计
  • 人体温度监视器
  • 计量温度补偿

All trademarks are the property of their respective owners.

Local sensor accuracy (max)0.13
Operating temperature range (°C)-55 to 150
Supply voltage (min) (V)2
Supply voltage (max) (V)5.5
Supply current (max) (µA)12
Interface typeAnalog output
Sensor gain (mV/°C)-5.19
RatingCatalog
DSBGA (YFQ)41 mm² 1 x 1
产品购买
  • 商品型号
  • 封装
  • 工作温度
  • 包装
  • 价格
  • 现货库存
  • 操作
10s
温馨提示:
订单商品问题请移至我的售后服务提交售后申请,其他需投诉问题可移至我的投诉提交,我们将在第一时间给您答复
返回顶部