h1_key

TI(德州仪器) LM92
德州仪器 (TI) 全系列产品在线购买
  • TI(德州仪器) LM92
  • TI(德州仪器) LM92
  • TI(德州仪器) LM92
  • TI(德州仪器) LM92
  • TI(德州仪器) LM92
  • TI(德州仪器) LM92
立即查看
您当前的位置: 首页 > 传感器 > 温度传感器和控制 IC > 数字温度传感器 > LM92
LM92

LM92

正在供货

具有警报功能和 I2C/SMBus 接口的 ±0.5°C 温度传感器

产品详情
  • 说明
  • 特性
  • 参数
  • 封装 | 引脚 | 尺寸

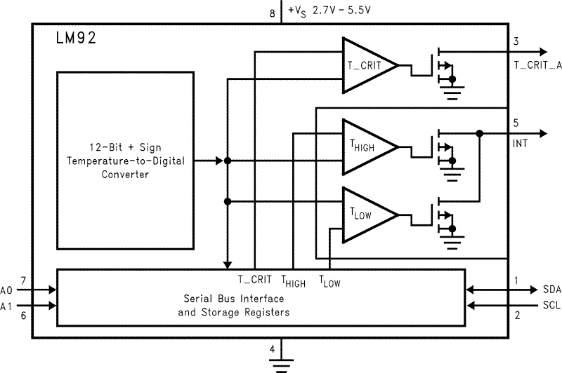
The LM92 is a digital temperature sensor and thermal window comparator with an I2C Serial Bus interface and an accuracy of ±0.33°C. The window-comparator architecture of the LM92 eases the design of temperature control systems. The open-drain Interrupt (INT) output becomes active whenever temperature goes outside a programmable window, while a separate Critical Temperature Alarm (T_CRIT_A) output becomes active when the temperature exceeds a programmable critical limit. The INT output can operate in either a comparator or event mode, while the T_CRIT_A output operates in comparator mode only.

The host can program both the upper and lower limits of the window as well as the critical temperature limit. Programmable Hysteresis as well as a fault queue are available to minimize false tripping. Two pins (A0, A1) are available for address selection. The sensor powers up with default thresholds of 2°C THYST, 10°C TLOW, 64°C THIGH, and 80°C T_CRIT.

The LM92's 2.7V to 5.5V supply voltage range, Serial Bus interface, 12-bit + sign output, and full-scale range of over 128°C make it ideal for a wide range of applications. These include thermal management and protection applications in personal computers, electronic test equipment, office electronics, automotive, medical and HVAC applications.

  • Window Comparison Simplifies Design of ACPI-Compatible Temperature Monitoring and Control
  • Serial Bus Interface
  • Separate Open-Drain Outputs for Interrupt and Critical Temperature Shutdown
  • Shutdown Mode to Minimize Power Consumption
  • Up to Four LM92s can be Connected to a Single Bus
  • 12-Bit + Sign Output
  • Operation up to 150°C

Key Specifications

  • Supply Voltage 2.7V to 5.5V
  • Supply Current operating 350 μA (typ) 625 μA (max) shutdown 5 μA (typ)
  • Temperature Accuracy
    • 30°C, ±0.33°C (max)
    • 10°C to 50°C, ±0.50°C (max)
    • −10°C to 85°C, ±1.0°C (max)
    • 125°C, ±1.25°C (max)
    • −25°C to 150°C, ±1.5°C (max)
  • Linearity ±0.5°C (max)
  • Resolution 0.0625°C

All trademarks are the property of their respective owners.

Local sensor accuracy (max)0.5
TypeLocal
Operating temperature range (°C)-55 to 150
Supply voltage (min) (V)2.7
Interface typeI2C, SMBus
Supply voltage (max) (V)5.5
FeaturesALERT
Supply current (max) (µA)625
Temp resolution (max) (Bits)13
Remote channels (#)0
Addresses4
RatingCatalog
SOIC (D)829.4 mm² 4.9 x 6
产品购买
  • 商品型号
  • 封装
  • 工作温度
  • 包装
  • 价格
  • 现货库存
  • 操作
10s
温馨提示:
订单商品问题请移至我的售后服务提交售后申请,其他需投诉问题可移至我的投诉提交,我们将在第一时间给您答复
返回顶部