h1_key

TI(德州仪器) LM76
德州仪器 (TI) 全系列产品在线购买
  • TI(德州仪器) LM76
  • TI(德州仪器) LM76
  • TI(德州仪器) LM76
  • TI(德州仪器) LM76
  • TI(德州仪器) LM76
  • TI(德州仪器) LM76
立即查看
您当前的位置: 首页 > 传感器 > 温度传感器和控制 IC > 数字温度传感器 > LM76
LM76

LM76

正在供货

具有警报功能和 I2C/SMBus 接口的 ±1°C 温度传感器

产品详情
  • 说明
  • 特性
  • 参数
  • 封装 | 引脚 | 尺寸

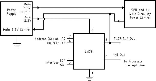
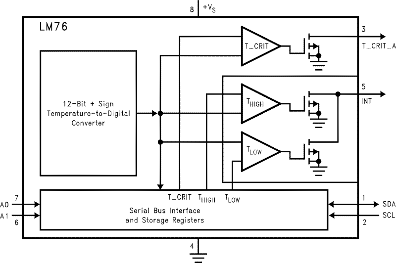
The LM76 is a digital temperature sensor and thermal window comparator with an I2C Serial Bus interface with an accuracy of ±1°C. This accuracy for the LM76CHM is specified for a −10°C to 45°C temperature range. The LM76CHM is specified with an accuracy ±0.5°C at 25°C. The window-comparator architecture of the LM76 eases the design of temperature control systems conforming to the ACPI (Advanced Configuration and Power Interface) specification for personal computers. The open-drain Interrupt (INT) output becomes active whenever temperature goes outside a programmable window, while a separate Critical Temperature Alarm (T_CRIT_A) output becomes active when the temperature exceeds a programmable critical limit. The INT output can operate in either a comparator or event mode, while the T_CRIT_A output operates in comparator mode only.

The host can program both the upper and lower limits of the window as well as the critical temperature limit. Programmable hysterisis as well as a fault queue are available to minimize false tripping. Two pins (A0, A1) are available for address selection. The sensor powers up with default thresholds of 2°C THYST, 10°C TLOW, 64°C THIGH, and 80°C T_CRIT.

The LM76's 5.0V supply voltage, Serial Bus interface, 12-bit + sign output, and full-scale range of over 127°C make it ideal for a wide range of applications. These include thermal management and protection applications in personal computers, electronic test equipment, office electronics and bio-medical applications.

  • Window Comparison Simplifies Design of ACPI Compatible Temperature Monitoring and Control.
  • Serial Bus Interface
  • Separate Open-Drain Outputs for Interrupt and Critical Temperature Shutdown
  • Shutdown Mode to Minimize Power Consumption
  • Up to 4 LM76s can be Connected to a Single Bus
  • 12-bit + Sign Output; Full-scale Reading of Over 127°C

Key Specifications

  •  Supply Voltage 5.0V
  • Supply Current
    • Operating250 µA (typ)450 µA (max)
    • Shutdown8 µA (max)
  • Temperature +25ºC ±0.5ºC (max)
    • Accuracy–10ºC to +45ºC ±10°C (max)70°C to 100°C ±1.0°C (max)
  • Resolution 0.0625°C

All trademarks are the property of their respective owners.

Local sensor accuracy (max)1
TypeLocal
Operating temperature range (°C)-55 to 150
Supply voltage (min) (V)4.5
Interface typeI2C, SMBus
Supply voltage (max) (V)5.5
FeaturesALERT
Supply current (max) (µA)450
Temp resolution (max) (Bits)13
Remote channels (#)0
Addresses4
RatingCatalog
SOIC (D)829.4 mm² 4.9 x 6
产品购买
  • 商品型号
  • 封装
  • 工作温度
  • 包装
  • 价格
  • 现货库存
  • 操作
10s
温馨提示:
订单商品问题请移至我的售后服务提交售后申请,其他需投诉问题可移至我的投诉提交,我们将在第一时间给您答复
返回顶部