h1_key

TI(德州仪器) LM61
德州仪器 (TI) 全系列产品在线购买
  • TI(德州仪器) LM61
  • TI(德州仪器) LM61
  • TI(德州仪器) LM61
  • TI(德州仪器) LM61
  • TI(德州仪器) LM61
  • TI(德州仪器) LM61
立即查看
您当前的位置: 首页 > 传感器 > 温度传感器和控制 IC > 模拟温度传感器 > LM61
LM61

LM61

正在供货

具有 10mV/°C 增益和 TO-92 封装选项的 ±3°C 模拟输出温度传感器

产品详情
  • 说明
  • 特性
  • 参数
  • 封装 | 引脚 | 尺寸

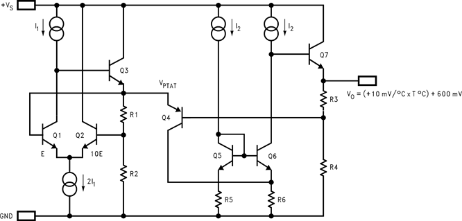
The LM61 device is a precision, integrated-circuit temperature sensor that can sense a –30°C to 100°C temperature range while operating from a single 2.7-V supply. The output voltage of the LM61 is linearly proportional to temperature (10 mV/°C) and has a DC offset of 600 mV. The offset allows reading negative temperatures without the need for a negative supply. The nominal output voltage of the LM61 ranges from 300 mV to 1600 mV for a –30°C to 100°C temperature range. The LM61 is calibrated to provide accuracies of ±2°C at room temperature and ±3°C over the full –25°C to 85°C temperature range.

The linear output of the LM61, 600-mV offset, and factory calibration simplify external circuitry required in a single supply environment where reading negative temperatures is required. Because the quiescent current is less than 125 µA, self-heating is limited to a very low 0.2°C in still air. Shutdown capability for the LM61 is intrinsic because its inherent low power consumption allows it to be powered directly from the output of many logic gates.

  • Calibrated Linear Scale Factor of 10 mV/°C
  • Rated for Full Temperature Range (–30° to 100°C)
  • Suitable for Remote Applications
  • UL Recognized Component
  • ±2°C or ±3°C Accuracy at 25°C (Maximum)
  • ±3°C Accuracy for –25°C to 85°C (Maximum)
  • ±4°C Accuracy for –30°C to 100°C (Maximum)
  • 10 mV/°C Temperature Slope (Maximum)
  • 2.7-V to 10-V Power Supply Voltage Range
  • 125-µA Current Drain at 25°C (Maximum)
  • ±0.8°C Nonlinearity (Maximum)
  • 800-Ω Output Impedance (Maximum)
Local sensor accuracy (max)2, 3
Operating temperature range (°C)-30 to 100
Supply voltage (min) (V)2.7
Supply voltage (max) (V)10
Supply current (max) (µA)125
Interface typeAnalog output
Sensor gain (mV/°C)10
RatingCatalog
FeaturesUL recognized
SOT-23 (DBZ)36.9204 mm² 2.92 x 2.37
TO-92 (LP)319.136 mm² 5.2 x 3.68
产品购买
  • 商品型号
  • 封装
  • 工作温度
  • 包装
  • 价格
  • 现货库存
  • 操作
10s
温馨提示:
订单商品问题请移至我的售后服务提交售后申请,其他需投诉问题可移至我的投诉提交,我们将在第一时间给您答复
返回顶部