h1_key

TI(德州仪器) SN74CBTU4411
德州仪器 (TI) 全系列产品在线购买
  • TI(德州仪器) SN74CBTU4411
  • TI(德州仪器) SN74CBTU4411
  • TI(德州仪器) SN74CBTU4411
  • TI(德州仪器) SN74CBTU4411
  • TI(德州仪器) SN74CBTU4411
  • TI(德州仪器) SN74CBTU4411
立即查看
您当前的位置: 首页 > 开关与多路复用器 > 特定于协议的开关和多路复用器 > SN74CBTU4411
SN74CBTU4411

SN74CBTU4411

正在供货

适用于 DDR-II 应用的 2.5V、4:1 11 通道模拟多路复用器

产品详情
  • 说明
  • 特性
  • 参数
  • 封装 | 引脚 | 尺寸

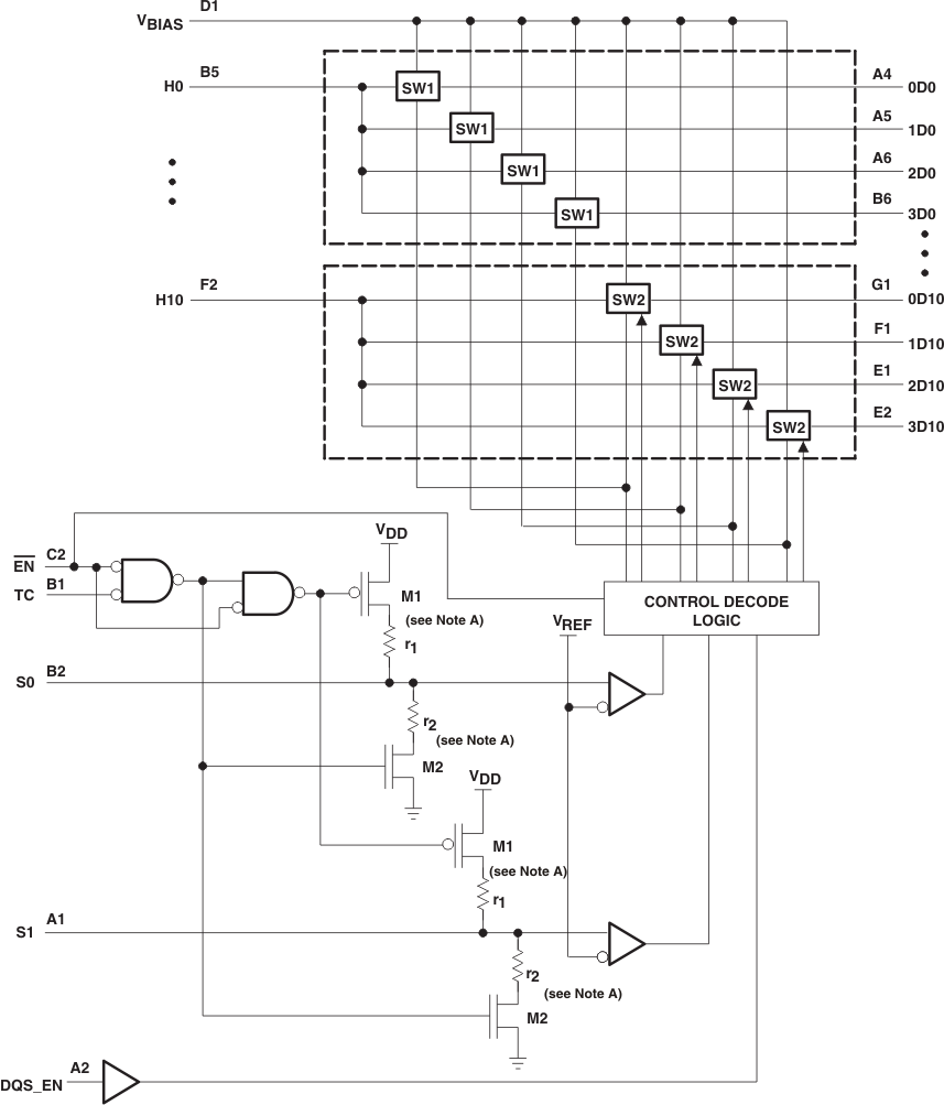
SN74CBTU4411 器件是一种具备低导通状态电阻 (ron) 的高带宽 SSTL_18 兼容型 FET 多路复用器/多路信号分离器。此器件借助内部电荷泵提高通道晶体管的栅极电压,提供平缓的低 ron。平缓的低 ron 可实现最短传播延迟,并且支持数据输入/输出 (I/O) 端口的轨到轨信号传输。该器件还具有非常低的数据 I/O 电容,以更大限度地减少数据总线上的容性负载和信号失真。通道间匹配的 ron 和 I/O 电容会产生极低的差分和上升沿/下降沿偏移。得益于此,该器件可在 DDR-II 应用中表现出卓越性能。

  • 支持 SSTL_18 信号电平
  • 适用于 DDR-II 应用
  • D 端口输出由偏置电压 (VBIAS) 预充
  • 用于控制输入的内部终端
  • 高带宽(最低 400MHz)
  • 平缓的低导通电阻 (ron) 特性,(ron = 最大 17Ω)
  • 内部 400Ω 下拉电阻器
  • 低差分,上升沿或下降沿偏斜
  • 闩锁性能超过 100mA,符合 JESD 78 II 类规范
ProtocolsDDR2
Configuration4
Number of channels11
Bandwidth (MHz)400
Supply voltage (max) (V)1.9
Supply voltage (min) (V)1.7
Ron (typ) (mΩ)10000
Input/output voltage (min) (V)0
Input/output voltage (max) (V)1.9
Supply current (typ) (µA)700
ESD HBM (typ) (kV)2.5
Operating temperature range (°C)0 to 85
ESD CDM (kV)0.75
Input/output continuous current (max) (mA)100
COFF (typ) (pF)2.5
CON (typ) (pF)4.6
OFF-state leakage current (max) (µA)10
Propagation delay time (µs)0.000297
Ron (max) (mΩ)17000
RON flatness (typ) (Ω)1.5
Turnoff time (disable) (max) (ns)2.1
Turnon time (enable) (max) (ns)2.1
VIH (min) (V)1.1
VIL (max) (V)0.66
NFBGA (ZST)7249 mm² 7 x 7
产品购买
  • 商品型号
  • 封装
  • 工作温度
  • 包装
  • 价格
  • 现货库存
  • 操作
10s
温馨提示:
订单商品问题请移至我的售后服务提交售后申请,其他需投诉问题可移至我的投诉提交,我们将在第一时间给您答复
返回顶部