h1_key

TI(德州仪器) CD4051B-Q1
德州仪器 (TI) 全系列产品在线购买
  • TI(德州仪器) CD4051B-Q1
  • TI(德州仪器) CD4051B-Q1
  • TI(德州仪器) CD4051B-Q1
  • TI(德州仪器) CD4051B-Q1
  • TI(德州仪器) CD4051B-Q1
  • TI(德州仪器) CD4051B-Q1
立即查看
您当前的位置: 首页 > 开关与多路复用器 > 模拟开关和多路复用器 > CD4051B-Q1
CD4051B-Q1

CD4051B-Q1

正在供货

具有逻辑电平转换功能的汽车类 20V、8:1、单通道模拟多路复用器

产品详情
  • 说明
  • 特性
  • 参数
  • 封装 | 引脚 | 尺寸

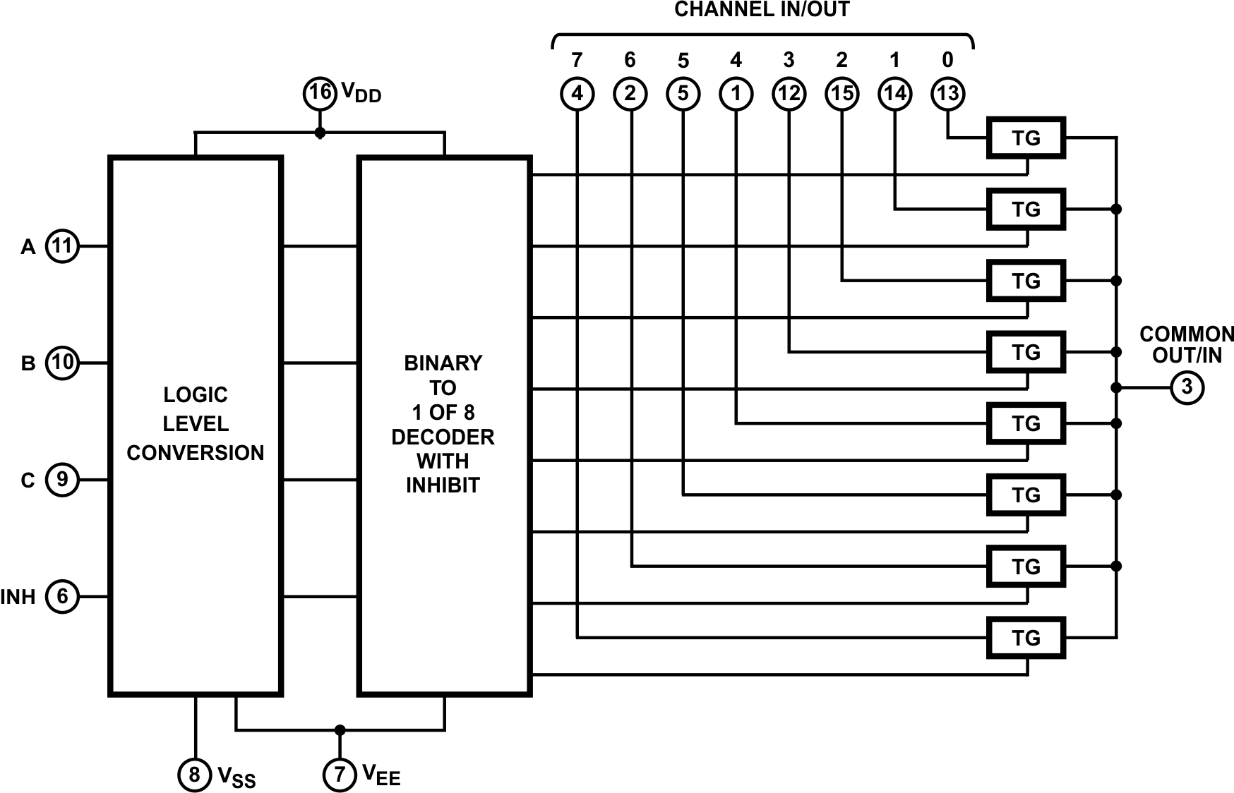
CD405xB-Q1 模拟多路复用器和多路信号分离器是数字控制的模拟开关,具有低接通阻抗和极低的关断漏电流。这些多路复用器电路在整个 V DD – V SS 和 V DD – V EE 电源电压范围内,消耗的静态功率极低,而不受控制信号的逻辑状态影响。

  • 符合面向汽车应用的 AEC-Q100 标准:
    • 温度等级 1:-45°C 至 +125°C,T A
  • 各种数字和模拟信号电平:
    • 数字:3 V 至 20 V
    • 模拟:≤ 20V P-P
  • 在 V DD – V EE = 18V 时的 15V P-P 信号输入范围内,具有 125Ω(典型值)的低导通电阻
  • 在 V DD – V EE = 18V 时,通道漏电流为 ±100pA(典型值),具有高关断电阻
  • 适用于 3V 至 20V 数字寻址信号(V DD – V SS = 3V 至 20V)的逻辑电平转换功能,可将模拟信号切换至与 20V P-P (V DD – V EE = 20V) 相匹配的开关特性,V DD – V EE = 15V 时,r ON = 5Ω(典型值),在所有数字控制输入和电源条件下,具有极低的静态功率损耗,在 V DD – V SS = V DD – V EE = 10V 时,功率损耗为 0.2µW(典型值)
  • 二进制地址片上解码
  • 5V、10V 和 15V 参数额定值
  • 针对 20V 下的静态电流进行了 100% 测试
  • 在全封装温度范围内,18V 时的最大输入电流为 1µA,18V 和 25°C 时为 100nA
  • 先断后合开关消除了通道重叠
Configuration8
Number of channels1
Power supply voltage - single (V)3.3, 5, 12, 16, 20
Power supply voltage - dual (V)+/-10, +/-2.5, +/-5
ProtocolsAnalog
Ron (typ) (Ω)125
CON (typ) (pF)30
ON-state leakage current (max) (µA)1
Supply current (typ) (µA)0.04
Bandwidth (MHz)20
Operating temperature range (°C)-40 to 125
FeaturesBreak-before-make
Input/output continuous current (max) (mA)10
RatingAutomotive
Drain supply voltage (max) (V)20
Supply voltage (max) (V)20
Negative rail supply voltage (max) (V)0
TSSOP (PW)1632 mm² 5 x 6.4
产品购买
  • 商品型号
  • 封装
  • 工作温度
  • 包装
  • 价格
  • 现货库存
  • 操作
10s
温馨提示:
订单商品问题请移至我的售后服务提交售后申请,其他需投诉问题可移至我的投诉提交,我们将在第一时间给您答复
返回顶部