h1_key

TI(德州仪器) CD74HCT4052
德州仪器 (TI) 全系列产品在线购买
  • TI(德州仪器) CD74HCT4052
  • TI(德州仪器) CD74HCT4052
  • TI(德州仪器) CD74HCT4052
  • TI(德州仪器) CD74HCT4052
  • TI(德州仪器) CD74HCT4052
  • TI(德州仪器) CD74HCT4052
立即查看
您当前的位置: 首页 > 开关与多路复用器 > 模拟开关和多路复用器 > CD74HCT4052
CD74HCT4052

CD74HCT4052

正在供货

具有 TTL 输入的 5V、4:1 差分、单通道模拟多路复用器

产品详情
  • 说明
  • 特性
  • 参数
  • 封装 | 引脚 | 尺寸

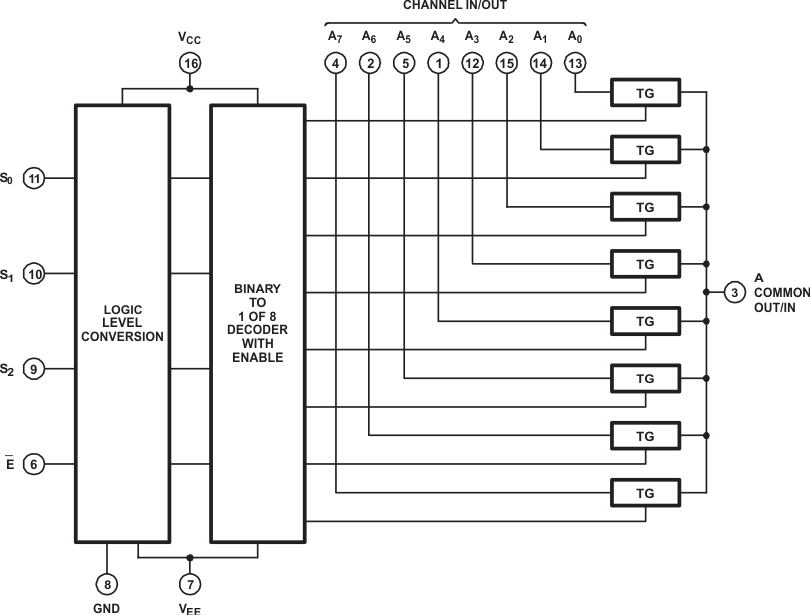
CDx4HC405x 和 CDx4HCT405x 器件是数字控制的模拟开关,其使用硅栅 CMOS 技术并借助标准 CMOS 集成电路的低功耗特性来实现与 LSTTL 接近的运行速度。

这些模拟多路复用器和多路信号分离器可控制模拟电压,该电压可能会在整个电源电压范围内变化(例如,VCC 变为 VEE)。它们是双向开关,可将任何模拟输入用作输出,反之亦然。这些开关具有低导通电阻和低关断泄漏。此外,所有这些器件均具有使能控制,当处于高位时将禁用所有开关,将其置于关断状态。

  • 宽模拟输入电压范围:±5V(最大值)
  • 低导通电阻
    • 70Ω(典型值)(VCC – VEE = 4.5V)
    • 40Ω(典型值)(VCC – VEE = 9V)
  • 低开关间串扰
  • 快速开关和传播速度
  • 先断后合开关
  • 宽工作温度范围:
    –55°C 至 +125°C
  • CD54HC 和 CD74HC 类型
    • 工作控制电压:2V 至 6V
    • 开关电压:0V 至 10V
  • CD54HCT 和 CD74HCT 类型
    • 工作控制电压:4.5V 至 5.5V
    • 开关电压:0V 至 10V
    • 直接 LSTTL 输入逻辑兼容性
      VIL = 0.8V(最大值),VIH = 2V(最小值)
    • CMOS 输入兼容性
      在电压为 VOL、VOH时,II  ≤ 1µA
  • 对于符合 MIL-PRF-38535 标准的产品,
    所有参数均经过测试,除非另外注明。对于所有其他产品,生产流程不一定包含对所有参数的测试。
Configuration4
Number of channels2
Power supply voltage - single (V)5
Power supply voltage - dual (V)+/-2.5, +/-5
ProtocolsAnalog
Ron (typ) (Ω)40
CON (typ) (pF)12
ON-state leakage current (max) (µA)1
Supply current (typ) (µA)8
Bandwidth (MHz)185
Operating temperature range (°C)-55 to 125
FeaturesBreak-before-make
Input/output continuous current (max) (mA)25
RatingCatalog
Drain supply voltage (max) (V)5.5
Supply voltage (max) (V)10
Negative rail supply voltage (max) (V)0
PDIP (N)16181.42 mm² 19.3 x 9.4
SOIC (D)1659.4 mm² 9.9 x 6
产品购买
  • 商品型号
  • 封装
  • 工作温度
  • 包装
  • 价格
  • 现货库存
  • 操作
10s
温馨提示:
订单商品问题请移至我的售后服务提交售后申请,其他需投诉问题可移至我的投诉提交,我们将在第一时间给您答复
返回顶部