h1_key

TI(德州仪器) SN74LV4051A
德州仪器 (TI) 全系列产品在线购买
  • TI(德州仪器) SN74LV4051A
  • TI(德州仪器) SN74LV4051A
  • TI(德州仪器) SN74LV4051A
  • TI(德州仪器) SN74LV4051A
  • TI(德州仪器) SN74LV4051A
  • TI(德州仪器) SN74LV4051A
立即查看
您当前的位置: 首页 > 开关与多路复用器 > 模拟开关和多路复用器 > SN74LV4051A
SN74LV4051A

SN74LV4051A

正在供货

5V、8:1、单通道通用模拟多路复用器

产品详情
  • 说明
  • 特性
  • 参数
  • 封装 | 引脚 | 尺寸

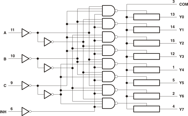
The SN74LV4051A 8-channel CMOS analog multiplexers and demultiplexers are designed for 2-V to 5.5-V VCC operation.

The SN74LV4051A devices handle both analog and digital signals. Each channel permits signals with amplitudes up to 5.5-V (peak) to be transmitted in either direction.

Applications include: signal gating, chopping, modulation or demodulation (modem), and signal multiplexing for analog-to-digital and digital-to-analog conversion systems.

  • 2-V to 5.5-V VCC Operation
  • Support Mixed-Mode Voltage Operation on
    All Ports
  • High On-Off Output-Voltage Ratio
  • Low Crosstalk Between Switches
  • Individual Switch Controls
  • Extremely Low Input Current
  • Latch-Up Performance Exceeds 100-mA Per
    JESD 78, Class II
  • ESD Protection Exceeds JESD 22
    • 2000-V Human-Body Model (A114-A)
    • 200-V Machine Model (A115-A)
    • 1000-V Charged-Device Model (C101)
Configuration8
Number of channels1
Power supply voltage - single (V)1.8, 2.5, 3.3, 5
ProtocolsAnalog
Ron (typ) (Ω)22
CON (typ) (pF)23.4
ON-state leakage current (max) (µA)1
Bandwidth (MHz)35
Operating temperature range (°C)-40 to 85
Input/output continuous current (max) (mA)25
RatingCatalog
Drain supply voltage (max) (V)5.5
Supply voltage (max) (V)5.5
PDIP (N)16181.42 mm² 19.3 x 9.4
SOIC (D)1659.4 mm² 9.9 x 6
SOP (NS)1679.56 mm² 10.2 x 7.8
SSOP (DB)1648.36 mm² 6.2 x 7.8
TSSOP (PW)1632 mm² 5 x 6.4
TVSOP (DGV)1623.04 mm² 3.6 x 6.4
VQFN (RGY)1614 mm² 4 x 3.5
产品购买
  • 商品型号
  • 封装
  • 工作温度
  • 包装
  • 价格
  • 现货库存
  • 操作
10s
温馨提示:
订单商品问题请移至我的售后服务提交售后申请,其他需投诉问题可移至我的投诉提交,我们将在第一时间给您答复
返回顶部