h1_key

TI(德州仪器) CC2520
德州仪器 (TI) 全系列产品在线购买
  • TI(德州仪器) CC2520
  • TI(德州仪器) CC2520
  • TI(德州仪器) CC2520
  • TI(德州仪器) CC2520
  • TI(德州仪器) CC2520
  • TI(德州仪器) CC2520
立即查看
您当前的位置: 首页 > 无线连接 > 低功耗 2.4GHz 产品 > CC2520
CC2520

CC2520

正在供货

第二代 2.4GHz ZigBee/IEEE 802.15.4 无线收发器

产品详情
  • 说明
  • 特性
  • 参数
  • 封装 | 引脚 | 尺寸

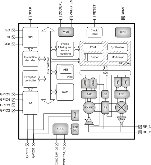
The CC2520 is TI's second generation ZigBee®/ IEEE 802.15.4 RF transceiver for the 2.4 GHz unlicensed ISM band. This chip enables industrial grade applications by offering state-of-the-art selectivity/co-existence, excellent link budget, operation up to 125°C and low voltage operation.

In addition, the CC2520 provides extensive hardware support for frame handling, data buffering, burst transmissions, data encryption, data authentication, clear channel assessment, link quality indication and frame timing information. These features reduce the load on the host controller.

In a typical system, the CC2520 will be used together with a microcontroller and a few additional passive components.

  • APPLICATIONS
    • IEEE 802.15.4 systems
    • ZigBee® systems
    • Industrial monitoring and control
    • Home and building automation
    • Automatic Meter Reading
    • Low-power wireless sensor networks
    • Set-top boxes and remote controls
    • Consumer electronics
  • KEY FEATURES
    • State-of-the-art selectivity/co-existence
      Adjacent channel rejection: 49 dB
      Alternate channel rejection: 54 dB
    • Excellent link budget (103dB)
      400 m Line-of-sight range
    • Extended temp range (–40 to +125°C)
    • Wide supply range: 1.8 V – 3.8 V
    • Extensive IEEE 802.15.4 MAC hardware
      support to offload the microcontroller
    • AES-128 security module
    • CC2420 interface compatibility mode
  • Low Power
    • RX (receiving frame, –50 dBm) 18.5 mA
    • TX 33.6 mA @ +5 dBm
    • TX 25.8 mA @ 0 dBm
    • <1µA in power down
  • General
    • Clock output for single crystal systems
    • RoHS compliant 5 × 5 mm QFN28 (RHD) package
  • Radio
    • IEEE 802.15.4 compliant DSSS baseband
      modem with 250 kbps data rate
    • Excellent receiver sensitivity (–98 dBm)
    • Programmable output power up to +5 dBm
    • RF frequency range 2394-2507 MHz
    • Suitable for systems targeting compliance with worldwide radio frequency
      regulations: ETSI EN 300 328 and EN 300 440 class 2 (Europe),
      FCC CFR47 Part 15 (US) and ARIB STD-T66 (Japan)
  • Microcontroller Support
    • Digital RSSI/LQI support
    • Automatic clear channel assessment for CSMA/CA
    • Automatic CRC
    • 768 bytes RAM for flexible buffering and security processing
    • Fully supported MAC security
    • 4 wire SPI
    • 6 configurable IO pins
    • Interrupt generator
    • Frame filtering and processing engine
    • Random number generator
  • Development Tools
    • Reference design
    • IEEE 802.15.4 MAC software
    • ZigBee® stack software
    • Fully equipped development kit
    • Packet sniffer support in hardware

ZigBee® is a registered trademark owned by ZigBee Alliance, Inc.

ProtocolsZigbee 2.6
TypeSmart RF Transceiver
FeaturesSupports 6LoWPAN, Supports 802.15.4g, Supports ZigBee
PeripheralsSPI
RatingCatalog
Flash memory (kByte)0
RAM (kByte)0.768
Number of GPIOs6
SecurityCrypto acceleration (AES, RNG)
Sensitivity (best) (dBm)-98
Operating temperature range (°C)-40 to 125
VQFN (RHD)2825 mm² 5 x 5
产品购买
  • 商品型号
  • 封装
  • 工作温度
  • 包装
  • 价格
  • 现货库存
  • 操作
10s
温馨提示:
订单商品问题请移至我的售后服务提交售后申请,其他需投诉问题可移至我的投诉提交,我们将在第一时间给您答复
返回顶部