h1_key

TI(德州仪器) LM119QML-SP
德州仪器 (TI) 全系列产品在线购买
  • TI(德州仪器) LM119QML-SP
  • TI(德州仪器) LM119QML-SP
  • TI(德州仪器) LM119QML-SP
  • TI(德州仪器) LM119QML-SP
  • TI(德州仪器) LM119QML-SP
  • TI(德州仪器) LM119QML-SP
立即查看
您当前的位置: 首页 > 放大器 > 比较器 > LM119QML-SP
LM119QML-SP

LM119QML-SP

正在供货

高速双通道比较器

产品详情
  • 说明
  • 特性
  • 参数
  • 封装 | 引脚 | 尺寸

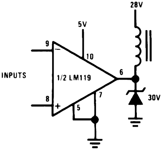
The LM119 is a precision high speed dual comparator fabricated on a single monolithic chip. It is designed to operate over a wide range of supply voltages down to a single 5V logic supply and ground. Further, it has higher gain and lower input currents than devices like the LM710. The uncommitted collector of the output stage makes the LM119 compatible with RTL, DTL and TTL as well as capable of driving lamps and relays at currents up to 25 mA.

Although designed primarily for applications requiring operation from digital logic supplies, the LM119 is fully specified for power supplies up to ±15V. It features faster response than the LM111 at the expense of higher power dissipation. However, the high speed, wide operating voltage range and low package count make the LM119 much more versatile than older devices like the LM711.

  • Available with radiation ensured
    • High Dose Rate 100 krad(Si)
    • ELDRS Free 100 krad(Si)
  • Two independent comparators
  • Operates from a single 5V supply
  • Typically 80 ns response time at ±15V
  • Minimum fan-out of 2 each side
  • Maximum input current of 1 μA over temperature
  • Inputs and outputs can be isolated from system ground
  • High common mode slew rate

All trademarks are the property of their respective owners.

Number of channels2
Output typeOpen-collector, Open-drain
Propagation delay time (µs)0.025
Vs (max) (V)36
Vs (min) (V)5
Vos (offset voltage at 25°C) (max) (mV)4
Iq per channel (typ) (mA)4
Input bias current (±) (max) (nA)500
Rail-to-railNo
RatingSpace
Operating temperature range (°C)-55 to 125
FeaturesStrobe
VICR (max) (V)33
VICR (min) (V)3
CDIP (J)14130.4652 mm² 19.56 x 6.67
CFP (NAC)1062.9285 mm² 9.91 x 6.35
CFP (NAD)1041.9832 mm² 6.86 x 6.12
DIESALE (Y)See data sheet
TO-CAN (LME)1080.2816 mm² 8.96 x 8.96
产品购买
  • 商品型号
  • 封装
  • 工作温度
  • 包装
  • 价格
  • 现货库存
  • 操作

很抱歉,暂时无法提供与“LM119QML-SP”系列相匹配的产品,您可以联系专属客服快速找货或在现货搜索框中重新搜索。

10s
温馨提示:
订单商品问题请移至我的售后服务提交售后申请,其他需投诉问题可移至我的投诉提交,我们将在第一时间给您答复
返回顶部