h1_key

TI(德州仪器) LM6172
德州仪器 (TI) 全系列产品在线购买
  • TI(德州仪器) LM6172
  • TI(德州仪器) LM6172
  • TI(德州仪器) LM6172
  • TI(德州仪器) LM6172
  • TI(德州仪器) LM6172
  • TI(德州仪器) LM6172
立即查看
您当前的位置: 首页 > 放大器 > 运算放大器 (op amps) > 高速运算放大器 (GBW ≥ 50MHz) > LM6172
LM6172

LM6172

正在供货

双通道高速、低功耗、低失真电压反馈放大器

产品详情
  • 说明
  • 特性
  • 参数
  • 封装 | 引脚 | 尺寸

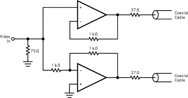
The LM6172 is a dual high speed voltage feedback amplifier. It is unity-gain stable and provides excellent DC and AC performance. With 100MHz unity-gain bandwidth, 3000V/μs slew rate and 50mA of output current per channel, the LM6172 offers high performance in dual amplifiers; yet it only consumes 2.3mA of supply current each channel.

The LM6172 operates on ±15V power supply for systems requiring large voltage swings, such as ADSL, scanners and ultrasound equipment. It is also specified at ±5V power supply for low voltage applications such as portable video systems.

The LM6172 is built with TI's advanced VIP III (Vertically Integrated PNP) complementary bipolar process. See the LM6171 datasheet for a single amplifier with these same features.

  • (Typical Unless Otherwise Noted)
  • Easy to Use Voltage Feedback Topology
  • High Slew Rate 3000V/μs
  • Wide Unity-Gain Bandwidth 100MHz
  • Low Supply Current 2.3mA/Channel
  • High Output Current 50mA/channel
  • Specified for ±15V and ±5V Operation

All trademarks are the property of their respective owners.

ArchitectureVoltage FB
Number of channels2
Total supply voltage (+5 V = 5, ±5 V = 10) (min) (V)5.5
Total supply voltage (+5 V = 5, ±5 V = 10) (max) (V)36
GBW (typ) (MHz)100
BW at Acl (MHz)160
Acl, min spec gain (V/V)1
Slew rate (typ) (V/µs)3000
Vn at flatband (typ) (nV√Hz)12
Vn at 1 kHz (typ) (nV√Hz)12
Iq per channel (typ) (mA)2.3
Vos (offset voltage at 25°C) (max) (mV)1.5
Rail-to-railNo
RatingCatalog
Operating temperature range (°C)-40 to 85
CMRR (typ) (dB)110
Input bias current (max) (pA)1500000
Offset drift (typ) (µV/°C)6
Iout (typ) (mA)85
2nd harmonic (dBc)50
3rd harmonic (dBc)50
Frequency of harmonic distortion measurement (MHz)5
PDIP (P)892.5083 mm² 9.81 x 9.43
SOIC (D)829.4 mm² 4.9 x 6
产品购买
  • 商品型号
  • 封装
  • 工作温度
  • 包装
  • 价格
  • 现货库存
  • 操作
10s
温馨提示:
订单商品问题请移至我的售后服务提交售后申请,其他需投诉问题可移至我的投诉提交,我们将在第一时间给您答复
返回顶部