h1_key

TI(德州仪器) TLC2274A
德州仪器 (TI) 全系列产品在线购买
  • TI(德州仪器) TLC2274A
  • TI(德州仪器) TLC2274A
  • TI(德州仪器) TLC2274A
  • TI(德州仪器) TLC2274A
  • TI(德州仪器) TLC2274A
  • TI(德州仪器) TLC2274A
立即查看
您当前的位置: 首页 > 放大器 > 运算放大器 (op amps) > 精密运算放大器 (Vos<1mV) > TLC2274A
TLC2274A

TLC2274A

正在供货

高级 LinCMOS™ 轨至轨、四通道精密运算放大器

产品详情
  • 说明
  • 特性
  • 参数
  • 封装 | 引脚 | 尺寸

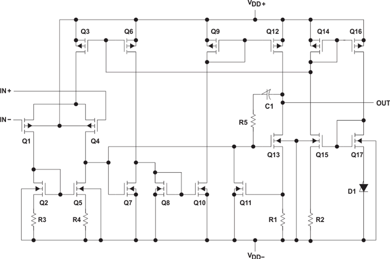
The TLC2272 and TLC2274 are dual and quadruple operational amplifiers from Texas Instruments. Both devices exhibit rail-to-rail output performance for increased dynamic range in single- or split-supply applications. The TLC227x family offers 2 MHz of bandwidth and 3 V/µs of slew rate for higher-speed applications. These devices offer comparable AC performance while having better noise, input offset voltage, and power dissipation than existing CMOS operational amplifiers. The TLC227x has a noise voltage of 9 nV/√Hz, two times lower than competitive solutions.

The TLC227x family of devices, exhibiting high input impedance and low noise, is excellent for small-signal conditioning for high-impedance sources such as piezoelectric transducers. Because of the micropower dissipation levels, these devices work well in hand-held monitoring and remote-sensing applications. In addition, the rail-to-rail output feature, with single- or split-supplies, makes this family a great choice when interfacing with analog-to-digital converters (ADCs). For precision applications, the TLC227xA family is available with a maximum input offset voltage of 950 µV. This family is fully characterized at 5 V and ±5 V.

The TLC227x also make great upgrades to the TLC27x in standard designs. They offer increased output dynamic range, lower noise voltage, and lower input offset voltage. This enhanced feature set allows them to be used in a wider range of applications. For applications that require higher output drive and wider input voltage range, see the TLV2432 and TLV2442 devices.

If the design requires single amplifiers, see the TLV2211, TLV2221 and TLV2231 family. These devices are single rail-to-rail operational amplifiers in the SOT-23 package. Their small size and low power consumption make them ideal for high density, battery-powered equipment.

  • Output Swing Includes Both Supply Rails
  • Low Noise: 9 nV/√Hz Typical at f = 1 kHz
  • Low-Input Bias Current: 1-pA Typical
  • Fully-Specified for Both Single-Supply and Split-
    Supply Operation
  • Common-Mode Input Voltage Range Includes
    Negative Rail
  • High-Gain Bandwidth: 2.2-MHz Typical
  • High Slew Rate: 3.6-V/µs Typical
  • Low Input Offset Voltage: 950 µV Maximum at
    TA = 25°C
  • Macromodel Included
  • Performance Upgrades for the TLC272 and
    TLC274
  • Available in Q-Temp Automotive
Number of channels4
Total supply voltage (+5 V = 5, ±5 V = 10) (max) (V)16
Total supply voltage (+5 V = 5, ±5 V = 10) (min) (V)4.4
Vos (offset voltage at 25°C) (max) (mV)0.95
GBW (typ) (MHz)2.18
FeaturesHigh Cload Drive
Slew rate (typ) (V/µs)3.6
Rail-to-railIn to V-, Out
Offset drift (typ) (µV/°C)2
Iq per channel (typ) (mA)1.1
Vn at 1 kHz (typ) (nV√Hz)9
CMRR (typ) (dB)75
RatingAutomotive, Catalog
Operating temperature range (°C)-55 to 125
Input bias current (max) (pA)60
Iout (typ) (A)0.0022
ArchitectureCMOS
Input common mode headroom (to negative supply) (typ) (V)-0.3
Input common mode headroom (to positive supply) (typ) (V)-0.8
Output swing headroom (to negative supply) (typ) (V)0.01
Output swing headroom (to positive supply) (typ) (V)-0.01
THD + N at 1 kHz (typ) (%)0.0008
PDIP (N)14181.42 mm² 19.3 x 9.4
SOIC (D)1451.9 mm² 8.65 x 6
TSSOP (PW)1432 mm² 5 x 6.4
产品购买
  • 商品型号
  • 封装
  • 工作温度
  • 包装
  • 价格
  • 现货库存
  • 操作
10s
温馨提示:
订单商品问题请移至我的售后服务提交售后申请,其他需投诉问题可移至我的投诉提交,我们将在第一时间给您答复
返回顶部