h1_key

TI(德州仪器) TLE2024A
德州仪器 (TI) 全系列产品在线购买
  • TI(德州仪器) TLE2024A
  • TI(德州仪器) TLE2024A
  • TI(德州仪器) TLE2024A
  • TI(德州仪器) TLE2024A
  • TI(德州仪器) TLE2024A
  • TI(德州仪器) TLE2024A
立即查看
您当前的位置: 首页 > 放大器 > 运算放大器 (op amps) > 精密运算放大器 (Vos<1mV) > TLE2024A
TLE2024A

TLE2024A

正在供货

Excalibur 高速低功耗四通道精密运算放大器

产品详情
  • 说明
  • 特性
  • 参数
  • 封装 | 引脚 | 尺寸

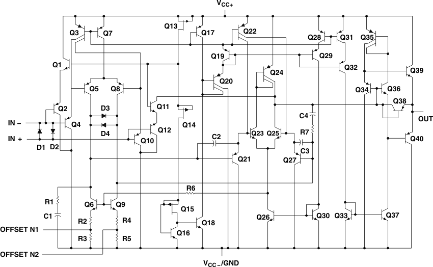
The TLE202x, TLE202xA, and TLE202xB devices are precision, high-speed, low-power operational amplifiers using a new Texas Instruments Excalibur process. These devices combine the best features of the OP21 with highly improved slew rate and unity-gain bandwidth.

The complementary bipolar Excalibur process utilizes isolated vertical pnp transistors that yield dramatic improvement in unity-gain bandwidth and slew rate over similar devices.

The addition of a bias circuit in conjunction with this process results in extremely stable parameters with both time and temperature. This means that a precision device remains a precision device even with changes in temperature and over years of use.

This combination of excellent dc performance with a common-mode input voltage range that includes the negative rail makes these devices the ideal choice for low-level signal conditioning applications in either single-supply or split-supply configurations. In addition, these devices offer phase-reversal protection circuitry that eliminates an unexpected change in output states when one of the inputs goes below the negative supply rail.

A variety of available options includes small-outline and chip-carrier versions for high-density systems applications.

The C-suffix devices are characterized for operation from 0°C to 70°C. The I-suffix devices are characterized for operation from –40°C to 85°C. The M-suffix devices are characterized for operation over the full military temperature range of –55°C to 125°C.

  • Supply Current . . . 300 µA Max
  • High Unity-Gain Bandwidth . . . 2 MHz Typ
  • High Slew Rate . . . 0.45 V/µs Min
  • Supply-Current Change Over Military Temp
    Range . . . 10 µA Typ at VCC ± = ± 15 V
  • Specified for Both 5-V Single-Supply and ±15-V Operation
  • Phase-Reversal Protection
  • High Open-Loop Gain . . . 6.5 V/µV (136 dB) Typ
  • Low Offset Voltage . . . 100 µV Max
  • Offset Voltage Drift With Time
    0.005 µV/mo Typ
  • Low Input Bias Current . . . 50 nA Max
  • Low Noise Voltage . . . 19 nV/√Hz Typ

All trademarks are the property of their respective owners.

Number of channels4
Total supply voltage (+5 V = 5, ±5 V = 10) (max) (V)40
Total supply voltage (+5 V = 5, ±5 V = 10) (min) (V)4
Vos (offset voltage at 25°C) (max) (mV)0.85
GBW (typ) (MHz)1.7
Slew rate (typ) (V/µs)0.5
Rail-to-railIn to V-
Offset drift (typ) (µV/°C)2
Iq per channel (typ) (mA)0.2
Vn at 1 kHz (typ) (nV√Hz)17
CMRR (typ) (dB)115
RatingCatalog
Operating temperature range (°C)-40 to 85
Input bias current (max) (pA)70000
Iout (typ) (A)0.003
ArchitectureBipolar
Input common mode headroom (to negative supply) (typ) (V)-0.3
Input common mode headroom (to positive supply) (typ) (V)-1
Output swing headroom (to negative supply) (typ) (V)0.7
Output swing headroom (to positive supply) (typ) (V)-0.7
PDIP (N)14181.42 mm² 19.3 x 9.4
SOIC (DW)16106.09 mm² 10.3 x 10.3
产品购买
  • 商品型号
  • 封装
  • 工作温度
  • 包装
  • 价格
  • 现货库存
  • 操作
10s
温馨提示:
订单商品问题请移至我的售后服务提交售后申请,其他需投诉问题可移至我的投诉提交,我们将在第一时间给您答复
返回顶部