h1_key

TI(德州仪器) LF347
德州仪器 (TI) 全系列产品在线购买
  • TI(德州仪器) LF347
  • TI(德州仪器) LF347
  • TI(德州仪器) LF347
  • TI(德州仪器) LF347
  • TI(德州仪器) LF347
  • TI(德州仪器) LF347
立即查看
您当前的位置: 首页 > 放大器 > 运算放大器 (op amps) > 通用运算放大器 > LF347
LF347

LF347

正在供货

四通道、36V、3MHz、高压摆率 (13V/µs)、输入接近 V+、JFET 输入运算放大器

产品详情
  • 说明
  • 特性
  • 参数
  • 封装 | 引脚 | 尺寸

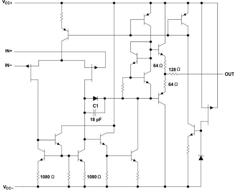
The LF347 and LF347B devices are low-cost, high-speed, JFET-input operational amplifiers. They require low supply current yet maintain a large gain-bandwidth product and a fast slew rate. In addition, their matched high-voltage JFET inputs provide very low input bias and offset current.

The LF347 and LF347B can be used in applications such as high-speed integrators, digital-to-analog converters, sample-and-hold circuits, and many other circuits.

The LF347 and LF347B devices are characterized for operation from 0°C to 70°C.

  • Low Input Bias Current: 50 pA Typical
  • Low Input Noise Current: 0.01 pA/√Hz Typical
  • Low Total Harmonic Distortion
  • Low Supply Current: 8 mA Typical
  • Gain Bandwidth: 3 MHz Typical
  • High Slew Rate: 13 V/ms Typical
Number of channels4
Total supply voltage (+5 V = 5, ±5 V = 10) (max) (V)36
Total supply voltage (+5 V = 5, ±5 V = 10) (min) (V)7
Rail-to-railIn to V+
GBW (typ) (MHz)3
Slew rate (typ) (V/µs)13
Vos (offset voltage at 25°C) (max) (mV)10
Iq per channel (typ) (mA)2
Vn at 1 kHz (typ) (nV√Hz)18
RatingCatalog
Operating temperature range (°C)0 to 70
Offset drift (typ) (µV/°C)10
Input bias current (max) (pA)200
CMRR (typ) (dB)100
Iout (typ) (A)0.031
ArchitectureFET
Input common mode headroom (to negative supply) (typ) (V)3
Input common mode headroom (to positive supply) (typ) (V)0
Output swing headroom (to negative supply) (typ) (V)1.5
Output swing headroom (to positive supply) (typ) (V)-1.5
PDIP (N)14181.42 mm² 19.3 x 9.4
SOIC (D)1451.9 mm² 8.65 x 6
产品购买
  • 商品型号
  • 封装
  • 工作温度
  • 包装
  • 价格
  • 现货库存
  • 操作
10s
温馨提示:
订单商品问题请移至我的售后服务提交售后申请,其他需投诉问题可移至我的投诉提交,我们将在第一时间给您答复
返回顶部