h1_key

TI(德州仪器) LM158
德州仪器 (TI) 全系列产品在线购买
  • TI(德州仪器) LM158
  • TI(德州仪器) LM158
  • TI(德州仪器) LM158
  • TI(德州仪器) LM158
  • TI(德州仪器) LM158
  • TI(德州仪器) LM158
立即查看
您当前的位置: 首页 > 放大器 > 运算放大器 (op amps) > 通用运算放大器 > LM158
LM158

LM158

正在供货

军用级、双通道、30V、700kHz 运算放大器

产品详情
  • 说明
  • 特性
  • 参数
  • 封装 | 引脚 | 尺寸

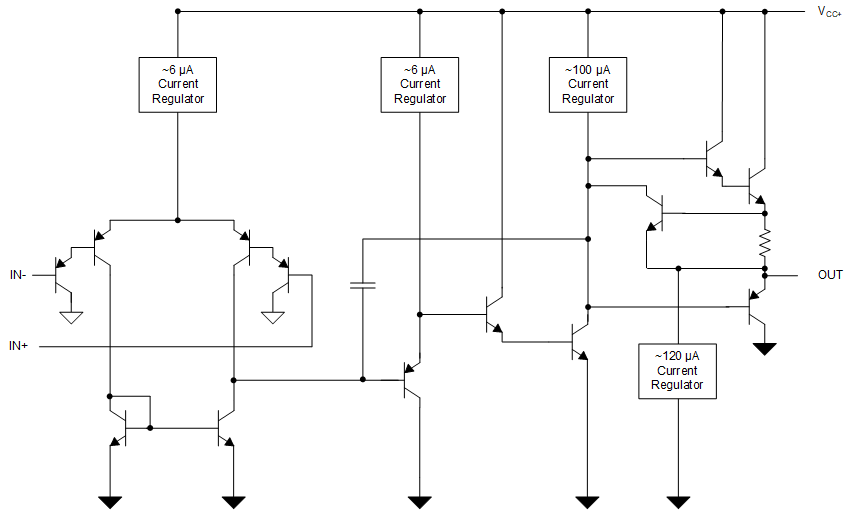
LM358B 和 LM2904B 器件是行业标准运算放大器 LM358 和 LM2904 的下一代版本,其中包括两个高压 (36V) 运算放大器。这些器件为成本敏感型应用提供了卓越的价值,其特性包括低偏移(300µV,典型值)、对地共模输入范围和高差分输入电压能力。

LM358B 和 LM2904B 运算放大器利用单位增益稳定性、更低的失调电压(最大值为 3mV;LM358BA 和 LM2904BA 的最大值为 2mV)和更低的静态电流(每个放大器为 300µA,典型值)等增强型特性简化了电路设计。高 ESD(2kV,HBM)和集成 EMI 以及射频滤波器可支持将 LM358B 和 LM2904B 器件用于更严苛、更具环境挑战性的应用。

LM358B 和 LM2904B 放大器采用微型封装(如 SOT23-8),以及行业标准封装(包括 SOIC、TSSOP 和 VSSOP)。

  • 3V 至 36V 的宽电源电压范围(B、BA 版本)
  • 静态电流:300 µA/通道(B、BA 版本)
  • 单位增益带宽为 1.2 MHz(B、BA 版本)
  • 共模输入电压范围包括接地,支持近地直接感测
  • 25°C 时的最大输入失调电压为 2 mV(BA 版本)
  • 25°C 时的最大输入失调电压为 3 mV(A、B 版本)
  • 内部射频和 EMI 滤波器(B、BA 版本)
  • 对于符合 MIL-PRF-38535 标准的产品,所有参数均经过测试,除非另有说明。对于所有其他产品,生产流程不一定包含对所有参数的测试。
Number of channels2
Total supply voltage (+5 V = 5, ±5 V = 10) (max) (V)32
Total supply voltage (+5 V = 5, ±5 V = 10) (min) (V)3
Rail-to-railIn to V-
GBW (typ) (MHz)0.7
Slew rate (typ) (V/µs)0.3
Vos (offset voltage at 25°C) (max) (mV)5
Iq per channel (typ) (mA)0.35
Vn at 1 kHz (typ) (nV√Hz)40
RatingMilitary
Operating temperature range (°C)-55 to 125
Offset drift (typ) (µV/°C)7
Input bias current (max) (pA)150000
CMRR (typ) (dB)80
Iout (typ) (A)0.03
ArchitectureBipolar
Input common mode headroom (to negative supply) (typ) (V)0
Input common mode headroom (to positive supply) (typ) (V)-1.5
Output swing headroom (to negative supply) (typ) (V)0.005
Output swing headroom (to positive supply) (typ) (V)-2
CDIP (JG)864.032 mm² 9.6 x 6.67
LCCC (FK)2079.0321 mm² 8.89 x 8.89
WAFERSALE (YS)See data sheet
产品购买
  • 商品型号
  • 封装
  • 工作温度
  • 包装
  • 价格
  • 现货库存
  • 操作
10s
温馨提示:
订单商品问题请移至我的售后服务提交售后申请,其他需投诉问题可移至我的投诉提交,我们将在第一时间给您答复
返回顶部