h1_key

TI(德州仪器) LM2917-N
德州仪器 (TI) 全系列产品在线购买
  • TI(德州仪器) LM2917-N
  • TI(德州仪器) LM2917-N
  • TI(德州仪器) LM2917-N
  • TI(德州仪器) LM2917-N
  • TI(德州仪器) LM2917-N
  • TI(德州仪器) LM2917-N
立即查看
您当前的位置: 首页 > 放大器 > 特殊功能放大器 > 变频器 > LM2917-N
LM2917-N

LM2917-N

正在供货

对地负载或电源负载高达 50mA 的压频转换器(带齐纳稳压器)

产品详情
  • 说明
  • 特性
  • 参数
  • 封装 | 引脚 | 尺寸

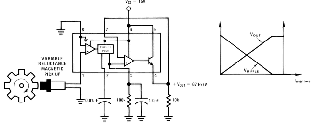
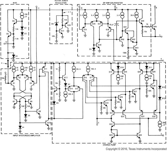
The LM2907 and LM2917 devices are monolithic frequency-to-voltage converters with a high gain op amp designed to operate a relay, lamp, or other load when the input frequency reaches or exceeds a selected rate. The tachometer uses a charge pump technique and offers frequency doubling for low-ripple, full-input protection in two versions (8-pin LM2907 and LM2917), and its output swings to ground for a zero frequency input.

The op amp is fully compatible with the tachometer and has a floating transistor as its output. This feature allows either a ground or supply referred load of up to 50 mA. The collector may be taken above VCC up to a maximum VCE of 28 V.

The two basic configurations offered include an 8-pin device with a input and an internal connection between the tachometer output and the op amp noninverting input. This version is well suited for single speed or frequency switching or fully buffered frequency-to-voltage conversion applications.

The more versatile configurations provide differential tachometer input and uncommitted op amp inputs. With this version the tachometer input may be floated and the op amp becomes suitable for active filter conditioning of the tachometer output.

Both of these configurations are available with an active shunt regulator connected across the power leads. The regulator clamps the supply such that stable frequency-to-voltage and frequency-to-current operations are possible with any supply voltage and a suitable resistor.

  • Ground Referenced Tachometer Input Interfaces Directly With Variable Reluctance Magnetic Pickups
  • Op Amp Has Floating Transistor Output
  • 50-mA Sink or Source to Operate Relays, Solenoids, Meters, or LEDs
  • Frequency Doubling For Low Ripple
  • Tachometer Has Built-In Hysteresis With Either Differential Input or Ground Referenced Input
  • ±0.3% Linearity (Typical)
  • Ground-Referenced Tachometer is Fully Protected From Damage Due to Swings Above VCC and Below Ground
  • Output Swings to Ground For Zero Frequency Input
  • Easy to Use×VOUT = fIN × VCC × R1 × C1
  • Zener Regulator on Chip allows Accurate and Stable Frequency to Voltage or Current Conversion (LM2917)
Vs (min) (V)6
Vs (max) (V)28
Product typeFrequency-to-voltage
Operating temperature range (°C)-40 to 85
RatingCatalog
PDIP (N)14181.42 mm² 19.3 x 9.4
PDIP (P)892.5083 mm² 9.81 x 9.43
SOIC (D)1451.9 mm² 8.65 x 6
SOIC (D)829.4 mm² 4.9 x 6
产品购买
  • 商品型号
  • 封装
  • 工作温度
  • 包装
  • 价格
  • 现货库存
  • 操作
10s
温馨提示:
订单商品问题请移至我的售后服务提交售后申请,其他需投诉问题可移至我的投诉提交,我们将在第一时间给您答复
返回顶部