h1_key

TI(德州仪器) LM361
德州仪器 (TI) 全系列产品在线购买
  • TI(德州仪器) LM361
  • TI(德州仪器) LM361
  • TI(德州仪器) LM361
  • TI(德州仪器) LM361
  • TI(德州仪器) LM361
  • TI(德州仪器) LM361
立即查看
您当前的位置: 首页 > 放大器 > 比较器 > LM361
LM361

LM361

正在供货

具有选通信号的 140ns 差分比较器

产品详情
  • 说明
  • 特性
  • 参数
  • 封装 | 引脚 | 尺寸

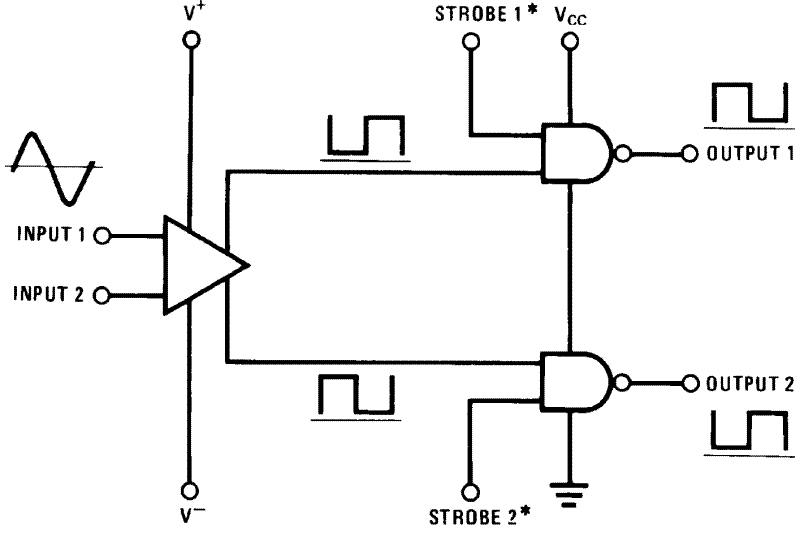
The LM161/LM361 is a very high speed differential input, complementary TTL output voltage comparator with improved characteristics over the SE529/NE529 for which it is a pin-for-pin replacement. The device has been optimized for greater speed performance and lower input offset voltage. Typically delay varies only 3 ns for over-drive variations of 5 mV to 500 mV. It may be operated from op amp supplies (±15V).

Complementary outputs having maximum skew are provided. Applications involve high speed analog to digital converters and zero-crossing detectors in disk file systems.

  • Independent strobes
  • Ensured high speed: 20 ns max
  • Tight delay matching on both outputs
  • Complementary TTL outputs
  • Operates from op amp supplies: ±15V
  • Low speed variation with overdrive variation
  • Low input offset voltage
  • Versatile supply voltage range

All trademarks are the property of their respective owners.

Number of channels1
Output typeDifferential
Propagation delay time (µs)0.14
Vs (max) (V)32
Vs (min) (V)11
Vos (offset voltage at 25°C) (max) (mV)1
Iq per channel (typ) (mA)13
Input bias current (±) (max) (nA)30000
Rail-to-railNo
RatingCatalog
Operating temperature range (°C)0 to 70
FeaturesStrobe
VICR (max) (V)23
VICR (min) (V)9
PDIP (N)14181.42 mm² 19.3 x 9.4
SOIC (D)1451.9 mm² 8.65 x 6
TO-CAN (LME)1080.2816 mm² 8.96 x 8.96
产品购买
  • 商品型号
  • 封装
  • 工作温度
  • 包装
  • 价格
  • 现货库存
  • 操作
10s
温馨提示:
订单商品问题请移至我的售后服务提交售后申请,其他需投诉问题可移至我的投诉提交,我们将在第一时间给您答复
返回顶部