h1_key

TI(德州仪器) TAS5825M
德州仪器 (TI) 全系列产品在线购买
  • TI(德州仪器) TAS5825M
  • TI(德州仪器) TAS5825M
  • TI(德州仪器) TAS5825M
  • TI(德州仪器) TAS5825M
  • TI(德州仪器) TAS5825M
  • TI(德州仪器) TAS5825M
立即查看
您当前的位置: 首页 > 音频 > 音频放大器 > 扬声器放大器 > TAS5825M
TAS5825M

TAS5825M

正在供货

具有 192kHz 架构的 38W 立体声、65W 单声道、4.5V 至 26V、数字输入 D 类智能音频放大器

产品详情
  • 说明
  • 特性
  • 参数
  • 封装 | 引脚 | 尺寸

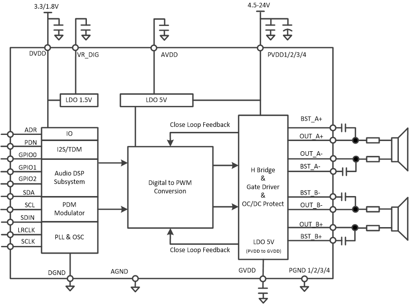
TAS5825M 是一款立体声、高性能闭环 D 类放大器,具有集成的音频处理器,支持高达 192kHz 的频率。

强大的音频 DSP 内核支持多种先进的音频处理流程,例如 2×15 BQ、3 频带 DRC、全频带 AGL(自动增益限制器)、智能放大器算法(过热和偏移保护)、低音增强、定位器、THD 管理器、PVDD 跟踪和热折返。 TAS5825M 具有 48kHz 或 96kHz 架构,集成的 SRC(采样率转换器)可检测到输入采样率并自动将输入采样转换为 DSP 目标采样率,从而避免音频伪影。

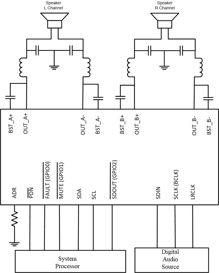
  • 灵活的音频 I/O:
    • 支持 32kHz、44.1kHz、48kHz、88.2kHz、96kHz 和 192kHz 采样速率
    • I2S、LJ、RJ 或 TDM
    • 用于音频监控、子通道或回声消除的 SDOUT
    • 支持三线制数字音频接口(无需 MCLK)
  • 高效 D 类运行模式
    • 电源效率高于 90%,RDS(on) 为 90mΩ
    • 低静态电流,PVDD=12V 时小于 20mA
  • 支持多路输出配置
    • 1 × 53W,1.0 模式(4Ω,22V,THD+N=1%)
    • 1 × 65W,1.0 模式(4Ω,22V,THD+N=10%)
    • 2 × 30W,2.0 模式(8Ω,24V,THD+N=1%)
    • 2 × 38W,2.0 模式(8Ω,24V,THD+N=10%)
  • 优异的音频性能:
    • 1W、1kHz、PVDD = 12V 的条件下,THD + N ≤ 0.03%
    • SNR ≥ 110dB(A 加权),ICN ≤ 35 µVRMS
  • 灵活处理特性
    • 3 频带高级 DRC + AGL,2 × 15 BQ,
    • 声场定位器 (SFS)、电平计
    • 96kHz、192kHz 处理器采样
    • 动态 EQ、低音增强和扬声器过热/偏移保护
  • 灵活的电源配置
    • PVDD:4.5V 至 26.4V
    • DVDD 和 I/O:1.8V 或 3.3V
  • 出色的集成式自保护功能:
    • 过流错误 (OCE)
    • 逐周期电流限制
    • 过热警告 (OTW)
    • 过热错误 (OTE)
    • 欠压和过压锁定 (UVLO/OVLO)
  • 可轻松进行系统集成
    • I2C 软件控制
    • 减小了解决方案尺寸
      • 小型 5 x 5mm 封装
      • 与开环器件相比,所需的无源器件更少
      • 大多数应用都不需要体积较大的电解电容器或大型电感器
Audio input typeDigital Input
ArchitectureClass-D, Smart Amp
Speaker channels (max)Stereo
RatingCatalog
Power stage supply (max) (V)26.4
Power stage supply (min) (V)4.5
Load (min) (Ω)4
Output power (W)38
SNR (dB)111
THD + N at 1 kHz (%)0.02
Iq (typ) (mA)14.8
Control interfaceSoftware
Closed/open loopClosed
Analog supply (min) (V)4.5
Analog supply voltage (max) (V)26.4
Sampling rate (max) (kHz)192
Operating temperature range (°C)-25 to 85
VQFN (RHB)3225 mm² 5 x 5
产品购买
  • 商品型号
  • 封装
  • 工作温度
  • 包装
  • 价格
  • 现货库存
  • 操作
10s
温馨提示:
订单商品问题请移至我的售后服务提交售后申请,其他需投诉问题可移至我的投诉提交,我们将在第一时间给您答复
返回顶部