h1_key

TI(德州仪器) TPA3136D2
德州仪器 (TI) 全系列产品在线购买
  • TI(德州仪器) TPA3136D2
  • TI(德州仪器) TPA3136D2
  • TI(德州仪器) TPA3136D2
  • TI(德州仪器) TPA3136D2
  • TI(德州仪器) TPA3136D2
  • TI(德州仪器) TPA3136D2
立即查看
您当前的位置: 首页 > 音频 > 音频放大器 > 扬声器放大器 > TPA3136D2
TPA3136D2

TPA3136D2

正在供货

具有低 EMI 的 10W 立体声、20W 单声道、4.5V 至 14.4V、无电感器型、模拟输入 D 类音频放大器

产品详情
  • 说明
  • 特性
  • 参数
  • 封装 | 引脚 | 尺寸

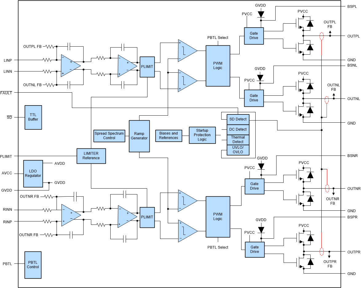
TPA3136D2,TPA3136AD2 器件一款高效 D 类音频功率放大器,适用于以高达 10W 的功率驱动阻抗为 6Ω 或 8Ω(每通道)的桥接式立体声扬声器。

借助采用扩展频谱控制方案的高级 EMI 抑制技术,既能实现在输出端使用成本较低的铁氧体磁珠滤波器,同时能够满足 EMC 要求,降低了系统成本。TPA3136D2,TPA3136AD2 器件不仅针对短路和过载提供全面的保护,而且 SpeakerGuard™扬声器保护电路包括一个功率限制器和一个直流检测电路,可以保护所连接的扬声器。直流检测及引脚至引脚、引脚接地和引脚至电源短路保护电路可以防止扬声器在生产过程中发生输出直流和引脚短路。同时充分保护输出,防止 GND、PVCC、输出至输出短路。短路保护和热保护具有自动恢复功能。

TPA3136D2,TPA3136AD2 器件可驱动阻抗低至 4Ω 的立体声扬声器。TPA3136D2,TPA3136AD2 的效率在负载为 8Ω 时高达 90%,无需外部散热器,而且 TPA3136D2,TPA3136AD2 将在双层印刷电路板 (PCB) 上实现全功率输出。

  • 电源电压为 12V、总谐波失真 + 噪声 (THD+N) 为 10%、负载为 6Ω 时的功率为 2 × 10W/通道
  • 电源电压为 13V、THD+N 为 10%、负载为 8Ω 时的功率为 2 × 10W/通道
  • D 类运行(负载为 8Ω)时效率高达 90%,无需散热器
  • 在 1W/4Ω/1kHz 条件下,THD+N <0.05%
  • 宽电源电压范围允许在 4.5V(TPA3136AD2 为 8V)至 14.4V 范围内运行
  • 无电感器运行
  • 通过扩展频谱技术增强了 EMI 性能
  • SpeakerGuard™扬声器保护包括功率限制器和直流保护
  • 可靠的引脚对引脚、引脚对地、引脚对电源短路保护和热保护
  • 26dB 固定增益
  • 单端或差动模拟输入
  • 启动时无喀哒声
Audio input typeAnalog Input
ArchitectureClass-D
Speaker channels (max)Stereo
RatingCatalog
Power stage supply (max) (V)14.4
Power stage supply (min) (V)4.5
Load (min) (Ω)4
Output power (W)10
SNR (dB)102
THD + N at 1 kHz (%)0.04
Iq (typ) (mA)35
Control interfaceHardware
Closed/open loopClosed
Analog supply (min) (V)4.5
Analog supply voltage (max) (V)14.4
PSRR (dB)80
Operating temperature range (°C)-40 to 85
HTSSOP (PWP)2862.08 mm² 9.7 x 6.4
产品购买
  • 商品型号
  • 封装
  • 工作温度
  • 包装
  • 价格
  • 现货库存
  • 操作
10s
温馨提示:
订单商品问题请移至我的售后服务提交售后申请,其他需投诉问题可移至我的投诉提交,我们将在第一时间给您答复
返回顶部