h1_key

TI(德州仪器) TLV320AIC3263
德州仪器 (TI) 全系列产品在线购买
  • TI(德州仪器) TLV320AIC3263
  • TI(德州仪器) TLV320AIC3263
  • TI(德州仪器) TLV320AIC3263
  • TI(德州仪器) TLV320AIC3263
  • TI(德州仪器) TLV320AIC3263
  • TI(德州仪器) TLV320AIC3263
立即查看
您当前的位置: 首页 > 音频 > 音频转换器 > 音频编解码器 > TLV320AIC3263
TLV320AIC3263

TLV320AIC3263

正在供货

具有 miniDSP、D 类扬声器、DirectPath 耳机和 4 个数字麦克风的低功耗立体声音频编解码器

产品详情
  • 说明
  • 特性
  • 参数
  • 封装 | 引脚 | 尺寸

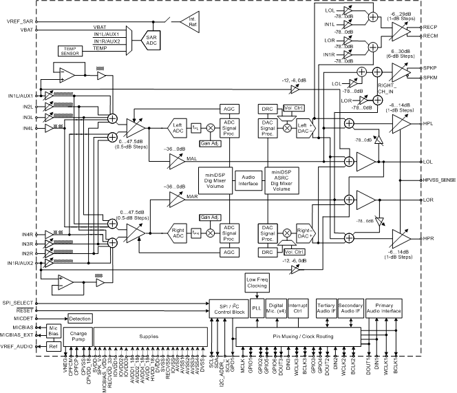
The TLV320AIC3263 (also referred to as the AIC3263) is a flexible, highly-integrated, low-power, low-voltage stereo audio codec. The AIC3263 features four digital microphone inputs, plus programmable outputs, PowerTune capabilities, enhanced fully-programmable miniDSP, predefined and parameterizable signal processing blocks, integrated PLL, and flexible digital audio interfaces. Extensive register-based control of power, input and output channel configuration, gains, effects, pin-multiplexing and clocks are included, allowing the device to be precisely targeted to its application.

The TLV320AIC3263 features two fully-programmable miniDSP cores that support application-specific algorithms in the record and/or the playback path of the device. The miniDSP cores are fully software programmable. Targeted miniDSP algorithms, such as active noise cancellation, acoustic echo cancellation or advanced DSP filtering are loaded into the device after power-up.

Combined with the advanced PowerTune technology, the device can execute operations from 8kHz mono voice playback to stereo 192kHz DAC playback, making it ideal for portable battery-powered audio and telephony applications.

The record path of the TLV320AIC3263 covers operations from 8kHz mono to 192kHz stereo recording, and contains programmable input channel configurations which cover single-ended and differential setups, as well as floating or mixing input signals. It also provides a digitally-controlled stereo microphone preamplifier and integrated microphone bias. One application of the digital signal processing blocks is removable of audible noise that may be introduced by mechanical coupling, such as optical zooming in a digital camera. The record path can also be configured for up to two stereo Pulse Density Modulation (PDM) interfaces (for instance, supporting up to 4 digital microphones) typically used at 64Fs or 128Fs.

The playback path offers signal processing blocks for filtering and effects; headphone, line, receiver, and Class-D speaker output; flexible mixing of DAC; and analog input signals as well as programmable volume controls. The playback path contains two high-power DirectPathTM headphone output drivers which eliminate the need for ac coupling capacitors. A built in charge pump generates the negative supply for the ground centered headphone drivers. These headphone output drivers can be configured in multiple ways, including stereo, and mono BTL. In addition, playback audio can be routed to an integrated Class-D speaker driver or a differential receiver amplifier.

The integrated PowerTune technology allows the device to be tuned to just the right power-performance trade-off. Mobile applications frequently have multiple use cases requiring very low-power operation while being used in a mobile environment. When used in a docked environment power consumption typically is less of a concern while lowest possible noise is important. With PowerTune the TLV320AIC3263 can address both cases.

The required internal clock of the TLV320AIC3263 can be derived from multiple sources, including the MCLK pin, the BCLK1 pin, the BCLK2 pin, several general purpose I/O pins or the output of the internal PLL, where the input to the PLL again can be derived from similar pins. Although using the internal fractional PLL ensures the availability of a suitable clock signal, it is not recommended for the lowest power settings. The PLL is highly programmable and can accept available input clocks in the range of 512kHz to 50MHz. To enable even lower clock frequencies, an integrated low-frequency clock multiplier can also be used as an input to the PLL.

The TLV320AIC3263 has a 12-bit SAR ADC converter that supports system voltage measurements. These system voltage measurements can be sourced from three dedicated analog inputs (IN1L/AUX1, IN1R/AUX2, or VBAT pins), or, alternatively, an on-chip temperature sensor that can be read by the SAR ADC.

The device also features three full Digital Audio Serial Interfaces, each supporting I2S, DSP/TDM, RJF, LJF, and mono PCM formats. This enables three simultaneous digital playback and record paths to three independent digital audio buses or chips. Additionally, the general purpose interrupt pins can be used to connect to a fourth digital audio bus, allowing the end system to easily switch in this fourth audio bus to one of the three Digital Audio Serial Interfaces. Each of the three Digital Audio Serial Interfaces can be run using separate power voltages to enable easy integration with separate chips with different I/O voltages.

The device is available in the 4.81 mm × 4.81 mm × 0.625 mm 81-Ball WCSP (DSBGA) Package.

  • Stereo Audio DAC with 101dB SNR
  • 2.7mW Stereo 48kHz DAC Playback
  • Stereo Audio ADC with 93dB SNR
  • 6.1mW Stereo 48kHz ADC Record
  • 8-192kHz Playback and Record
  • 30mW DirectPathTM Headphone Driver
    Eliminates Large Output DC-Blocking Capacitors
  • 128mW Differential Receiver Output Driver
  • Class-D Speaker Driver
    • 1.7 W (8Ω , 5.5V, 10% THDN)
    • 1.4 W (8Ω , 5.5V, 1% THDN)
  • Stereo Line Outputs
  • PowerTune - Adjusts Power versus SNR
  • Extensive Signal Processing Options
  • Eight Single-Ended or 4 Fully-Differential
    Analog Inputs
  • Analog Microphone Inputs, and Up to 4
    Simultaneous Digital Microphone Channels
  • Low Power Analog Bypass Mode
  • Fully-programmable Enhanced miniDSP with PurePathTM
    Studio Support
    • Extensive Algorithm Support for Voice and Audio
      Applications
  • Three Independent Digital Audio Serial Interfaces with
    Separate I/O Power Voltages
    • TDM and mono PCM support on all Audio Serial
      Interfaces
    • 8-channel Input and Output on Audio Serial Interface 1
  • Programmable PLL, plus Low-Frequency Clocking
  • Programmable 12-Bit SAR ADC
  • SPI and I2C Control Interfaces
  • 4.81 mm × 4.81 mm × 0.625 mm 81-Ball WCSP (DSBGA) Package
Number of ADC channels2
Number of DAC channels2
Digital audio interfaceDSP, I2S, L&R, PCM, TDM
Analog inputs8
Analog outputs7
Sampling rate (max) (kHz)192
RatingCatalog
FeaturesMiniDSP, Mono Class-D amplifier, Stereo headphone amplifier
ADC SNR (typ) (dB)93
DAC SNR (typ) (dB)101
Operating temperature range (°C)-40 to 85
DSBGA (YZF)8125 mm² 5 x 5
产品购买
  • 商品型号
  • 封装
  • 工作温度
  • 包装
  • 价格
  • 现货库存
  • 操作
10s
温馨提示:
订单商品问题请移至我的售后服务提交售后申请,其他需投诉问题可移至我的投诉提交,我们将在第一时间给您答复
返回顶部