h1_key

TI(德州仪器) TAS5614LA
德州仪器 (TI) 全系列产品在线购买
  • TI(德州仪器) TAS5614LA
  • TI(德州仪器) TAS5614LA
  • TI(德州仪器) TAS5614LA
  • TI(德州仪器) TAS5614LA
  • TI(德州仪器) TAS5614LA
  • TI(德州仪器) TAS5614LA
立即查看
您当前的位置: 首页 > 音频 > 音频放大器 > 扬声器放大器 > TAS5614LA
TAS5614LA

TAS5614LA

正在供货

具有热增强性能的 150W 立体声、300W 单声道、12V 至 38V、PWM 输入 D 类音频放大器

产品详情
  • 说明
  • 特性
  • 参数
  • 封装 | 引脚 | 尺寸

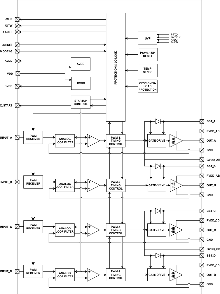
TAS5614LA 器件是一款基于 TAS5614LA 的功能优化 D 类功率放大器。

TAS5614LA 使用大型金属氧化物半导体场效应晶体管 (MOSFET) 提升功率效率,并采用新型栅极驱动方案降低空闲状态下和输出信号较低时的损耗,从而减小散热器尺寸。

该器件可使用独特的预钳位输出信号来控制 G 类电源。 这一优势与 TAS5614LA 的低空闲损耗和高功率效率相结合,可实现行业领先水平的效率,从而确保构建超级“绿色”系统。

TAS5614LA 使用恒定电压增益。 内部匹配增益电阻器确保了一个高电源抑制比,使得输出电压只取决于音频输入电压并避免了任何电源的人工缺陷。

TAS5614LA 的高集成度使得放大器易于使用;另外,使用 TI 的参考原理图和 PCB 布局缩短了设计时间。 TAS5614LA 采用节省空间的表面贴装 44 引脚 HTSSOP 封装。

  • PurePath HD 集成反馈提供:
    • 1W 功率/4Ω 负载条件下的总谐波失真 (THD) 为 0.03%
    • 电源抑制比 (PSRR) > 65dB(无输入信号)
    • (A 加权)信噪比 (SNR) > 105dB
  • 用于控制 G 类电源的预钳位输出
  • 通过使用 60mΩ 输出金属氧化物半导体场效应晶体管 (MOSFET) 减小了散热器体积,满输出功率时效率 > 90%
  • 总谐波失真+噪声 (THD+N) 为 10% 时的输出功率
    • 150W/4Ω,桥接负载 (BTL) 立体声配置
    • 300W/2Ω,并行桥接负载 (PBTL) 单声道配置
  • THD+N 为 1% 时的输出功率
    • 125W/4Ω,桥接负载 (BTL) 立体声配置
    • 65W/8Ω,桥接负载 (BTL) 立体声配置
  • 启动时无喀哒声和噼啪声
  • 采用具有错误报告功能的自我保护设计,包含欠压保护 (UVP)、过热保护和短路保护
  • 采用推荐的系统设计时,符合电磁干扰 (EMI) 标准
  • 采用 44 引脚散热薄型小外形尺寸 (HTSSOP) (DDV) 封装,减小了电路板尺寸

应用

  • 蓝光碟 和 DVD 接收器
  • 高功率条形音响
  • 有源超低音扬声器和有源扬声器
  • 微型 Combo 系统

All trademarks are the property of their respective owners.

Audio input typePWM
ArchitectureClass-D
Speaker channels (max)4
RatingCatalog
Power stage supply (max) (V)36
Power stage supply (min) (V)12
Load (min) (Ω)4
Output power (W)150
SNR (dB)105
THD + N at 1 kHz (%)0.03
Iq (typ) (mA)22.3
Control interfaceHardware
Closed/open loopClosed
Analog supply (min) (V)10.8
Analog supply voltage (max) (V)13.2
PSRR (dB)80
Operating temperature range (°C)0 to 125
HTSSOP (DDV)44113.4 mm² 14 x 8.1
产品购买
  • 商品型号
  • 封装
  • 工作温度
  • 包装
  • 价格
  • 现货库存
  • 操作
10s
温馨提示:
订单商品问题请移至我的售后服务提交售后申请,其他需投诉问题可移至我的投诉提交,我们将在第一时间给您答复
返回顶部