h1_key

TI(德州仪器) PCM2906C
德州仪器 (TI) 全系列产品在线购买
  • TI(德州仪器) PCM2906C
  • TI(德州仪器) PCM2906C
  • TI(德州仪器) PCM2906C
  • TI(德州仪器) PCM2906C
  • TI(德州仪器) PCM2906C
  • TI(德州仪器) PCM2906C
立即查看
您当前的位置: 首页 > 音频 > 音频转换器 > 音频 USB 转换器 > PCM2906C
PCM2906C

PCM2906C

正在供货

采用总线供电且具有线路输出和 S/PDIF 的立体声 USB 编解码器

产品详情
  • 说明
  • 特性
  • 参数
  • 封装 | 引脚 | 尺寸

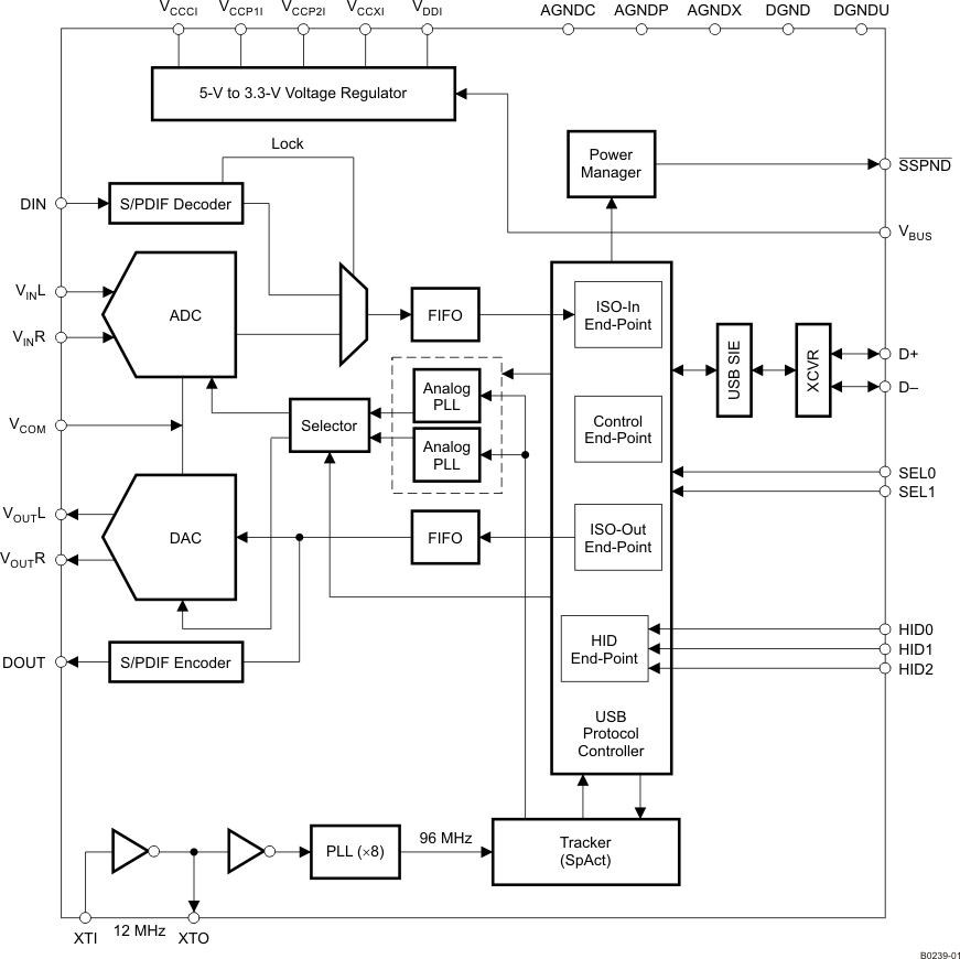
PCM2906C 是德州仪器的含有一个USB兼容全速协议控制器和S/PDIF的单片,USB,立体声编码器。 USB 协议控制器无需软件编码。 PCM2906C 采用 SpAct 架构,这是 TI 用于从 USB 数据包数据恢复音频时钟的独特系统。 采用SpAct 的片载模拟PLL支持具有低时钟抖动以及独立回放和录音采样率的回放和录音。

  • 片载 USB 接口:
    • 具有全速收发器
    • 完全符合 USB 2.0 规范
    • 由 USB-IF 认证
    • 用于回放的 USB 自适应模式
    • 用于记录的 USB 异步模式
    • 总线供电
  • 16 位 Δ-Σ ADC 和 DAC
  • 采样速率:
    • DAC: 32,44.1,48 kHz
    • ADC: 8,11.025,16,22.05,32,44.1,48 kHz
  • 具有单个 12-MHz 时钟源的片载时钟发生器
  • S/PDIF 输入/输出
  • 单电源:
    • 5 V 典型值 (VBUS)
  • 立体声 ADC:
    • VBUS 时的模拟性能 = 5V:
      • THD+N = 0.01%
      • SNR = 89 dB
      • 动态范围 = 89 dB
    • 数字抽取滤波器:
      • 通频带纹波 = ±0.05 dB
      • 阻带衰减 = –65 dB
    • 单端电压输入
    • 包含抗混淆滤波器
    • 包含数字 HPF
  • 立体声 DAC:
    • VBUS 上的模拟性能 = 5V:
      • THD+N = 0.005%
      • SNR = 96 dB
      • 动态范围 = 93 dB
    • 过采样数字滤波器:
      • 通频带纹波 = ±0.1 dB
      • 阻带衰减 = –43 dB
    • 单端电压输出
    • 包含模拟 LPF
  • 多功能:
    • 人机接口 (HID) 功能:
      • 音量控制和静音
    • 终止标识功能
  • 28-引脚 SSOP 封装
Number of ADC channels2
Number of DAC channels2
Analog inputs2
Sampling rate (max) (kHz)48
Control interfaceHID
Features500-mA max power configuration, S/PDIF I/O
Analog outputs2
RatingCatalog
Operating temperature range (°C)-25 to 85
SSOP (DB)2879.56 mm² 10.2 x 7.8
产品购买
  • 商品型号
  • 封装
  • 工作温度
  • 包装
  • 价格
  • 现货库存
  • 操作
10s
温馨提示:
订单商品问题请移至我的售后服务提交售后申请,其他需投诉问题可移至我的投诉提交,我们将在第一时间给您答复
返回顶部