h1_key

TI(德州仪器) PCM2704C
德州仪器 (TI) 全系列产品在线购买
  • TI(德州仪器) PCM2704C
  • TI(德州仪器) PCM2704C
  • TI(德州仪器) PCM2704C
  • TI(德州仪器) PCM2704C
  • TI(德州仪器) PCM2704C
  • TI(德州仪器) PCM2704C
立即查看
您当前的位置: 首页 > 音频 > 音频转换器 > 音频 DAC > PCM2704C
PCM2704C

PCM2704C

正在供货

具有线路输出和 S/PDIF 输出、总线供电/自供电的 98dB SNR 立体声全速 DAC(外部 ROM 接口)

产品详情
  • 说明
  • 特性
  • 参数
  • 封装 | 引脚 | 尺寸

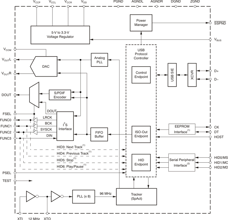
The PCM270xC are TI’s single-chip USB stereo audio digital-to-analog converters (DACs) with USB 2.0 compliant full-speed protocol controller and S/PDIF. The USB-protocol controller works with no software code, but USB descriptors can be modified in some areas (for example, vendor ID/product ID) through the use of an external ROM (PCM2704C and PCM2706C) or serial peripheral interface (SPI) (PCM2705C and PCM2707C). The PCM270xC also employ SpAct architecture, TI's unique system that recovers the audio clock from USB packet data. On-chip analog phase-locked loops (PLLs) with SpAct enable playback with low clock jitter.

  • On-Chip USB Interface:
    • No Dedicated Device Driver Needed
    • Full-Speed Transceivers
    • Fully Compliant With USB 2.0 Specification
      • USB 1.1 Descriptors With USB Audio
        Class Support
    • Certified by USB-IF
    • Partially Programmable Descriptors
    • Adaptive Isochronous Transfer for Playback
    • Bus-Powered or Self-Powered Operation
  • Sampling Rates: 32 kHz, 44.1 kHz, and 48 kHz
  • On-Chip Clock Generator With Single 12-MHz
    Clock Source
  • Single Power Supply:
    • Bus-Powered: 5 V, Typical (VBUS)
    • Self-Powered: 3.3 V, Typical
  • 16-Bit Delta-Sigma Stereo DAC
    • Analog Performance at 5 V (Bus-Powered),
      3.3 V (Self-Powered):
      • THD + N: 0.006% RL > 10 kΩ, Self-
        Powered
      • THD + N: 0.025% RL = 32 Ω
      • SNR = 98 dB
      • Dynamic Range: 98 dB
      • PO = 12 mW, RL = 32 Ω
    • Oversampling Digital Filter
      • Passband Ripple = ±0.04 dB
      • Stop-Band Attenuation = –50 dB
    • Single-Ended Voltage Output
    • Analog LPF Included
  • Multiple Functions:
    • Up to Eight Human Interface Device (HID)
      Interfaces (Model and Setting Dependent)
    • Suspend Flag
    • S/PDIF Out With SCMS
    • External ROM Interface (PCM2704C/6C)
    • Serial Programming Interface (PCM2705C/7C)
    • I2S Interface (Selectable on PCM2706C/7C)
Number of DAC channels0
Analog inputs0
Analog outputs2
DAC SNR (typ) (dB)0
Sampling rate (max) (kHz)48
Control interfaceHID
Resolution (Bits)16
ArchitectureUSB 2.0
Operating temperature range (°C)-25 to 85
RatingCatalog
SSOP (DB)2879.56 mm² 10.2 x 7.8
产品购买
  • 商品型号
  • 封装
  • 工作温度
  • 包装
  • 价格
  • 现货库存
  • 操作
10s
温馨提示:
订单商品问题请移至我的售后服务提交售后申请,其他需投诉问题可移至我的投诉提交,我们将在第一时间给您答复
返回顶部