h1_key

TI(德州仪器) TS3A26746E
德州仪器 (TI) 全系列产品在线购买
  • TI(德州仪器) TS3A26746E
  • TI(德州仪器) TS3A26746E
  • TI(德州仪器) TS3A26746E
  • TI(德州仪器) TS3A26746E
  • TI(德州仪器) TS3A26746E
  • TI(德州仪器) TS3A26746E
立即查看
您当前的位置: 首页 > 开关与多路复用器 > 特定于协议的开关和多路复用器 > TS3A26746E
TS3A26746E

TS3A26746E

正在供货

适用于音频应用的 80mΩ、3.3V、2 x 2 交叉点开关

产品详情
  • 说明
  • 特性
  • 参数
  • 封装 | 引脚 | 尺寸

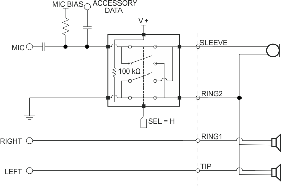
TS3A26746E 是一款 2 × 2 交叉点开关,此开关被用来在耳机连接器上交替接地及 MIC 连接。 接地开关具有不足 0.1Ω 的超低 R导通以大大降低其上的电压压降,从而可防止耳机接地基准电压意外升高。 该开关状态可通过 SEL 输入进行控制。 当 SEL 为高电平时,GND 被连接至 RING2,而 MIC 被连接至 SLEEVE。 当 SEL 为低时,GND 被连接至 SLEEVE,而 MIC 则被连接至 RING2。 SEL 输入上的内部 100k 上拉电阻器可设定开关的缺省状态。

  • 针对接地 (GND) 开关的超低 R导通(典型值 80mΩ)
  • 针对麦克风 (MIC) 开关的 R导通小于 10Ω
  • 3.0V 至 3.6V V+ 运行
  • 控制输入符合 1.8 V 逻辑要求
  • 6 焊锡凸点,0.5mm 焊球间距芯片级 (CSP) 封 (1.45mm × 0.95mm × 0.5mm)
  • 锁断性能超过 100mA(符合 JESD 78,II 类规范的要求)
  • 静电放电 (ESD) 性能测试符合 JESD 22 标准
    • 2000V 人体模型(A114-B,II 类)
    • 500V 充电器件模型 (C101)
  • ESD 性能 (SLEEVE,RING2)
    • ±8kV 接触放电 (IEC 61000-4-2)
ProtocolsAnalog Audio
ConfigurationCrosspoint/exchange
Number of channels2
Supply voltage (max) (V)3.6
Supply voltage (min) (V)3
Ron (typ) (mΩ)80
Input/output voltage (min) (V)0
Input/output voltage (max) (V)3.6
Supply current (typ) (µA)40
ESD HBM (typ) (kV)2
Operating temperature range (°C)-40 to 85
ESD CDM (kV)0.5
Input/output continuous current (max) (mA)100
OFF-state leakage current (max) (µA)0.5
Propagation delay time (µs)0.01
Ron (max) (mΩ)110
RON flatness (typ) (Ω)1
Turnoff time (disable) (max) (ns)10
Turnon time (enable) (max) (ns)200
VIH (min) (V)1.2
VIL (max) (V)0.4
DSBGA (YZP)62.1875 mm² 1.75 x 1.25
产品购买
  • 商品型号
  • 封装
  • 工作温度
  • 包装
  • 价格
  • 现货库存
  • 操作
10s
温馨提示:
订单商品问题请移至我的售后服务提交售后申请,其他需投诉问题可移至我的投诉提交,我们将在第一时间给您答复
返回顶部