h1_key

TI(德州仪器) TAS5630B
德州仪器 (TI) 全系列产品在线购买
  • TI(德州仪器) TAS5630B
  • TI(德州仪器) TAS5630B
  • TI(德州仪器) TAS5630B
  • TI(德州仪器) TAS5630B
  • TI(德州仪器) TAS5630B
  • TI(德州仪器) TAS5630B
立即查看
您当前的位置: 首页 > 音频 > 音频放大器 > 扬声器放大器 > TAS5630B
TAS5630B

TAS5630B

正在供货

300W 立体声、400W 单声道、25V 至 52.5V 电源电压、模拟输入 D 级音频放大器

产品详情
  • 说明
  • 特性
  • 参数
  • 封装 | 引脚 | 尺寸

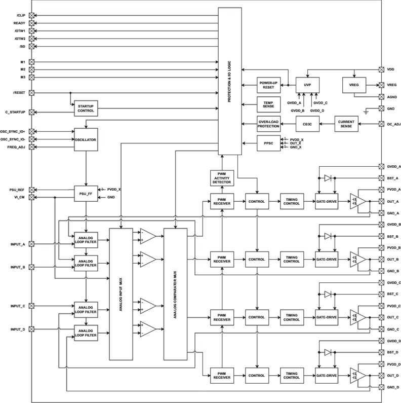
The TAS5630B device is a high-performance analog-input class-D amplifier with integrated closed-loop feedback technology (known as PurePath HD technology) with the ability to drive up to 300 W Achievable output power levels are dependent on the thermal configuration of the target application. A high-performance thermal interface material between the exposed package heat slug and the heat sink should be used to achieve high output power levels. stereo into 4-Ω to 8-Ω speakers from a single 50-V supply.

PurePath HD technology enables traditional AB-amplifier performance (< 0.03% THD) levels while providing the power efficiency of traditional class-D amplifiers.

Unlike traditional class-D amplifiers, the distortion curve does not increase until the output levels move into clipping.

PurePath HD technology enables lower idle losses, making the device even more efficient. When coupled with TI’s class-G power-supply reference design for TAS563x, industry-leading levels of efficiency can be achieved.

  • PurePath™ HD Enabled Integrated Feedback
    Provides:
    • Signal Bandwidth up to 80 kHz for High-
      Frequency Content From HD Sources
    • Ultralow 0.03% THD at 1 W into 4 Ω
    • Flat THD at All Frequencies for Natural Sound
    • 80-dB PSRR (BTL, No Input Signal)
    • > 100-dB (A-weighted) SNR
    • Click- and Pop-Free Start-up
  • Multiple Configurations Possible on the Same
    PCB With Stuffing Options:
    • Mono Parallel Bridge-Tied Load (PBTL)
    • Stereo Bridge-Tied Load (BTL)
    • 2.1 Single-Ended Stereo Pair and BTL
      Subwoofer
    • Quad Single-Ended Outputs
  • Total Output Power at 10% THD+N
    • 400 W in Mono PBTL Configuration
    • 300 W per Channel in Stereo BTL
      Configuration
    • 145 W per Channel in Quad Single-Ended
      Configuration
  • High-Efficiency Power Stage (> 88%) With 60-mΩ
    Output MOSFETs
  • Two Thermally Enhanced Package Options:
    • PHD (64-Pin QFP)
    • DKD (44-Pin PSOP3)
  • Self-Protection Design (Including Undervoltage,
    Overtemperature, Clipping, and Short-Circuit
    Protection) With Error Reporting
  • EMI Compliant When Used With Recommended
    System Design
  • APPLICATIONS
    • Mini Combo System
    • AV Receivers
    • DVD Receivers
    • Active Speakers

All other trademarks are the property of their respective owners

Audio input typeAnalog Input
ArchitectureClass-D
Speaker channels (max)4
RatingCatalog
Power stage supply (max) (V)52.5
Power stage supply (min) (V)25
Load (min) (Ω)4
Output power (W)300
SNR (dB)100
THD + N at 1 kHz (%)0.03
Iq (typ) (mA)13.3
Control interfaceHardware
Closed/open loopClosed
Analog supply (min) (V)10.8
Analog supply voltage (max) (V)13.2
Sampling rate (max) (kHz)48
PSRR (dB)80
Operating temperature range (°C)0 to 70
HTQFP (PHD)64256 mm² 16 x 16
产品购买
  • 商品型号
  • 封装
  • 工作温度
  • 包装
  • 价格
  • 现货库存
  • 操作
10s
温馨提示:
订单商品问题请移至我的售后服务提交售后申请,其他需投诉问题可移至我的投诉提交,我们将在第一时间给您答复
返回顶部