h1_key

TI(德州仪器) TAS5717
德州仪器 (TI) 全系列产品在线购买
  • TI(德州仪器) TAS5717
  • TI(德州仪器) TAS5717
  • TI(德州仪器) TAS5717
  • TI(德州仪器) TAS5717
  • TI(德州仪器) TAS5717
  • TI(德州仪器) TAS5717
立即查看
您当前的位置: 首页 > 音频 > 音频放大器 > 扬声器放大器 > TAS5717
TAS5717

TAS5717

正在供货

具有集成无电容耳机的 10W 立体声、4.5V 至 26V、数字输入开环 D 级放大器

产品详情
  • 说明
  • 特性
  • 参数
  • 封装 | 引脚 | 尺寸

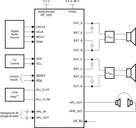
The TAS5717/TAS5719 is a 10-W/15-W, efficient, digital audio-power amplifier for driving stereo bridge-tied speakers. One serial data input allows processing of up to two discrete audio channels and seamless integration to most digital audio processors and MPEG decoders. The device accepts a wide range of input data and data rates. A fully programmable data path routes these channels to the internal speaker drivers.

The TAS5717/9 is a slave-only device receiving all clocks from external sources. The TAS5717/TAS5719 operates with a PWM carrier between a 384-kHz switching rate and a 352-KHz switching rate, depending on the input sample rate. Oversampling combined with a fourth-order noise shaper provides a flat noise floor and excellent dynamic range from 20 Hz to 20 kHz.

  • Audio Input/Output
    • TAS5717 Supports 2×10 W and TAS5719 Supports 2×15 W Output
    • Wide PVDD Range, From 4.5 V to 26 V
    • Efficient Class-D Operation Eliminates Need for Heatsinks
    • Requires Only 3.3 V and PVDD
    • One Serial Audio Input (Two Audio Channels)
    • I2C Address Selection via PIN (Chip Select)
    • Supports 8-kHz to 48-kHz Sample Rate (LJ/RJ/I2S)
    • External Headphone-Amplifier Shutdown Signal
    • Integrated CAP-Free Headphone Amplifier
    • Stereo Headphone (Stereo 2-V RMS Line Driver) Outputs
  • Audio/PWM Processing
    • Independent Channel Volume Controls With 24-dB to Mute
    • Programmable Two-Band Dynamic Range Control
    • 14 Programmable Biquads for Speaker EQ
    • Programmable Coefficients for DRC Filters
    • DC Blocking Filters
    • 0.125-dB Fine Volume Support
  • General Features
    • Serial Control Interface Operational Without MCLK
    • Factory-Trimmed Internal Oscillator for Automatic Rate Detection
    • Surface Mount, 48-Pin, 7-mm × 7-mm HTQFP Package
    • AD, BD, and Ternary PWM-Mode Support
    • Thermal and Short-Circuit Protection
  • Benefits
    • EQ: Speaker Equalization Improves Audio Performance
    • DRC: Dynamic Range Compression. Can Be Used As Power Limiter.
      Enables Speaker Protection, Easy Listening, Night-Mode Listening
    • DirectPath Technology: Eliminates Bulky DC Blocking Capacitors
    • Stereo Headphone/Stereo Line Drivers: Adjust Gain via External Resistors,
      Dedicated Active Headpone Mute Pin, High Signal-to-Noise Ratio
    • Two-Band DRC: Set Two Different Thresholds for Low- and
      High-Frequency Content

FilterPro is a trademark of Texas Instruments.

Audio input typeDigital Input
ArchitectureClass-D
Speaker channels (max)Stereo
RatingCatalog
Power stage supply (max) (V)26
Power stage supply (min) (V)4.5
Load (min) (Ω)4
Output power (W)30
SNR (dB)105
THD + N at 1 kHz (%)0.13
Iq (typ) (mA)48
Control interfaceSoftware
Closed/open loopOpen
Analog supply (min) (V)3
Analog supply voltage (max) (V)3.6
Sampling rate (max) (kHz)48
Operating temperature range (°C)0 to 85
HTQFP (PHP)4881 mm² 9 x 9
产品购买
  • 商品型号
  • 封装
  • 工作温度
  • 包装
  • 价格
  • 现货库存
  • 操作
10s
温馨提示:
订单商品问题请移至我的售后服务提交售后申请,其他需投诉问题可移至我的投诉提交,我们将在第一时间给您答复
返回顶部