h1_key

TI(德州仪器) TPA3117D2
德州仪器 (TI) 全系列产品在线购买
  • TI(德州仪器) TPA3117D2
  • TI(德州仪器) TPA3117D2
  • TI(德州仪器) TPA3117D2
  • TI(德州仪器) TPA3117D2
  • TI(德州仪器) TPA3117D2
  • TI(德州仪器) TPA3117D2
立即查看
您当前的位置: 首页 > 音频 > 音频放大器 > 扬声器放大器 > TPA3117D2
TPA3117D2

TPA3117D2

正在供货

带 SpeakerGuard™、支持无滤波器操作的 15W 立体声、8V 至 26V 电源电压、模拟输入 D 级音频放大器

产品详情
  • 说明
  • 特性
  • 参数
  • 封装 | 引脚 | 尺寸

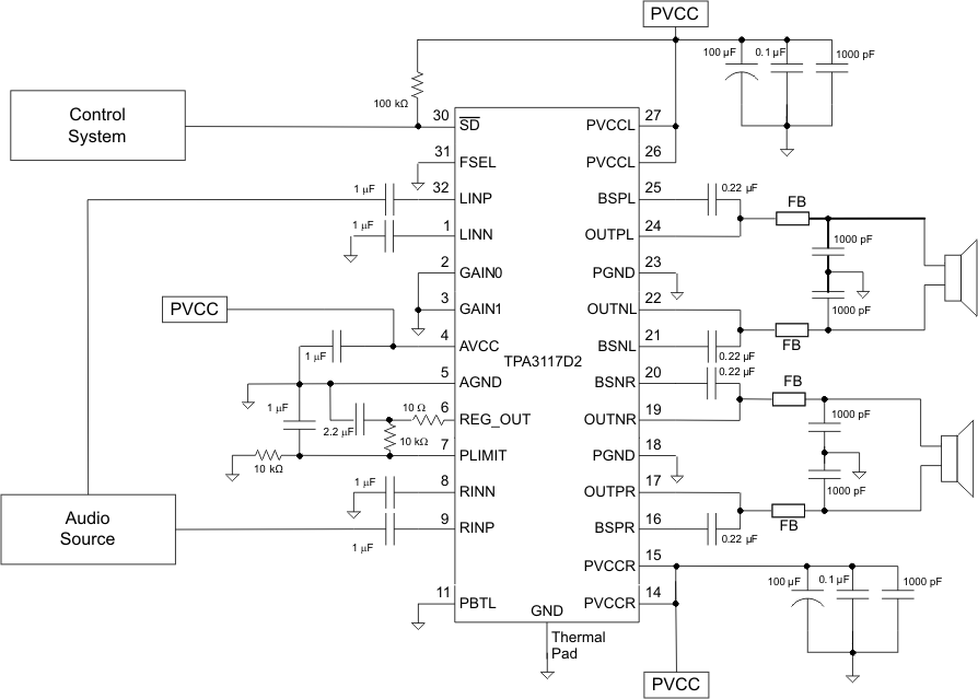
The TPA3117D2 is a 15W (per channel) efficient, Class-D audio power amplifier for driving bridged-tied stereo speakers. Advanced EMI Suppression Technology enables the use of inexpensive ferrite bead filters at the outputs while meeting EMC requirements. SpeakerGuard™ speaker protection circuitry includes an adjustable power limiter. The adjustable power limiter allows the user to set a "virtual" voltage rail lower than the chip supply to limit the amount of current through the speaker.

The TPA3117D2 can drive stereo speakers as low as 4. The high efficiency of the TPA3117D2, 90%, eliminates the need for an external heat sink when playing music.

The outputs are also fully protected against shorts to GND, VCC, and output-to-output. The short-circuit protection and thermal protection includes an auto-recovery feature.

  • 15-W/ch into 8 Loads at 10% THD+N From a 16V Supply
  • 10-W/ch into 8 Loads at 10% THD+N From a 13V Supply
  • 90% Efficient Class-D Operation Eliminates Need for Heat Sinks
  • Wide Supply Voltage Range Allows Operation from 8V to 26V
  • Filter-Free Operation
  • SpeakerGuard™ Speaker Protection Includes Adjustable Power Limiter
  • Excellent THD+N / Pop-Free Performance
  • Four Selectable, Fixed Gain Settings
  • Differential Inputs
  • Selectable Switching Frequency (290kHz or 390kHz) Allows
    Multiple Devices to be Used in One System
  • Integrated 5V Regulator With up to 30 mA of Output Current
    for Powering External Data Converters
  • 5mm × 5mm QFN Packaging
  • APPLICATIONS
    • Televisions
    • Consumer Audio Equipment
    • All-in-One Computers

SpeakerGuard is a trademark of Texas Instruments.

Audio input typeAnalog Input
ArchitectureClass-D
Speaker channels (max)Stereo
RatingCatalog
Power stage supply (max) (V)26
Power stage supply (min) (V)8
Load (min) (Ω)4
Output power (W)15
SNR (dB)102
THD + N at 1 kHz (%)0.1
Iq (typ) (mA)10
Control interfaceHardware
Analog supply (min) (V)8
Analog supply voltage (max) (V)26
PSRR (dB)72
Operating temperature range (°C)-40 to 85
VQFN (RHB)3225 mm² 5 x 5
产品购买
  • 商品型号
  • 封装
  • 工作温度
  • 包装
  • 价格
  • 现货库存
  • 操作
10s
温馨提示:
订单商品问题请移至我的售后服务提交售后申请,其他需投诉问题可移至我的投诉提交,我们将在第一时间给您答复
返回顶部