h1_key

TI(德州仪器) PCM9211
德州仪器 (TI) 全系列产品在线购买
  • TI(德州仪器) PCM9211
  • TI(德州仪器) PCM9211
  • TI(德州仪器) PCM9211
  • TI(德州仪器) PCM9211
  • TI(德州仪器) PCM9211
  • TI(德州仪器) PCM9211
立即查看
您当前的位置: 首页 > 音频 > 音频接口 IC > SPDIF 收发器 > PCM9211
PCM9211

PCM9211

正在供货

具有立体声 ADC 和路由的 216kHz 数字音频接口收发器 (DIX)

产品详情
  • 说明
  • 特性
  • 参数
  • 封装 | 引脚 | 尺寸

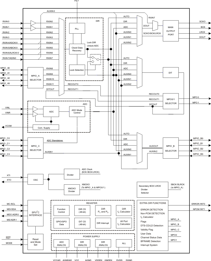
PCM9211 是一个完整的模拟和数字前端,适用于当今的多媒体播放器、条形音箱和录音机。

PCM9211 集成了立体声 ADC、S/PDIF 收发器(具有多达 12 个多路复用输入)和 3 个 PCM 输入,这些 PCM 输入支持对其他音频接收器进行多路复用且提供到数字信号处理器的模拟和 S/PDIF 信号。

  • 集成了 DIX、ADC 和信号路由:
    • 异步操作(DIR、DIT、ADC)
    • PCM 数据多路复用和路由:
      • I2S、左平衡、右平衡
    • 通用输入/输出引脚
  • 数字音频接口接收器 (DIR):
    • 24 位,可支持 216kHz 的频率
    • 50ps 超低抖动
    • 非 PCM 检测(IEC61937、DTS-CD/LD)
    • 12 个 S/PDIF 输入端口:
      • 2 个同轴 S/PDIF 输入
      • 10 个光纤 S/PDIF 输入
  • 数字音频接口发送器 (DIT):
    • 24 位,可支持 216kHz 的频率
    • 24 位数据长度
    • 48 位通道状态缓冲器
    • 同步和异步操作
  • 模数转换器 (ADC):
    • 24 位,可支持 96kHz 的频率
    • 动态范围:101dB (fS = 96kHz)
    • 同步、异步操作
  • 路由功能:
    • 输入:3 个 PCM、1 个 DIR、1 个 ADC
    • 输出:主输出、辅助输出、DIT
    • 多通道(8 通道)PCM 路由
  • 其他功能特性:
    • 关断(引脚和寄存器控制)
    • PCM 端口采样频率计数器
    • GPIO 和 GPO
    • 适用于外部晶振的 OSC (24.576MHz)
    • SPI、I2C 或硬件控制模式
  • 电源:
    • 3.3V(2.9V 至 3.6V)DIX 全数字电源
    • 5V(4.5V 至 5.5V)ADC 模拟电源
  • 工作温度:–40°C 至 +85°C
  • 封装:48 管脚 LQFP
Jitter (ps)50
Sampling rate (max) (kHz)216
RatingCatalog
Operating temperature range (°C)-40 to 85
LQFP (PT)4881 mm² 9 x 9
产品购买
  • 商品型号
  • 封装
  • 工作温度
  • 包装
  • 价格
  • 现货库存
  • 操作
10s
温馨提示:
订单商品问题请移至我的售后服务提交售后申请,其他需投诉问题可移至我的投诉提交,我们将在第一时间给您答复
返回顶部