h1_key

TI(德州仪器) TLV320AIC3110
德州仪器 (TI) 全系列产品在线购买
  • TI(德州仪器) TLV320AIC3110
  • TI(德州仪器) TLV320AIC3110
  • TI(德州仪器) TLV320AIC3110
  • TI(德州仪器) TLV320AIC3110
  • TI(德州仪器) TLV320AIC3110
  • TI(德州仪器) TLV320AIC3110
立即查看
您当前的位置: 首页 > 音频 > 音频转换器 > 音频编解码器 > TLV320AIC3110
TLV320AIC3110

TLV320AIC3110

正在供货

具有 1.3W 立体声 D 级扬声器放大器的低功耗音频编解码器

产品详情
  • 说明
  • 特性
  • 参数
  • 封装 | 引脚 | 尺寸

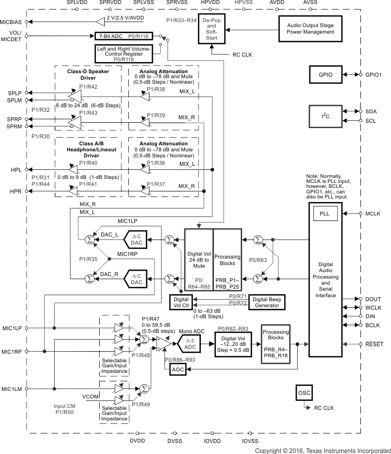
The TLV320AIC3110 device is a low-power, highly integrated, high-performance codec that supports stereo audio DAC, and mono audio ADC.

The TLV320AIC3110 device features a high-performance audio codec with 24-bit stereo playback and monaural record functionality. The device integrates several analog features, such as a microphone interface, headphone drivers, and speaker drivers. The digital-audio data format is programmable to work with popular audio standard protocols (I2S, left-justified and right-justified) in master, slave, DSP, and TDM modes. Bass boost, treble, or EQ is supported by the programmable digital-signal processing blocks (PRB). An on-chip PLL provides the high-speed clock required by the digital-signal processing block. The volume level is controlled either by pin control or by register control. The audio functions are controlled using the I2C serial bus.

The TLV320AIC3110 device has a programmable digital sine-wave generator and is available in a 32-pin VQFN package.

  • Stereo Audio DAC With 95-dB SNR
  • Mono Audio ADC With 91-dB SNR
  • Supports 8-kHz to 192-kHz Separate DAC and
    ADC Sample Rates
  • Stereo 1.29-W Class-D BTL 8-Ω Speaker Driver
    With Direct Battery Connection
  • One Differential and Three Single-Ended Inputs
    With Mixing and Level Controls
  • Microphone With Bias, Preamp PGA, and AGC
  • Built-in Digital Audio Processing Blocks (PRB) With
    User-Programmable Biquad, FIR Filters, and DRC
  • Digital Mixing Capability
  • Programmable Digital Audio Processor for Bass
    Boost/Treble/EQ With up to Five Biquads for
    Record and up to Six Biquads for Playback
  • Pin Control or Register Control for Digital-Playback
    Volume-Control Settings
  • Digital Sine-Wave Generator for Beeps and Key-
    Clicks
  • Integrated PLL Used for Programmable Digital
    Audio Processor
  • I2S, Left-Justified, Right-Justified, DSP, and TDM
    Audio Interfaces
  • I2C Control With Register Auto-Increment
  • Full Power-Down Control
  • Power Supplies:
    • Analog: 2.7 V–3.6 V
    • Digital Core: 1.65 V–1.95 V
    • Digital I/O: 1.1 V–3.6 V
    • Class-D: 2.7 V–5.5 V (SPLVDD and SPRVDD ≥
      AVDD)
  • 5-mm × 5-mm 32-VQFN Package
  • APPLICATIONS
    • Portable Audio Devices
    • Mobile Internet Devices
    • e-Books

Number of ADC channels1
Number of DAC channels2
Digital audio interfaceDSP, I2S, L, R, TDM
Analog inputs3
Analog outputs4
Sampling rate (max) (kHz)192
RatingCatalog
FeaturesDigital mic support, Phase-locked loop (PLL), Stereo Class-D amplifier, Stereo headphone amplifier
ADC SNR (typ) (dB)90
DAC SNR (typ) (dB)95
Operating temperature range (°C)-40 to 85
VQFN (RHB)3225 mm² 5 x 5
产品购买
  • 商品型号
  • 封装
  • 工作温度
  • 包装
  • 价格
  • 现货库存
  • 操作
10s
温馨提示:
订单商品问题请移至我的售后服务提交售后申请,其他需投诉问题可移至我的投诉提交,我们将在第一时间给您答复
返回顶部