h1_key

TI(德州仪器) TLV320AIC3100
德州仪器 (TI) 全系列产品在线购买
  • TI(德州仪器) TLV320AIC3100
  • TI(德州仪器) TLV320AIC3100
  • TI(德州仪器) TLV320AIC3100
  • TI(德州仪器) TLV320AIC3100
  • TI(德州仪器) TLV320AIC3100
  • TI(德州仪器) TLV320AIC3100
立即查看
您当前的位置: 首页 > 音频 > 音频转换器 > 音频编解码器 > TLV320AIC3100
TLV320AIC3100

TLV320AIC3100

正在供货

具有音频处理和单声道 D 级放大器的低功耗音频编解码器

产品详情
  • 说明
  • 特性
  • 参数
  • 封装 | 引脚 | 尺寸

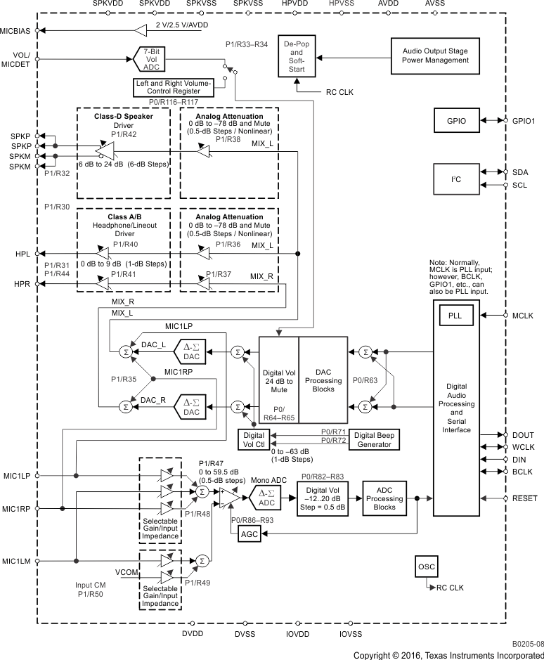
The TLV320AIC3100 is a low-power, highly integrated, high-performance codec which provides a stereo audio DAC, a mono audio ADC, and a mono class-D 4-Ω speaker driver.

The TLV320AIC3100 features a high-performance audio codec with 24-bit stereo playback and monaural record functionality. The device integrates several analog features, such as a microphone interface, headphone drivers, and speaker drivers. The TLV320AIC3100 has built-in digital audio processing blocks (PRB) for both the DAC and ADC paths. The digital audio data format is programmable to work with popular audio standard protocols (I2S, left/right-justified) in master, slave, DSP, and TDM modes. Bass boost, treble, or EQ can be supported by the programmable digital signal-processing block. An on-chip PLL provides the high-speed clock needed by the digital signal-processing block. The volume level can be controlled by either pin control or by register control. The audio functions are controlled using the I2C serial bus.

The TLV320AIC3100 has a programmable digital sine-wave generator and is available in a 32-pin QFN package.

  • Stereo Audio DAC With 95-dB SNR
  • Mono Audio ADC With 91-dB SNR
  • Supports 8-kHz to 192-kHz Separate DAC and ADC Sample Rates
  • Mono Class-D BTL Speaker Driver (2.5 W Into 4 Ω or 1.6 W Into 8 Ω)
  • One Differential and Three Single-Ended Inputs With Mixing and Level Control
  • Microphone With Bias, Preamp PGA, and AGC
  • Built-In Digital Audio Processing Blocks (PRB) With User-Programmable Biquad and FIR Filters
  • Digital Mixing Capability
  • Programmable Digital Audio Processor for Bass Boost/Treble/EQ With up to Five Biquads for Record and up to Six Biquads for Playback
  • Pin Control or Register Control for Digital-Playback Volume-Control Settings
  • Digital Sine-Wave Generator for Beep
  • Integrated PLL Used for Programmable Digital Audio Processor
  • I2S, Left-Justified, Right-Justified, DSP, and TDM Audio Interfaces
  • I2C Control With Register Auto-Increment
  • Full Power-Down Control
  • Power Supplies:
    • Analog: 2.7 V–3.6 V
    • Digital Core: 1.65 V–1.95 V
    • Digital I/O: 1.1 V–3.6 V
    • Class-D: 2.7 V–5.5 V (SPKVDD ≥ AVDD)
  • 5-mm × 5-mm 32-QFN Package
Number of ADC channels1
Number of DAC channels2
Digital audio interfaceDSP, I2S, L, R, TDM
Analog inputs3
Analog outputs3
Sampling rate (max) (kHz)192
RatingCatalog
FeaturesDigital mic support, Mono Class-D amplifier, Phase-locked loop (PLL), Stereo headphone amplifier
ADC SNR (typ) (dB)90
DAC SNR (typ) (dB)95
Operating temperature range (°C)-40 to 85
VQFN (RHB)3225 mm² 5 x 5
产品购买
  • 商品型号
  • 封装
  • 工作温度
  • 包装
  • 价格
  • 现货库存
  • 操作
10s
温馨提示:
订单商品问题请移至我的售后服务提交售后申请,其他需投诉问题可移至我的投诉提交,我们将在第一时间给您答复
返回顶部