h1_key

TI(德州仪器) TLV320DAC3120
德州仪器 (TI) 全系列产品在线购买
  • TI(德州仪器) TLV320DAC3120
  • TI(德州仪器) TLV320DAC3120
  • TI(德州仪器) TLV320DAC3120
  • TI(德州仪器) TLV320DAC3120
  • TI(德州仪器) TLV320DAC3120
  • TI(德州仪器) TLV320DAC3120
立即查看
您当前的位置: 首页 > 音频 > 音频转换器 > 音频 DAC > TLV320DAC3120
TLV320DAC3120

TLV320DAC3120

正在供货

具有 2.5W 单声道 D 级扬声器放大器、60mW 耳机驱动器和音频处理功能的单声道音频 DAC

产品详情
  • 说明
  • 特性
  • 参数
  • 封装 | 引脚 | 尺寸

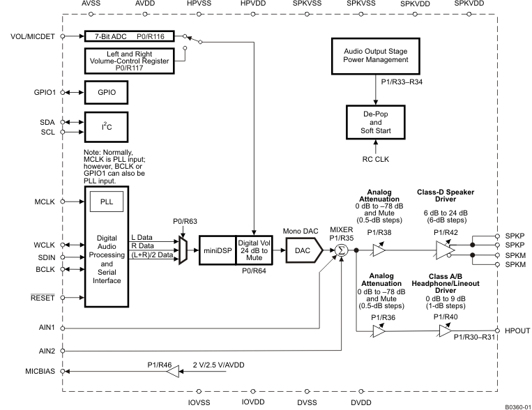
The TLV320DAC3120 is a low-power, highly integrated, high-performance mono DAC with 24-bit mono playback.

The device integrates several analog features, such as a microphone bias, headphone drivers, and a mono speaker driver capable of driving a 4-Ω load. The TLV320DAC3120 has a fully programmable miniDSP for digital audio processing. The digital audio data format is programmable to work with popular audio standard protocols (I2S, left/right-justified) in master, slave, DSP, and TDM modes. Bass boost, treble, or EQ can be supported by the programmable digital-signal processing block. An on-chip PLL provides the high-speed clock needed by the digital signal-processing block. The volume level can be controlled by either a pin control or by register control. The audio functions are controlled using the I2C serial bus.

The TLV320DAC3120 is available in a 32-pin QFN package.

This data manual is designed using PDF document-viewing features that allow quick access to information. For example, performing a global search on "page 0 / register 27" produces all references to this page and register in a list. This makes is easy to traverse the list and find all information related to a page and register. Note that the search string must be of the indicated format. Also, this document includes document hyperlinks to allow the user to quickly find a document reference. To come back to the original page, click the green left arrow near the PDF page number at the bottom of the file. The hot-key for this function is alt-left arrow on the keyboard. Another way to find information quickly is to use the PDF bookmarks.

  • Mono Audio DAC With 95-dB SNR
  • Instruction-Programmable Embedded miniDSP
  • Supports 8-kHz to 192-kHz Sample Rates
  • Mono Class-D BTL Speaker Driver (2.5 W Into 4 ύ or 1.6 W Into 8 ύ)
  • Mono Headphone/Lineout Driver
  • Two Single-Ended Inputs With Output Mixing and Level Control
  • Microphone Bias
  • Built-in Digital Audio Processing Blocks With User-Programmable Biquad, FIR
    Filters, and DRC
  • Digital Sine-Wave Generator for Beeps and Clicks (PRB_P25)
  • Programmable Digital Audio Processor for Bass Boost/Treble/EQ
    With up to Six Biquads for Playback
  • Pin Control or Register Control for Digital Playback Volume-Control Settings
  • Integrated PLL Used for Programmable Digital Audio Processor
  • I2S, Left-Justified, Right-Justified, DSP, and TDM Audio Interfaces
  • I2C Control With Register Auto-Increment
  • Full Power-Down Control
  • Power Supplies:
    • Analog: 2.7 V–3.6 V
    • Digital Core: 1.65 V–1.95 V
    • Digital I/O: 1.1 V–3.6 V
    • Class-D: 2.7 V–5.5 V (SPKVDD ≥ AVDD)
  • 5-mm × 5-mm 32-QFN Package
  • APPLICATIONS
    • Portable Audio Devices
    • eBook
    • Portable Navigation Devices

All other trademarks are the property of their respective owners

Sampling rate (max) (kHz)192
Control interfaceI2C
ArchitectureClass-D
Operating temperature range (°C)-40 to 85
RatingCatalog
VQFN (RHB)3225 mm² 5 x 5
产品购买
  • 商品型号
  • 封装
  • 工作温度
  • 包装
  • 价格
  • 现货库存
  • 操作
10s
温馨提示:
订单商品问题请移至我的售后服务提交售后申请,其他需投诉问题可移至我的投诉提交,我们将在第一时间给您答复
返回顶部