h1_key

TI(德州仪器) LMV1091
德州仪器 (TI) 全系列产品在线购买
  • TI(德州仪器) LMV1091
  • TI(德州仪器) LMV1091
  • TI(德州仪器) LMV1091
  • TI(德州仪器) LMV1091
  • TI(德州仪器) LMV1091
  • TI(德州仪器) LMV1091
立即查看
您当前的位置: 首页 > 音频 > 音频放大器 > 麦克风前置放大器 > LMV1091
LMV1091

LMV1091

正在供货

具有噪声抑制功能的双输入麦克风前置放大器

产品详情
  • 说明
  • 特性
  • 参数
  • 封装 | 引脚 | 尺寸

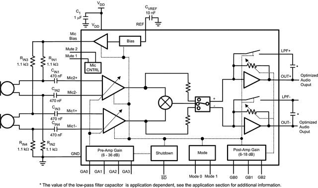
The LMV1091 is a fully analog dual differential input, differential output, microphone array amplifier designed to reduce background acoustic noise, while delivering superb speech clarity in voice communication applications.

The LMV1091 preserves near-field voice signals within 4cm of the microphones while rejecting far-field acoustic noise greater than 50cm from the microphones. Up to 20dB of far-field rejection is possible in a properly configured and using ±0.5dB matched micropohones.

Part of the Powerwise™ family of energy efficient solutions, the LMV1091 consumes only 600μA of supply current providing superior performance over DSP solutions consuming greater than ten times the power.

The dual microphone inputs and the processed signal output are differential to provide excellent noise immunity. The microphones are biased with an internal low-noise bias supply.

  • No Loss of Voice Intelligibility
  • Low Power Consumption
  • Shutdown Function
  • No added Processing Delay
  • Differential Outputs
  • Adjustable 12 - 54dB Gain
  • Excellent RF Immunity
  • Available in a 25–Bump DSBGA Package

Key Specifications

  • Far Field Noise Suppression Electrical (FFNSE at f = 1kHz): 34dB (typ)
  • SNRIE: 26dB (typ)
  • Supply Voltage: 2.7V to 5.5V
  • Supply Current: 600μA (typ)
  • Standby Current: 0.1μA (typ)
  • Signal-to-Noise Ratio (Voice band): 65dB (typ)
  • Total Harmonic Distortion + Noise: 0.1% (typ)
  • PSRR (217Hz): 99dB (typ)

All trademarks are the property of their respective owners.

Gain range (dB)36 dB
Power supply (typ) (V)2.7V to 5.5V
Iq (typ) (mA)0.6
Interface typeAnalog
Operating temperature range (°C)-40 to 85
RatingCatalog
DSBGA (YFQ)254.84 mm² 2.2 x 2.2
产品购买
  • 商品型号
  • 封装
  • 工作温度
  • 包装
  • 价格
  • 现货库存
  • 操作
10s
温馨提示:
订单商品问题请移至我的售后服务提交售后申请,其他需投诉问题可移至我的投诉提交,我们将在第一时间给您答复
返回顶部