h1_key

TI(德州仪器) TLV320AIC3106-Q1
德州仪器 (TI) 全系列产品在线购买
  • TI(德州仪器) TLV320AIC3106-Q1
  • TI(德州仪器) TLV320AIC3106-Q1
  • TI(德州仪器) TLV320AIC3106-Q1
  • TI(德州仪器) TLV320AIC3106-Q1
  • TI(德州仪器) TLV320AIC3106-Q1
  • TI(德州仪器) TLV320AIC3106-Q1
立即查看
您当前的位置: 首页 > 音频 > 音频转换器 > 音频编解码器 > TLV320AIC3106-Q1
TLV320AIC3106-Q1

TLV320AIC3106-Q1

正在供货

具有耳机放大器和增强数字效果的汽车类低功耗立体声编解码器

产品详情
  • 说明
  • 特性
  • 参数
  • 封装 | 引脚 | 尺寸

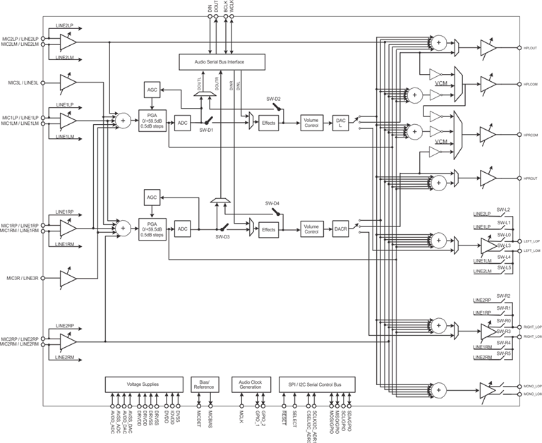
The TLV320AIC3106-Q1 is a low-power stereo audio codec with stereo headphone amplifier, as well as multiple inputs and outputs programmable in single-ended or fully differential configurations. Extensive register-based power control is included, enabling stereo 48-kHz DAC playback as low as 15 mW from a 3.3-V analog supply, making it ideal for car audio applications in cluster and head unit systems.

The record path of the TLV320AIC3106-Q1 contains integrated microphone bias, digitally controlled stereo microphone preamplifier, and automatic gain control (AGC), with mix and mux capability among the multiple analog inputs. Programmable filters are available during record which can remove audible noise that can occur in unpredictable environments, such as when an eCall system is activated. The playback path includes mix and mux capability from the stereo DAC and selected inputs, through programmable volume controls, to the various outputs.

The TLV320AIC3106-Q1 contains four high-power output drivers as well as three fully differential output drivers. The high-power output drivers are capable of driving a variety of load configurations, including up to four channels of single-ended 16-Ω headphones using AC-coupling capacitors, or stereo 16-Ω headphones in a capacitorless output configuration. These parameters enable the TLV320AIC3106-Q1 to act as an interface from the MCU to the speaker amplifiers, such as the TPA3111D1-Q1, in various audio applications in infotainment and clusters.

The stereo audio DAC supports sampling rates from 8 kHz to 96 kHz and includes programmable digital filtering in the DAC path for 3D, bass, treble, midrange effects, speaker equalization, and de-emphasis for 32-kHz, 44.1-kHz, and 48-kHz rates. The stereo audio ADC supports sampling rates from 8 kHz to 96 kHz and is preceded by programmable gain amplifiers or AGC that can provide up to 59.5-dB analog gain for low-level microphone inputs. The TLV320AIC3106-Q1 provides an extremely high range of programmability for both attack (8 ms to 1408 ms) and for decay (0.05 s to 22.4 s). This extended AGC range allows the AGC to be tuned for many types of applications.

The serial control bus supports SPI or I2C protocols, while the serial audio data bus is programmable for I2S, left/right-justified, DSP, or TDM modes. A highly programmable PLL is included for flexible clock generation and support for all standard audio rates from a wide range of available MCLKs, varying from 512 kHz to 50 MHz, with special attention paid to the most popular cases of 12-MHz, 13-MHz, 16-MHz, 19.2-MHz, and 19.68-MHz system clocks.

The TLV320AIC3106-Q1 operates from an analog supply of 2.7 V to 3.6 V, a digital core supply of 1.65 V to 1.95 V, and a digital I/O supply of 1.1 V to 3.6 V. The device is available in the 7-mm × 7-mm, 48-lead VQFN (RGZ) package.

  • Qualified for Automotive Applications
  • AEC-Q100 Qualified With the Following Results:
    • Device Temperature Grade 3: –40°C to 85°C
      Ambient Operating Temperature Range
    • Device HBM ESD Classification Level 1C
    • Device CDM ESD Classification Level C6
  • Stereo Audio DAC
    • 102-dBA Signal-to-Noise Ratio
    • 16-, 20-, 24-, or 32-Bit Data
    • Supports Rates From 8 kHz to 96 kHz
    • 3D, Bass, Treble, EQ, De-Emphasis Effects
    • Flexible Power Saving Modes and
      Performance are Available
  • Stereo Audio ADC
    • 92-dBA Signal-to-Noise Ratio
    • Supports Rates From 8 kHz to 96 kHz
    • Digital Signal Processing and Noise Filtering
      Available During Record
  • Ten Audio Input Pins
    • Programmable in Single-Ended or Fully
      Differential Configurations
    • 3-State Capability for Floating Input
      Configurations
  • Seven Audio Output Drivers
    • Stereo Fully Differential or Single-Ended
      Headphone Drivers
    • Fully Differential Stereo Line Outputs
    • Fully Differential Mono Output
  • Low Power: 15-mW Stereo 48-kHz Playback With
    3.3-V Analog Supply
  • Ultralow-Power Mode with Passive Analog Bypass
  • Programmable I/O Analog Gains
  • Programmable PLL for Flexible Clock Generation
  • Control Bus Selectable SPI or I2C
  • Audio Serial Data Bus Supports I2S, Left/Right-
    Justified, DSP, and TDM Modes
  • Power Supplies:
    • Analog: 2.7 V to 3.6 V
    • Digital Core: 1.65 V to 1.95 V
    • Digital I/O: 1.1 V to 3.6 V
Number of ADC channels2
Number of DAC channels2
Digital audio interfaceDSP, I2S, L, R, TDM
Analog inputs10
Analog outputs7
Sampling rate (max) (kHz)96
RatingAutomotive
FeaturesHeadset detect, Matrix mixing, Phase-locked loop (PLL), Stereo headphone amplifier
ADC SNR (typ) (dB)92
DAC SNR (typ) (dB)102
Operating temperature range (°C)-40 to 85
VQFN (RGZ)4849 mm² 7 x 7
产品购买
  • 商品型号
  • 封装
  • 工作温度
  • 包装
  • 价格
  • 现货库存
  • 操作
10s
温馨提示:
订单商品问题请移至我的售后服务提交售后申请,其他需投诉问题可移至我的投诉提交,我们将在第一时间给您答复
返回顶部